TCS light stays on?

Tiny
TANCHI13
  • MEMBER
  • 2012 RAM 1500
  • 5.7L
  • V8
  • 2WD
  • AUTOMATIC
  • 80,000 MILES
The TCS light in lower right corner of ip came on and stays on?
Monday, August 29th, 2022 AT 4:57 PM

5 Replies

Tiny
KEN L
  • MASTER CERTIFIED MECHANIC
  • 55,281 POSTS
This is telling you there is a problem with one of the sensors or controllers for the traction control system. You will need to do a CAN scan with is easy to do. You can get a CAN scanner from Amazon for about $30.00.

Here is a video to show you how:
https://youtu.be/u-4syLc-ifQ

Here is a scanner link:

https://amzn.to/3o41KcZ

It will probably be one of the front bearing hubs that is bad, can you hear a rumbling noise from the front when you drive? If one of the hubs is bad, here is how you will change it out. What happens is the bearing hob can stay true to the ABS or wheel speed sensor and the computer notices this. Check out the diagrams (below). Please let us know what you find.
Was this
answer
helpful?
Yes
No
Tuesday, August 30th, 2022 AT 10:05 AM
Tiny
TANCHI13
  • MEMBER
  • 2 POSTS
There is a code of c121d. I have changed the ABS control module, I've bled the brakes. The scan tool only shows this 1 code and nothing else.
Was this
answer
helpful?
Yes
No
Tuesday, August 30th, 2022 AT 12:38 PM
Tiny
KEN L
  • MASTER CERTIFIED MECHANIC
  • 55,281 POSTS
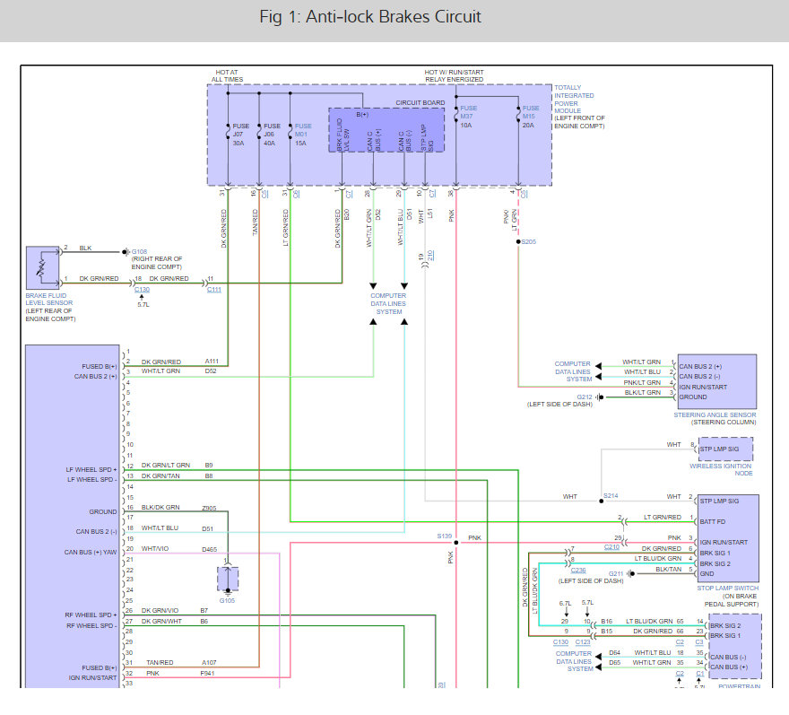
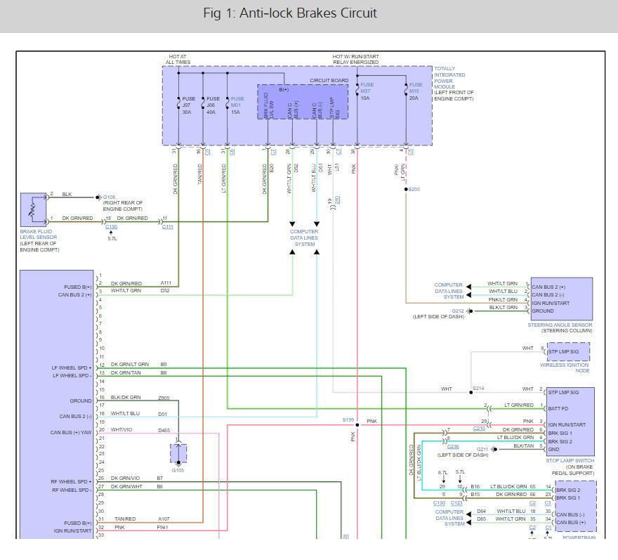
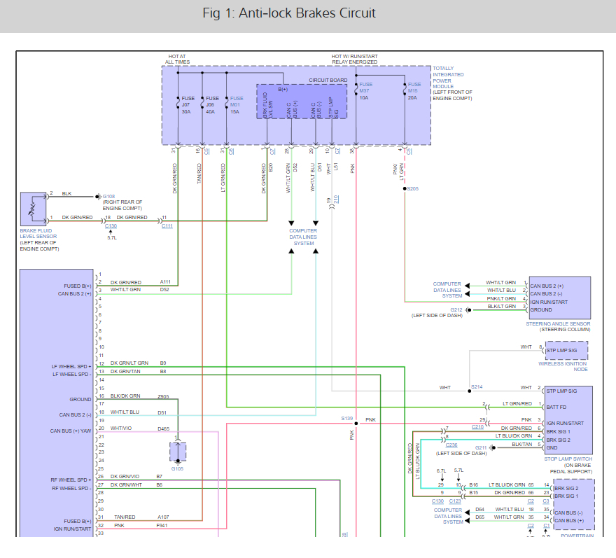
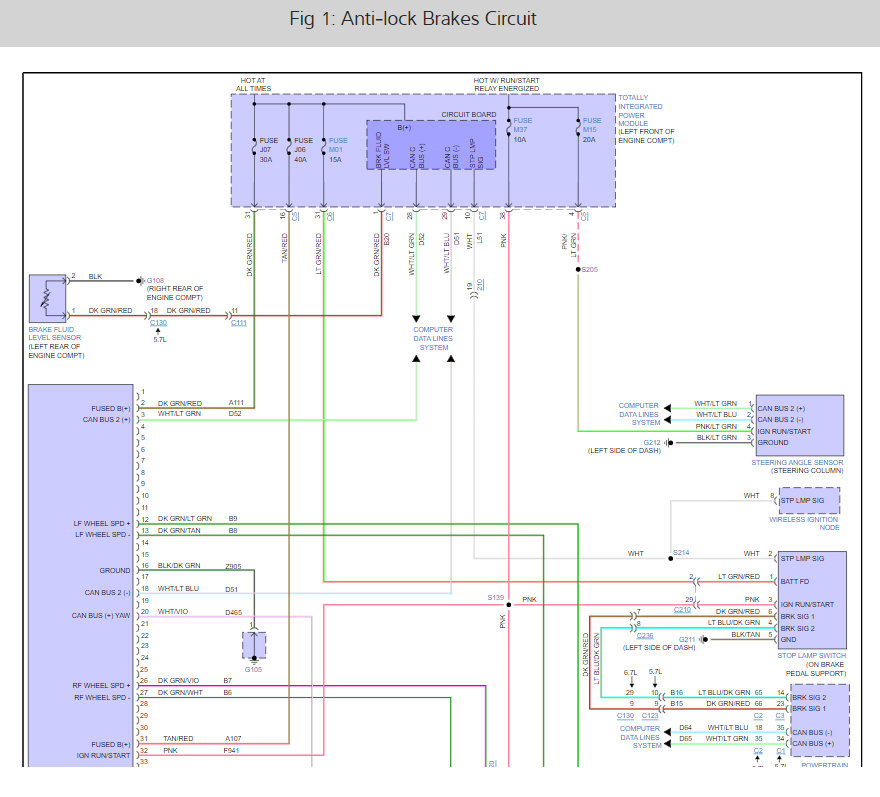
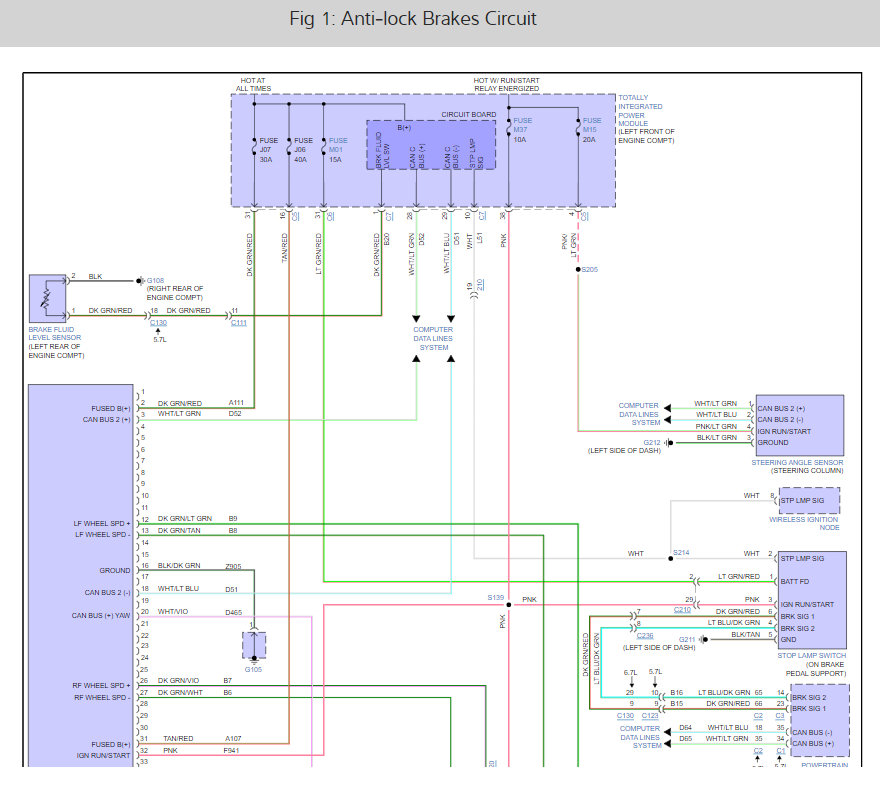
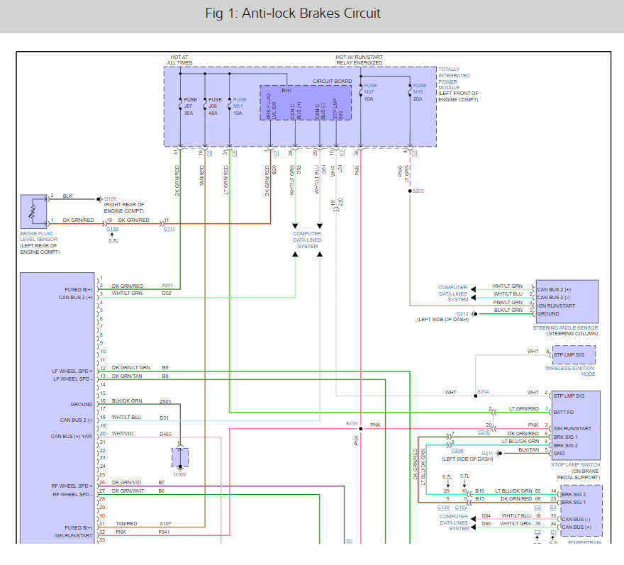
The code C121D is the Brake pressure sensor circuit out of range. They say it is an ABS module problem. So, let's check the power feed and grounds of the module.

Here is a guide and the ABS module wiring diagrams so you can see how the system works and which wires to test:

https://www.2carpros.com/articles/how-to-check-wiring

I did notice the ABS is powered by the TIPM which Ram trucks had a problem with. here is how to replace that was well which is easy because it self-initiates. Check out the diagrams (below). Please let us know what you find.
Was this
answer
helpful?
Yes
No
Wednesday, August 31st, 2022 AT 11:27 AM
Tiny
TANCHI13
  • MEMBER
  • 2 POSTS
That was not the problem. The problem was the master cylinder.
Was this
answer
helpful?
Yes
No
Friday, September 16th, 2022 AT 1:09 PM
Tiny
KEN L
  • MASTER CERTIFIED MECHANIC
  • 55,281 POSTS
Thanks for getting back to me. Nice work, we are here to help, please use 2CarPros anytime.
Was this
answer
helpful?
Yes
No
Friday, September 16th, 2022 AT 1:10 PM

Please login or register to post a reply.