Friday, January 18th, 2019 AT 3:13 PM
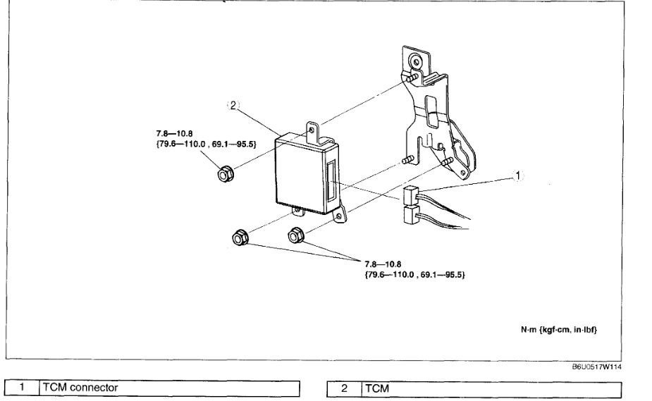
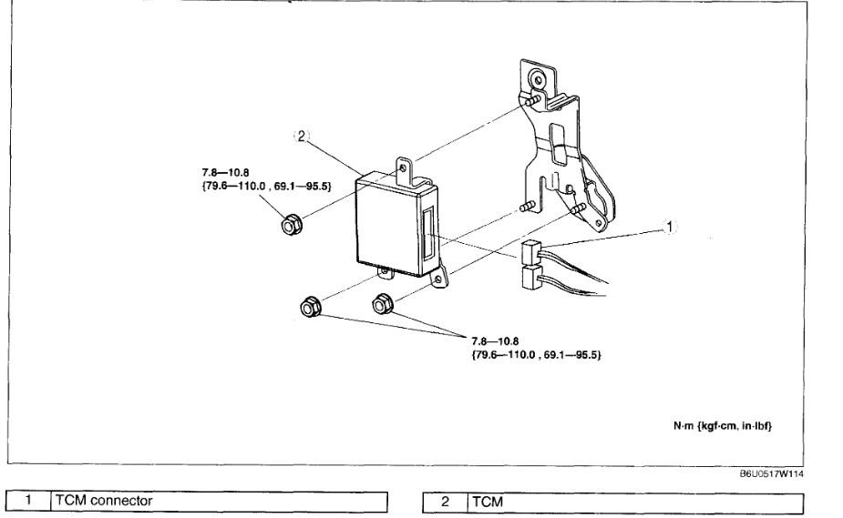
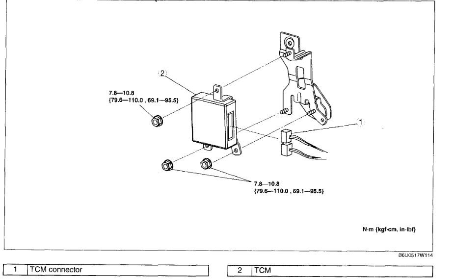
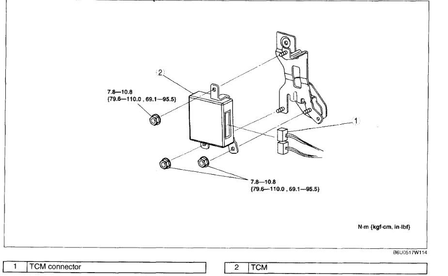
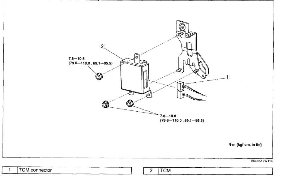
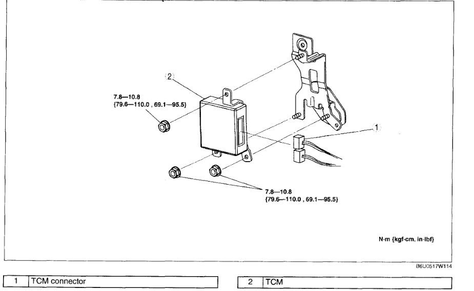
I am trying to locate the TCM which apparently is located on the transmission on the V6 model. Hoping a diagram will show me if it's underneath and easily accessible below the car or if the transmission needs to be torn out first to get to it?





