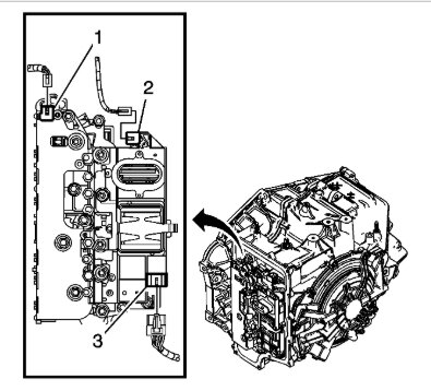
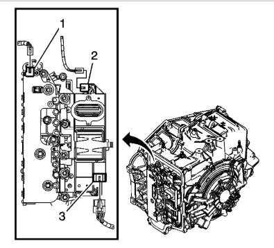
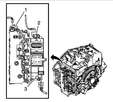
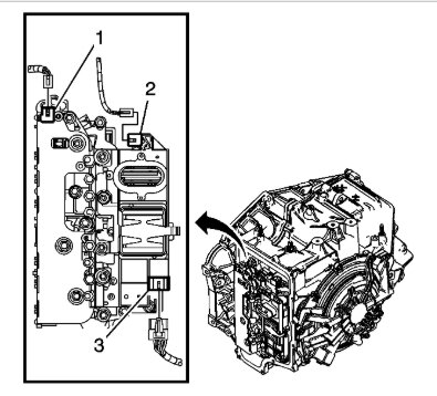
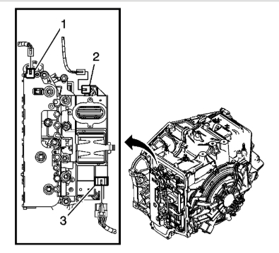
Im hoping I can check the wiring and connectors in the TCM before spemding a few hundred replacing it.
However, I cant find any tutorials for my year, make and model. Can anyone tell me where the TCM is located? Any diagrams would be a plus.
Side note; it is a 6 speed.
Wednesday, August 20th, 2025 AT 9:07 PM




