TCM location

Tiny
JREICHARDT
  • MEMBER
  • 2004 CHRYSLER SEBRING
  • 2.7L
  • 6 CYL
  • 2WD
  • AUTOMATIC
  • 75,000 MILES
Where is the transmission control module located on my car (convertible)? Is there a picture pointing to it?
Wednesday, January 30th, 2019 AT 5:17 PM

7 Replies

Tiny
ASEMASTER6371
  • MECHANIC
  • 52,796 POSTS
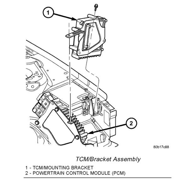
The TCM is out by the right headlight on some looks at the diagrams below. Check out the diagrams (Below). Please let us know if you need anything else to get the problem fixed.
Was this
answer
helpful?
Yes
No
+1
Wednesday, January 30th, 2019 AT 5:41 PM
Tiny
JREICHARDT
  • MEMBER
  • 3 POSTS
Thanks. The car I'm looking at has front end damage, and the TCM is not there, and there is no lose harness. This picture looks a lot like my 2002 though. If you are sure this is a picture from a 2004 then I'm at a loss? Thanks
Was this
answer
helpful?
Yes
No
+1
Thursday, January 31st, 2019 AT 5:49 AM
Tiny
ASEMASTER6371
  • MECHANIC
  • 52,796 POSTS
Yes. That is directly from Alldata.

Roy
Was this
answer
helpful?
Yes
No
Thursday, January 31st, 2019 AT 8:38 PM
Tiny
JREICHARDT
  • MEMBER
  • 3 POSTS
Thanks Roy - I appreciate it.
Was this
answer
helpful?
Yes
No
Friday, February 1st, 2019 AT 5:09 AM
Tiny
ASEMASTER6371
  • MECHANIC
  • 52,796 POSTS
You are welcome.

Roy
Was this
answer
helpful?
Yes
No
+1
Friday, February 1st, 2019 AT 5:30 AM
Tiny
PINKMONEY7882
  • MEMBER
  • 1 POST
  • 1995 CHRYSLER SEBRING
  • 4 CYL
  • FWD
  • AUTOMATIC
  • 177,000 MILES
What can make the transmission go into limp home mode? I have already replaced the tcm.
Was this
answer
helpful?
Yes
No
+1
Tuesday, August 11th, 2020 AT 4:36 PM (Merged)
Tiny
LOUISL
  • MEMBER
  • 4 POSTS
I had this problem and had to replace the pressure control solenoid.
Was this
answer
helpful?
Yes
No
Tuesday, August 11th, 2020 AT 4:36 PM (Merged)

Please login or register to post a reply.