TCCM diagram MP1626XHD NQF

Tiny
SBORNOE
  • MEMBER
  • 2012 CHEVROLET SILVERADO
  • 6.6L
  • V8
  • 4WD
  • AUTOMATIC
  • 10 MILES
Is there anyone who can provide a diagram for the wires on these?
Tuesday, December 7th, 2021 AT 6:48 PM

17 Replies

Tiny
JACOBANDNICKOLAS
  • MECHANIC
  • 110,192 POSTS
Hi,

As far as the schematics, I attached them below. What is happening? Are there any diagnostic trouble codes?

Let me know.

Joe

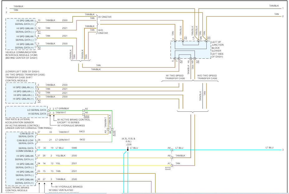
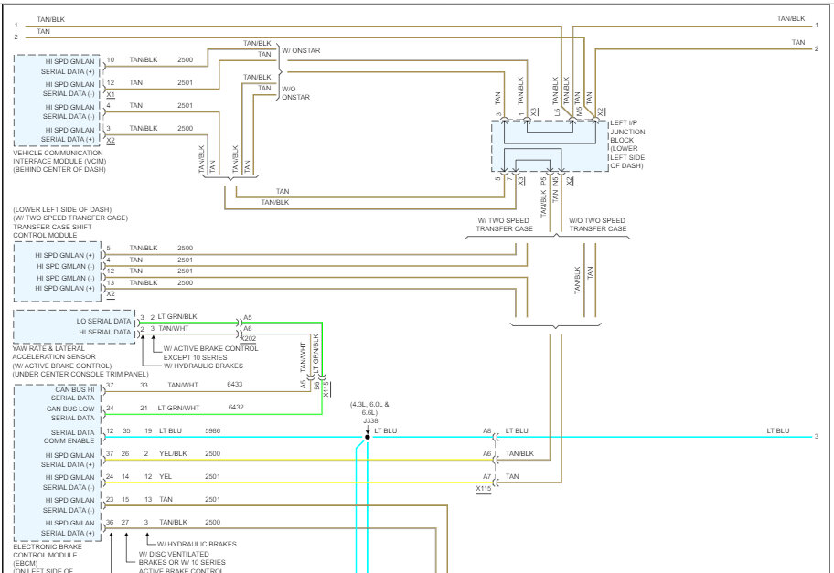
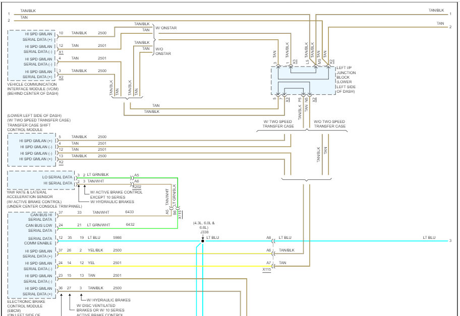
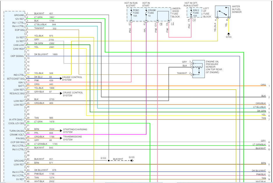
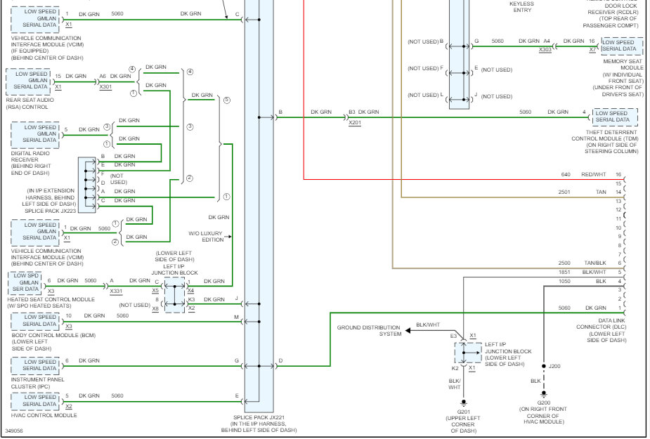
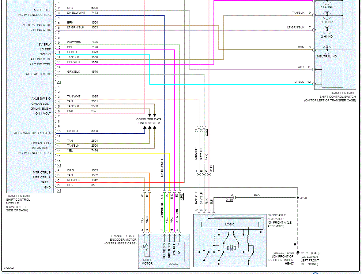
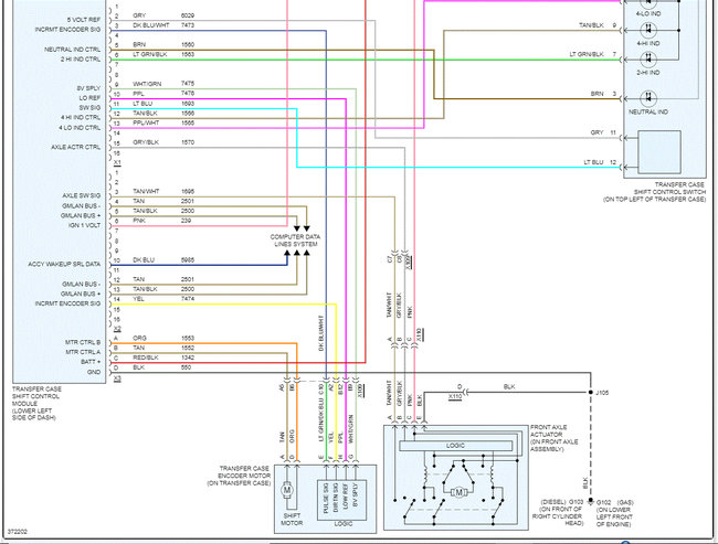
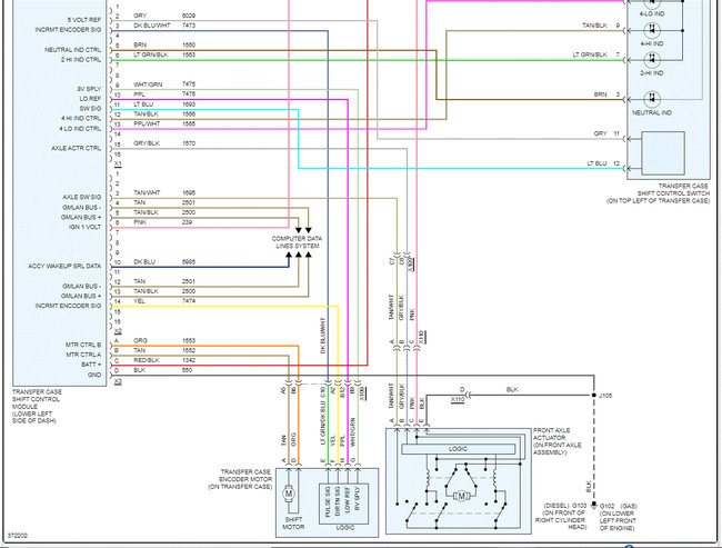
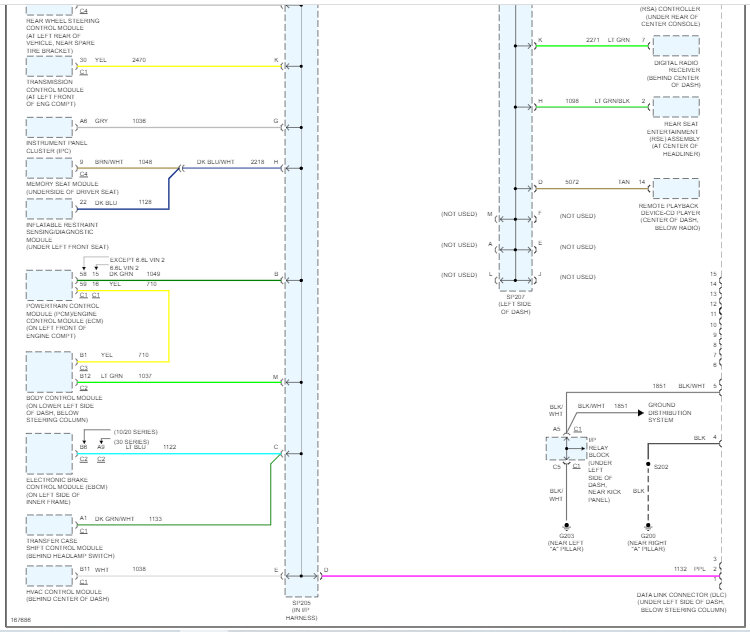
See pics below. Note: I had to cut the schematic in half to make it readable. I did overlap them so you can follow from one to the next.
Was this
answer
helpful?
Yes
No
Tuesday, December 7th, 2021 AT 9:18 PM
Tiny
SBORNOE
  • MEMBER
  • 18 POSTS
Thank you so Much! Also need same for 2003-05 for comparing. I am using a LB7 and Allison 1000 in my Hummer H1 conversation. Also have a 11 bolt MP1626XHD NQF with new back housing for the transmission. Ideally, I would have used the manual shifter MP1625, but I was lucky to get the 1626, only that I need to wire up the shifter actuator with the correct round dialing wheel shifter switch as a standalone in some way. Also looking for 4 high/low switch, TCCM controller and wiring harness from the switch to the TCCM and T-case.
Was this
answer
helpful?
Yes
No
+1
Wednesday, December 8th, 2021 AT 2:38 AM
Tiny
JACOBANDNICKOLAS
  • MECHANIC
  • 110,192 POSTS
Hi,

The additional schematics needed, are they for the same model?

Joe
Was this
answer
helpful?
Yes
No
Wednesday, December 8th, 2021 AT 7:42 PM
Tiny
SBORNOE
  • MEMBER
  • 18 POSTS
Hi again. Really late reply here! Can you help me with schematics for ecm, tcm and tccm for LB7 Duramax, Allison 5 speed and t-case 263xhd? 2003-2005
Was this
answer
helpful?
Yes
No
Thursday, October 20th, 2022 AT 4:10 AM
Tiny
JACOBANDNICKOLAS
  • MECHANIC
  • 110,192 POSTS
Hi,

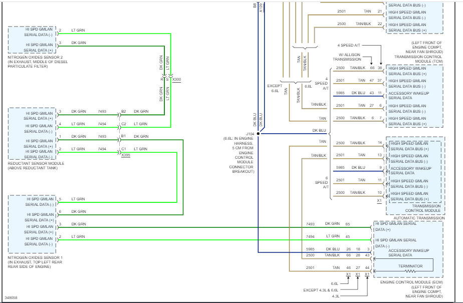
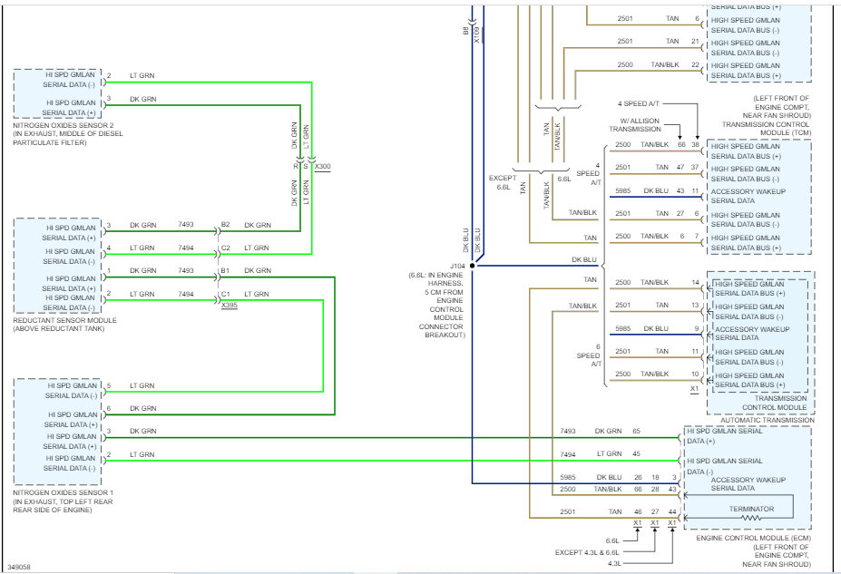
The first 4 pics are of the TCM. The remaining pics cover the entire powertrain management system.

Let me know if this helps.

Take care,

Joe

See pics below.
Was this
answer
helpful?
Yes
No
Thursday, October 20th, 2022 AT 6:12 PM
Tiny
SBORNOE
  • MEMBER
  • 18 POSTS
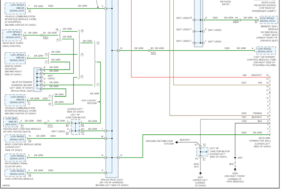
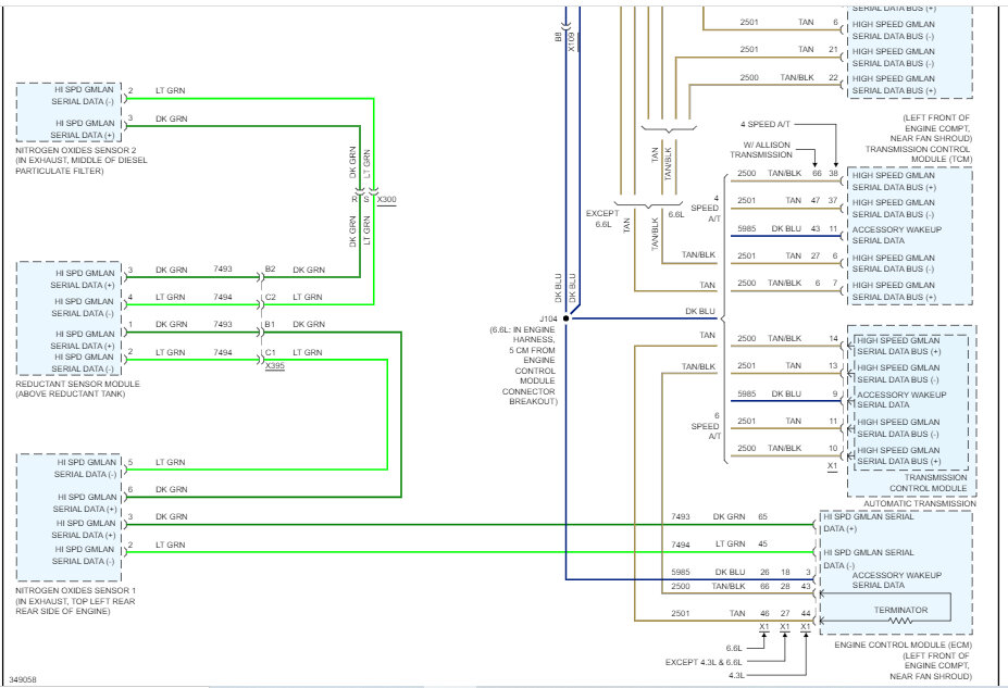
Thanks, that helps a lot! I could also need diagrams for the can bus data and specific the Wake-up signal for all the different BCM TCM TCCM and so on. For both LB7 2003-05 and LML 2011. I know the GMlan system is not the same on both. Thanks again.
Was this
answer
helpful?
Yes
No
Tuesday, October 25th, 2022 AT 4:09 AM
Tiny
JACOBANDNICKOLAS
  • MECHANIC
  • 110,192 POSTS
I realize these are both diesels. On the 2005, do you want the CAN schematics for a truck or the Hummer H1?

Let me know.

Joe
Was this
answer
helpful?
Yes
No
Tuesday, October 25th, 2022 AT 8:07 PM
Tiny
SBORNOE
  • MEMBER
  • 18 POSTS
I need only for Silverado Duramax trucks (LB7 and LML), everything will be standalone in the Hummer H1.
Was this
answer
helpful?
Yes
No
Wednesday, October 26th, 2022 AT 12:45 AM
Tiny
JACOBANDNICKOLAS
  • MECHANIC
  • 110,192 POSTS
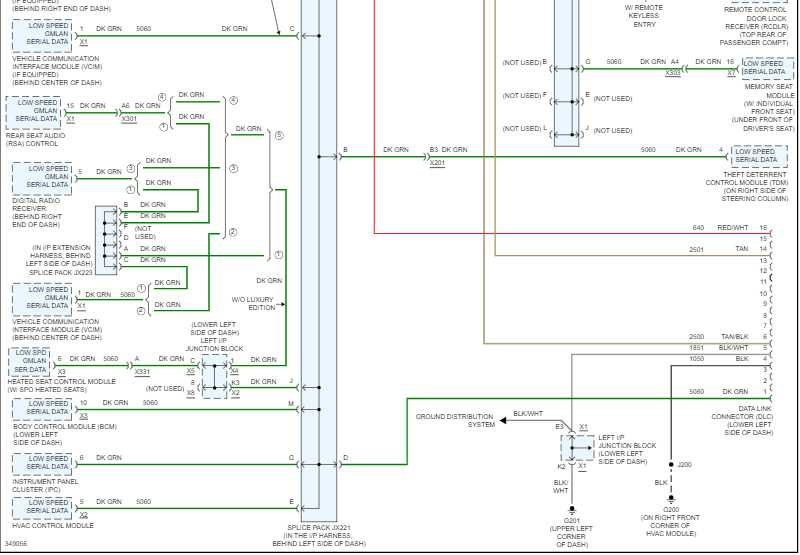
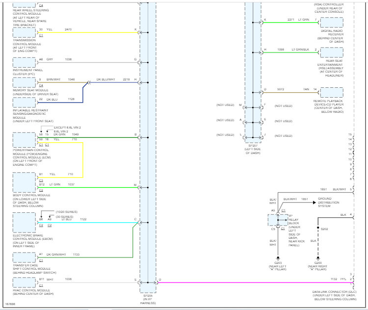
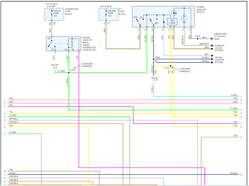
Hi,

The attached are for a 2004, 2500 2wd and a 2011, 2500 2wd.

The first two pics are for the 04. The remaining pics are for the 2011. Take a look through them and let me know if they help.

Take care,

Joe

See pics below. Note: each page was cut in half to make them readable. I overlapped them from one to the next. There is a big difference between the model years.
Was this
answer
helpful?
Yes
No
Wednesday, October 26th, 2022 AT 5:20 PM
Tiny
SBORNOE
  • MEMBER
  • 18 POSTS
Thanks again for all the help. But do you have the same schematics only for 4wd?
Was this
answer
helpful?
Yes
No
Thursday, October 27th, 2022 AT 4:59 AM
Tiny
JACOBANDNICKOLAS
  • MECHANIC
  • 110,192 POSTS
Hi,

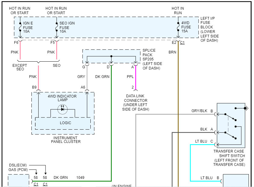
I do, LOL The first two pics below are for the 04, 4wd and the remaining pics are for the 2011, 4wd.

Let me know if that is what you needed.

Take care,

Joe

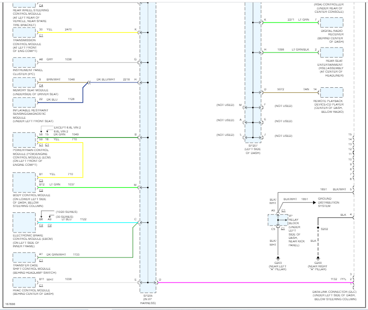
See pics below.
Was this
answer
helpful?
Yes
No
Thursday, October 27th, 2022 AT 5:08 PM
Tiny
SBORNOE
  • MEMBER
  • 18 POSTS
That's great, thanks.

Now I need to compare to something else, do you have the schematic for Jeep 2014 with the NQH MP3023

shifter actuator with the correct round dialing wheel shifter switch as a standalone in some way. Also looking for 4 high/low switch, TCCM controller and wiring harness from the switch to the TCCM and T-case.
Was this
answer
helpful?
Yes
No
Saturday, October 29th, 2022 AT 3:20 AM
Tiny
JACOBANDNICKOLAS
  • MECHANIC
  • 110,192 POSTS
Hi,

I would be happy to get that for you, but I have a favor to ask. Is it possible for you to start a new post? We try to keep the topics specific to one type of vehicle, so it is more helpful to others. I hope you understand.

Here is the link to start a new one:

https://www.2carpros.com/questions/new

Just copy and paste your last question.

Again, I hope you understand.

Take care,

Joe
Was this
answer
helpful?
Yes
No
Sunday, October 30th, 2022 AT 12:23 AM
Tiny
SBORNOE
  • MEMBER
  • 18 POSTS
Can you help me with schematics for ECM, TCM and TCCM for LB7 Duramax 2500HD, Allison 1000 5 speed and t-case 263xhd? 2003-2005?

Need to compare.

Thanks again.
Was this
answer
helpful?
Yes
No
Sunday, November 6th, 2022 AT 9:02 PM
Tiny
JACOBANDNICKOLAS
  • MECHANIC
  • 110,192 POSTS
Hi,

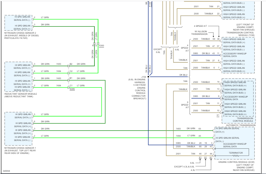
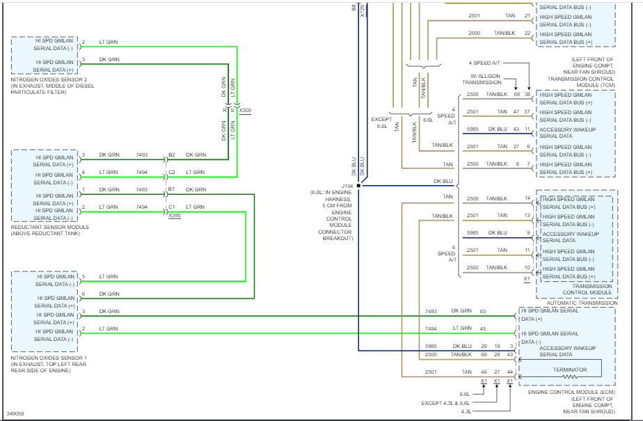
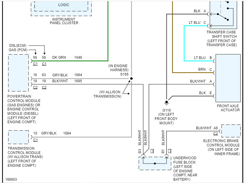
As far as the wiring for the ECM, the first pics below are the entire powertrain management circuit schematic. I had to cut each page in half to make it readable for you.

The last two pics are for the transmission control module with the Allison.

Let me know if this helps.

Take care,

Joe

See pics below.
Was this
answer
helpful?
Yes
No
Monday, November 7th, 2022 AT 6:09 PM
Tiny
SBORNOE
  • MEMBER
  • 18 POSTS
Thanks again!

It looks almost correct; can I have the same schematic for the year before this one also? Up to 2003 maybe?

Because my TCM has a date 2003 on it and has two connectors red and grey.
Was this
answer
helpful?
Yes
No
Tuesday, November 8th, 2022 AT 7:57 AM
Tiny
JACOBANDNICKOLAS
  • MECHANIC
  • 110,192 POSTS
Hi,

No problem. I attached what I have below for the 2003. Pics 1 and 2 are from the transmission circuit. The remaining pics are the powertrain management schematics.

Let me know if this helps.

Take care,

Joe

See pic below.
Was this
answer
helpful?
Yes
No
Tuesday, November 8th, 2022 AT 6:51 PM

Please login or register to post a reply.

Related General Content