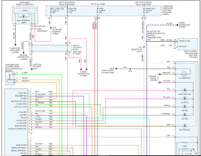
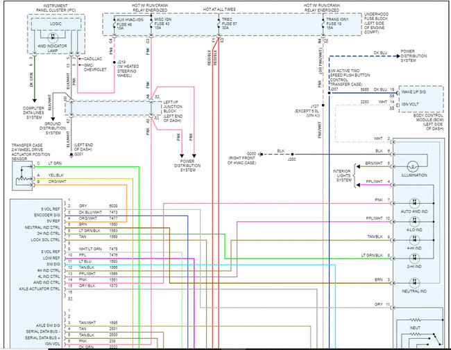
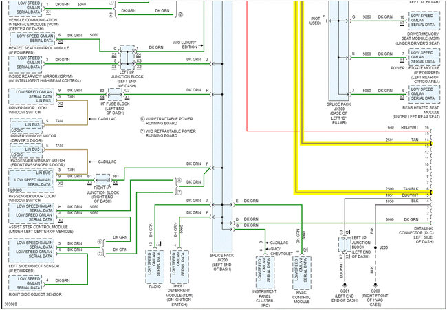
I have a transfer case with 15 codes that come right back after clearing. A couple communication ones that I will look at first. I found a bulletin for that (08-07-30-021E).
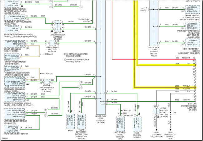
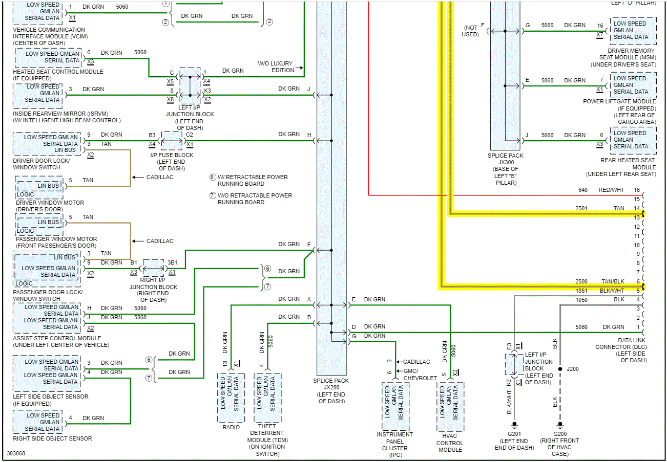
I am looking for the wiring schematics for this vehicle.
I think it was a salvaged vehicle and I have fixed a ton of other issues already but she is nice, and mama likes it so I will keep tinkering with it.
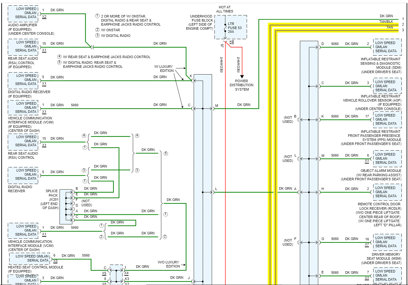
I am looking for the wiring schematics for this vehicle.
I think it was a salvaged vehicle and I have fixed a ton of other issues already but she is nice, and mama likes it so I will keep tinkering with it.
Jan 5, 2022 at 5:52 AM







