Taily light

Tiny
BAAL
  • MEMBER
  • 2005 CADILLAC SRX
  • 3.5L
  • 6 CYL
  • 4WD
  • AUTOMATIC
  • 108,000 MILES
Hi, where is in fusebox the taily light fuse?
Sunday, April 9th, 2023 AT 10:15 AM

1 Reply

Tiny
JACOBANDNICKOLAS
  • MECHANIC
  • 110,194 POSTS
Hi,

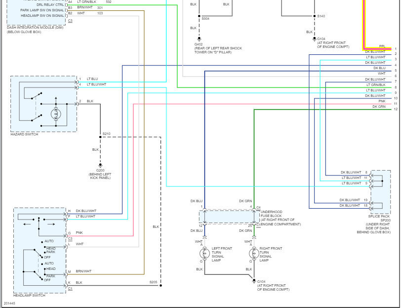
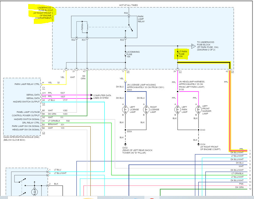
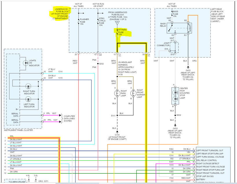
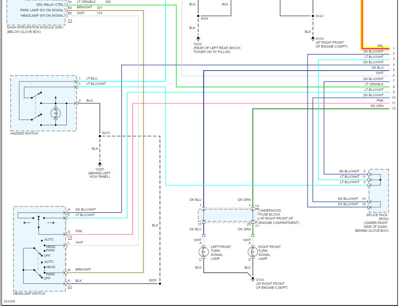
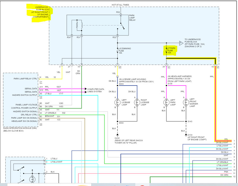
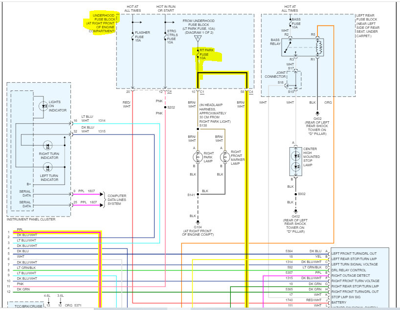
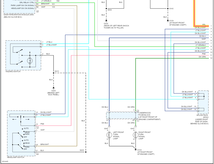
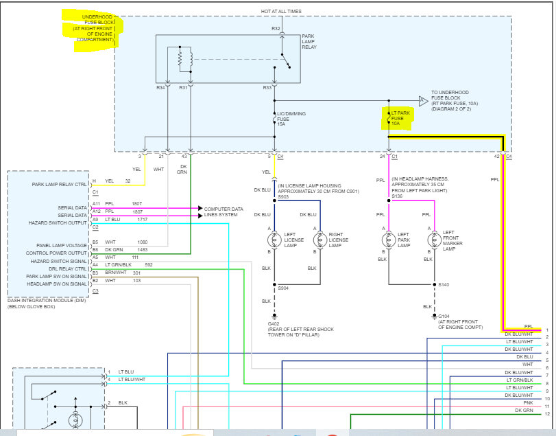
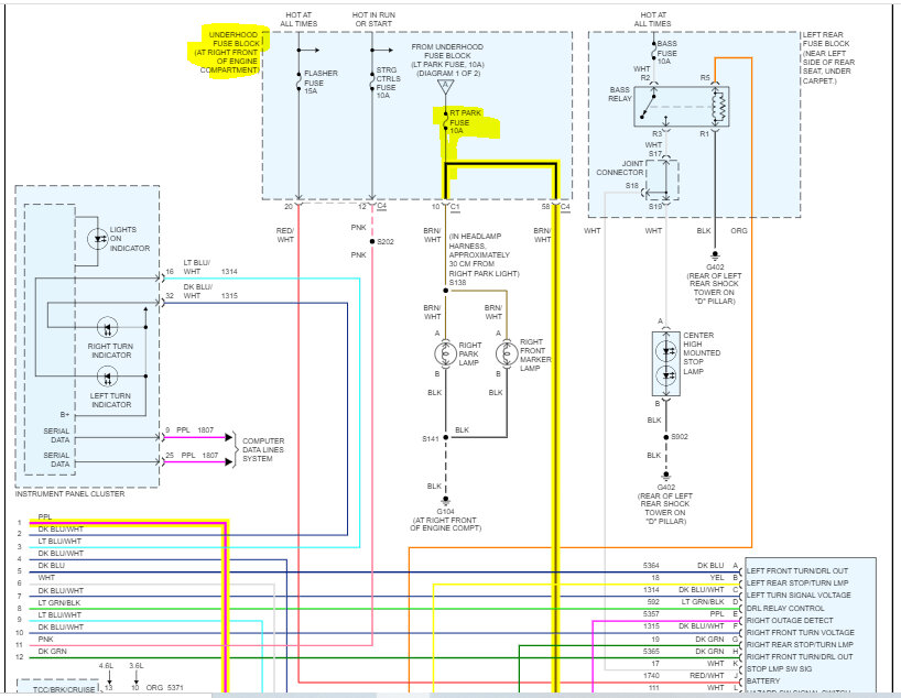
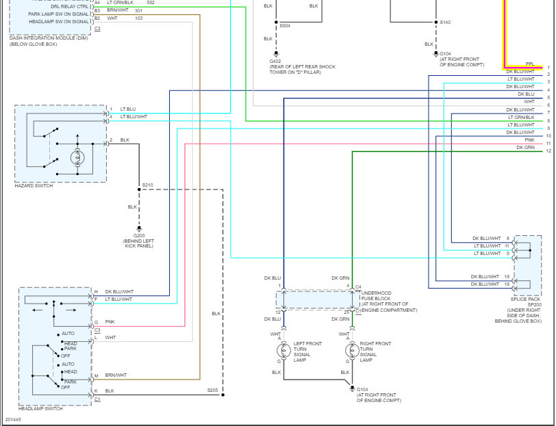
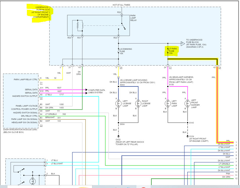
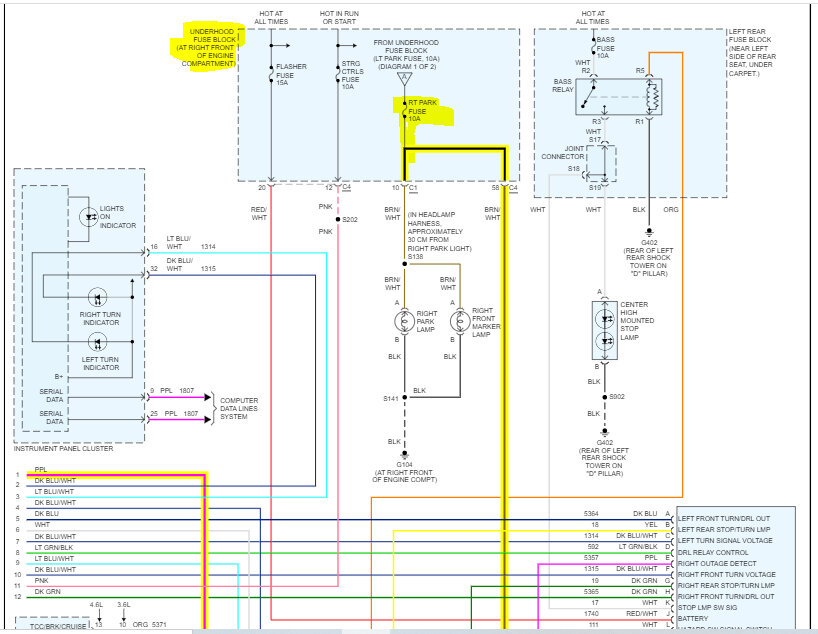
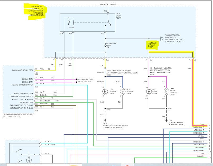
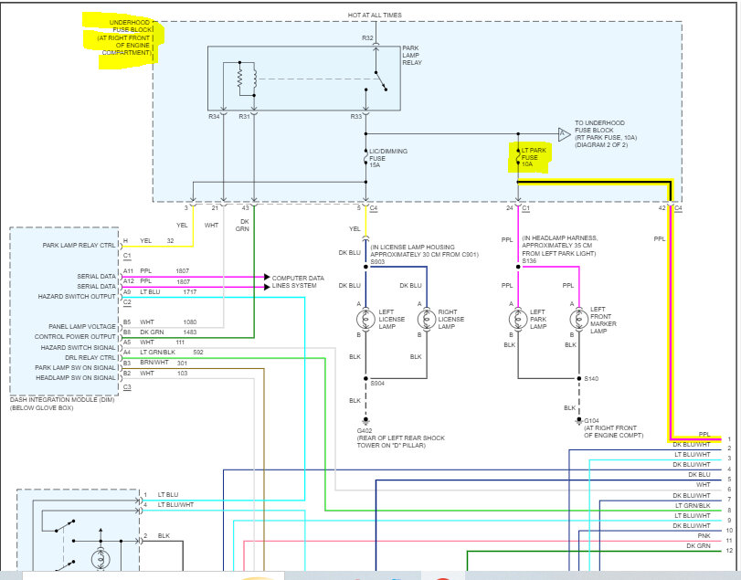
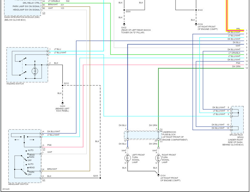
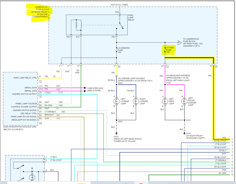
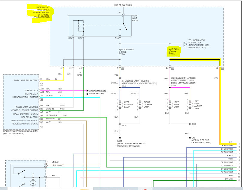
The tail lamp fuses (parking lamps) are located in the under-hood fuse box. There are two. One is for the left side and the other is for the right.

I believe that is what you are looking for. However, I wasn't certain, so I attached the entire wiring schematic for the exterior lighting below.

It was two pages long, but I had to cut each in half to make them readable for you. I did overlap them so you can follow from one to the next. Additionally, I highlighted the wiring between the tail lamps and the fuses.

Let me know if this helps or if you have other questions. Also, remember when checking fuses, it is not only important to confirm the fuse is good, but also you need to confirm power to and from it.

Here is a link you may find helpful:

https://www.2carpros.com/articles/how-to-check-a-car-fuse

Take care,

Joe

See pics below.
Was this
answer
helpful?
Yes
No
Wednesday, April 12th, 2023 AT 8:19 PM

Please login or register to post a reply.