Taillights stopped working I changed the bulbs and check the fuses

Tiny
KAT PLAYAS
  • MEMBER
  • 2006 FORD EXPLORER
  • V8
  • AUTOMATIC
  • 150,000 MILES
However, my brake lights work. I changed the bulbs and check the fuses still no taillights.
Friday, July 24th, 2020 AT 9:57 PM

4 Replies

Tiny
4DRTOM
  • MECHANIC
  • 467 POSTS
Hello Kat,

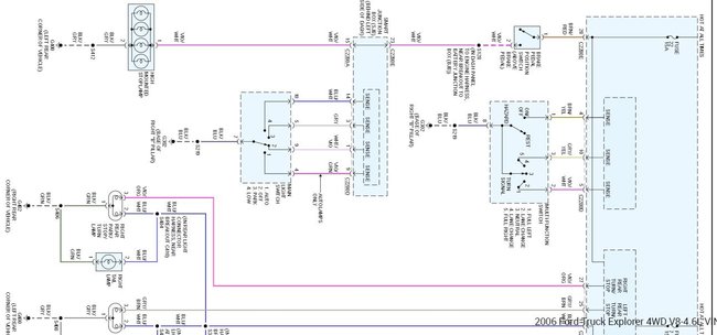
It sounds to me like you could have a bad ground connection. I have uploaded the wiring diagram for that circuit it shows the grounds and there locations. Rotate them in your image program I had to put them sideways to get it to fit at a good readable size. Do you have a test light? If you don't see an obvious broken ground wire we will have to do some tests to isolate which component isn't working properly.

Let me know,

Tom
Was this
answer
helpful?
Yes
No
Saturday, July 25th, 2020 AT 8:32 PM
Tiny
KAT PLAYAS
  • MEMBER
  • 3 POSTS
Thank you.
Was this
answer
helpful?
Yes
No
Sunday, July 26th, 2020 AT 6:08 PM
Tiny
4DRTOM
  • MECHANIC
  • 467 POSTS
HI Kat,

Were you able to figure it out?
Let me know,
Tom
Was this
answer
helpful?
Yes
No
+2
Monday, July 27th, 2020 AT 9:55 PM
Tiny
KAT PLAYAS
  • MEMBER
  • 3 POSTS
Yes I did, thank you it was a bad ground.
Was this
answer
helpful?
Yes
No
Monday, July 27th, 2020 AT 11:38 PM

Please login or register to post a reply.