The taillights stay on when truck is on or off?

Tiny
JURZEI
  • MEMBER
  • 2004 DODGE RAM
  • 5.7L
  • V8
  • 4WD
  • AUTOMATIC
  • 400,000 MILES
Yesterday the passenger park light was also on, and today it's now taillights and park lights. We know it's not the light switch or fuses.
Wednesday, December 21st, 2022 AT 6:04 AM

1 Reply

Tiny
JACOBANDNICKOLAS
  • MECHANIC
  • 110,194 POSTS
Hi,

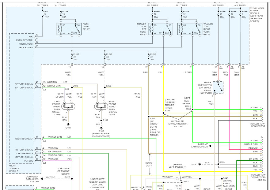
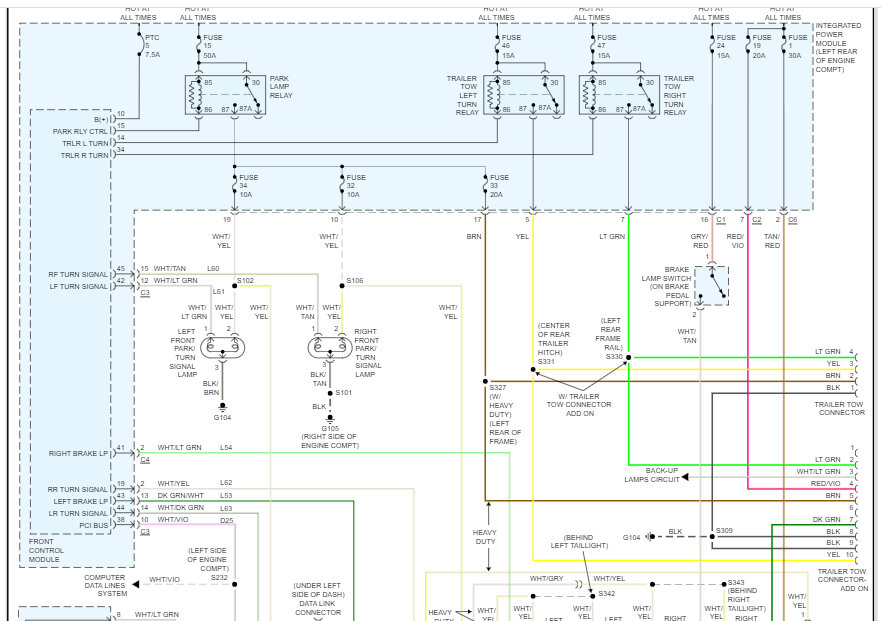
Park lamps use a driver in the front control module that is part of the TIPM (totally integrated power module). Power from the module is sent to a parking lamp relay and then through a fuse to the lamps.

I attached the wiring schematic below, so you have a reference. Here is what I want you to try. Disconnect the battery for about ten minutes and see if it resets the control module.

Let me know if that takes care of the issue.

Take care,

joe

See pics below.
Was this
answer
helpful?
Yes
No
Wednesday, December 21st, 2022 AT 9:54 PM

Please login or register to post a reply.