Taillights not working

Tiny
APRILPETERSEN
  • MEMBER
  • 1995 HONDA PRELUDE
  • V6
  • 100,000 MILES
No taillights or dash lights. Help please, how and where do I fix it?
Saturday, July 28th, 2018 AT 2:58 AM

1 Reply

Tiny
KEN L
  • MASTER CERTIFIED MECHANIC
  • 55,420 POSTS
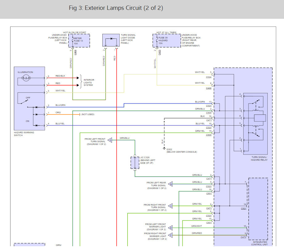
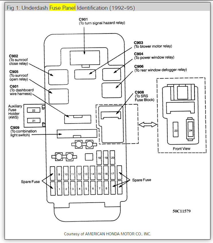
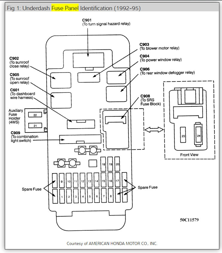
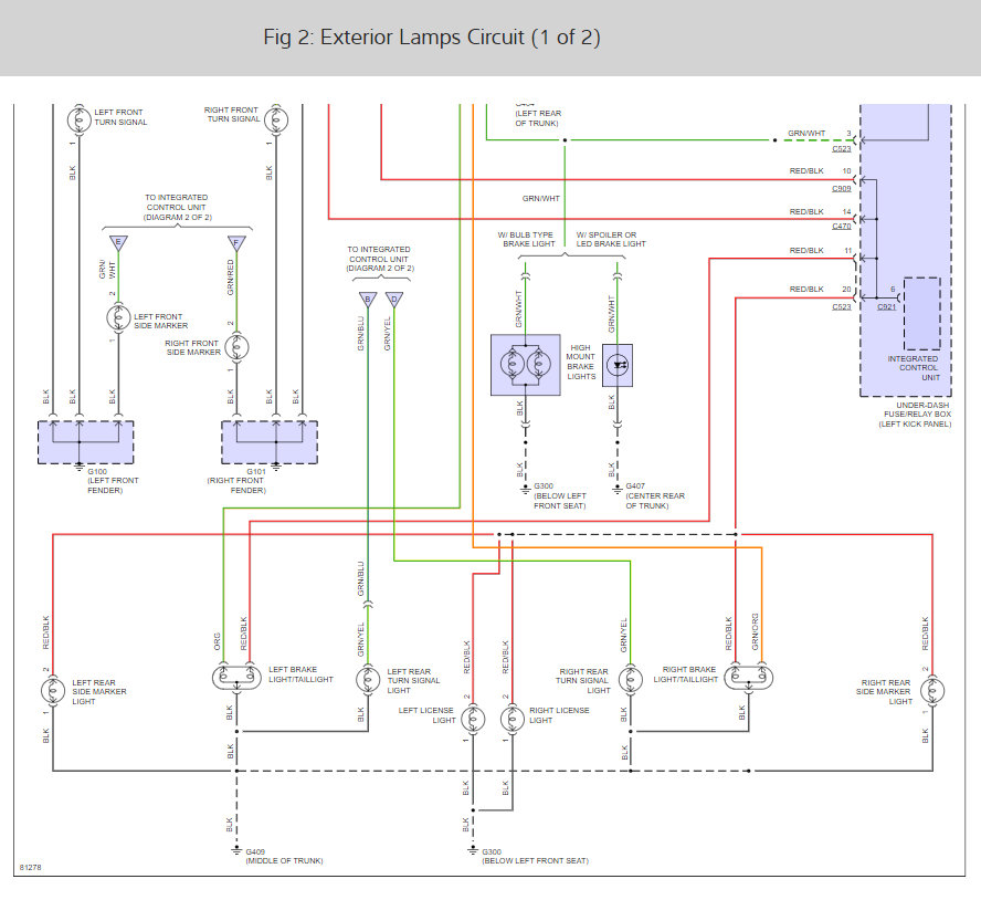
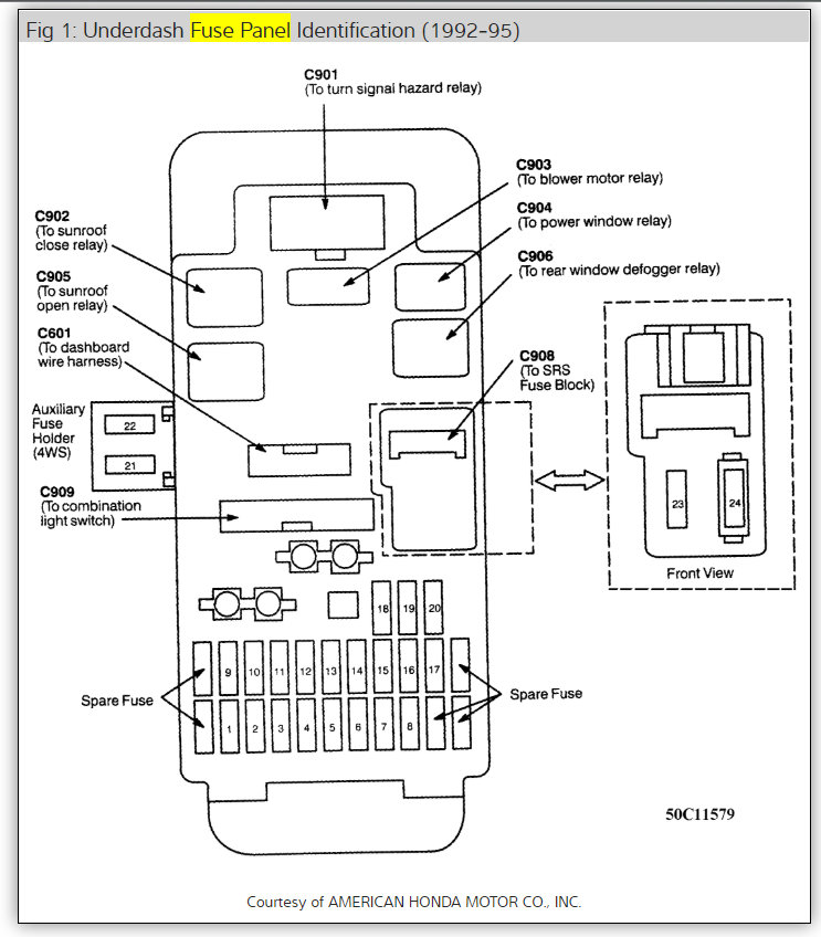
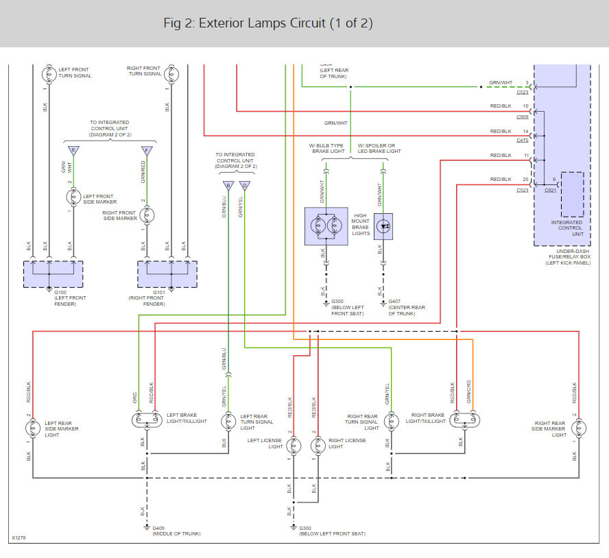
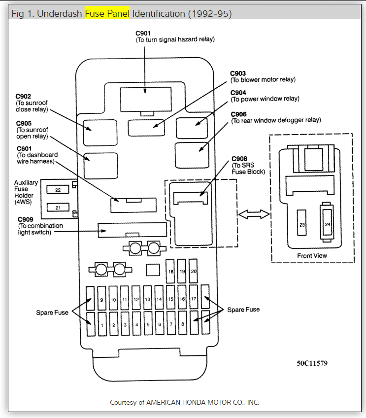
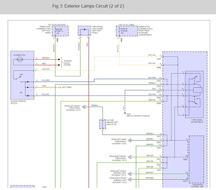
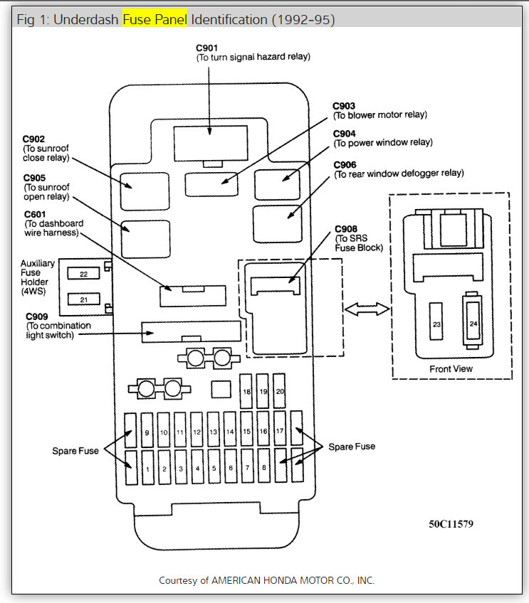
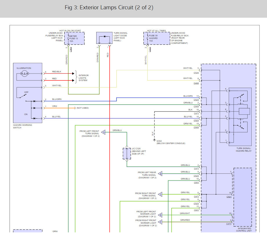
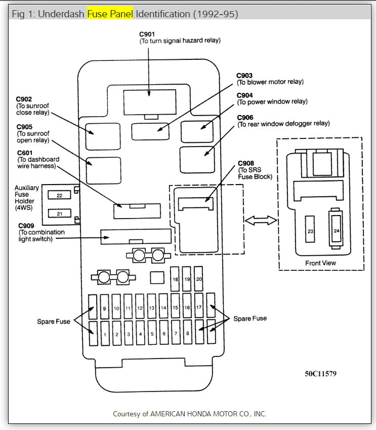
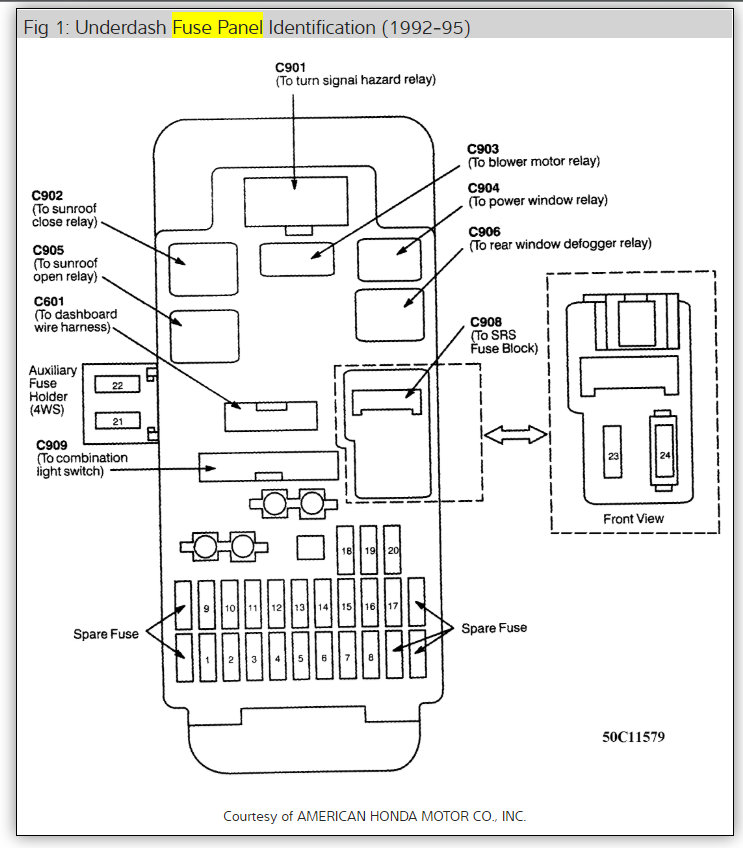
It sounds like you have a fuse out. Here is a guide to help you test to confirm the issue and the fuse location and the blinker wiring to see how the system works:

https://www.2carpros.com/articles/how-to-check-a-car-fuse

Check out the diagrams (below). Please let us know what happens.

Cheers, Ken
Was this
answer
helpful?
Yes
No
Sunday, July 29th, 2018 AT 1:51 PM

Please login or register to post a reply.