Taillights not working?

Tiny
YK16
  • MEMBER
  • 2009 ACURA TL
  • 120,000 MILES
Both taillights (for night driving) stopped working. The fuses are okay. I replaced them but they're still not working. Any ideas?
Thanks.
Monday, April 10th, 2023 AT 7:35 PM

1 Reply

Tiny
KEN L
  • MASTER CERTIFIED MECHANIC
  • 55,488 POSTS
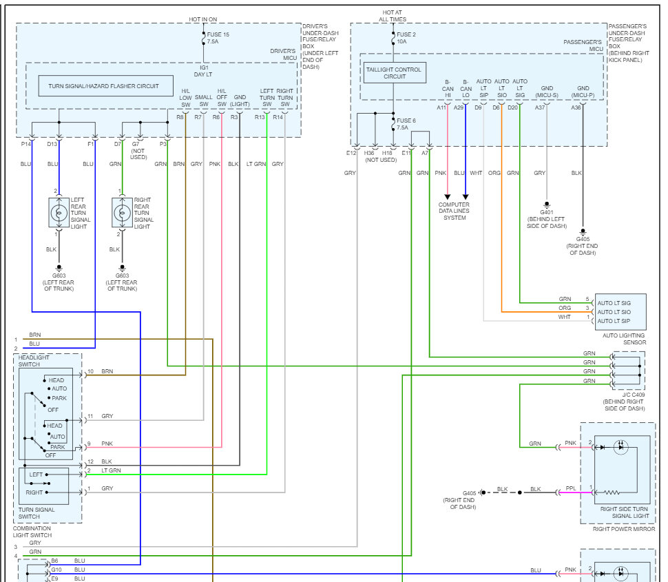
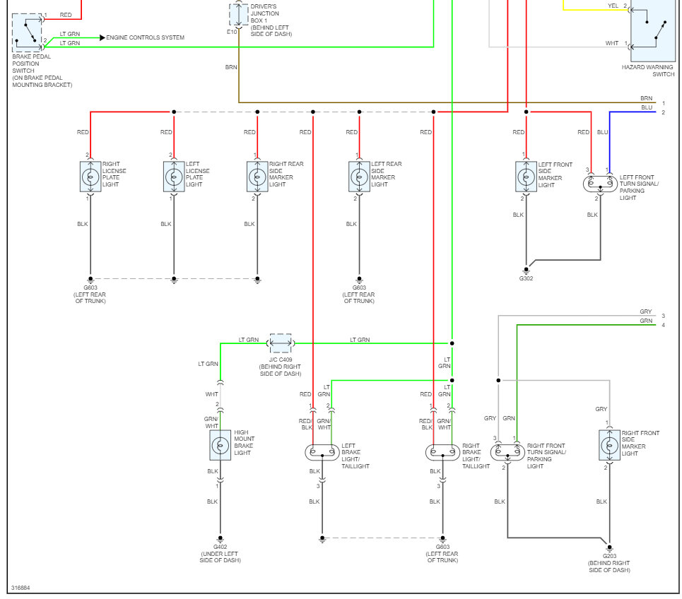
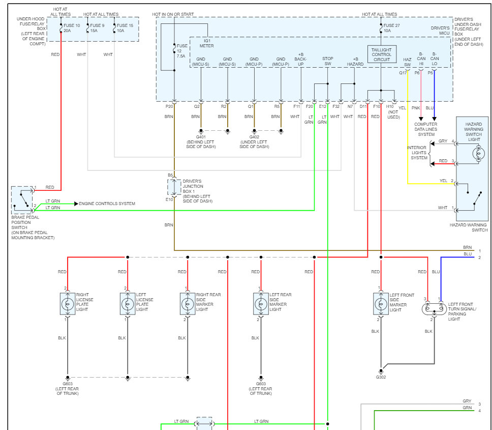
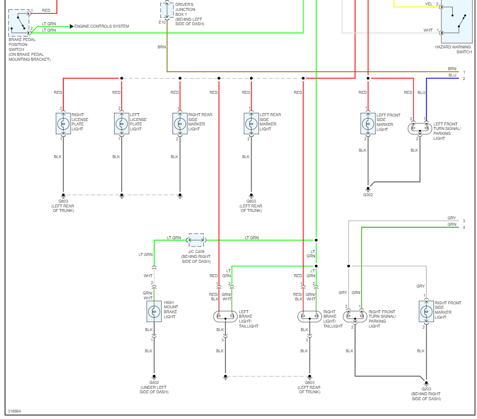
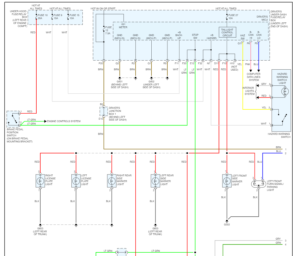
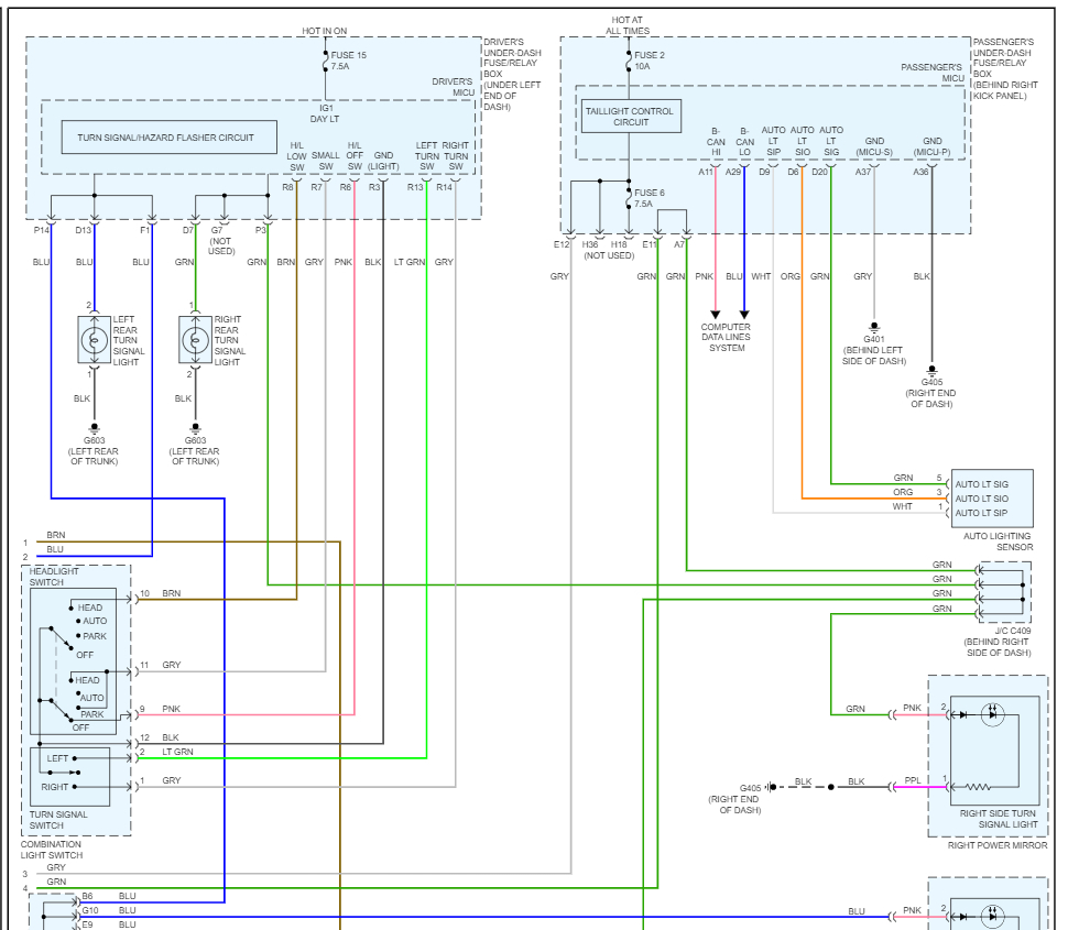
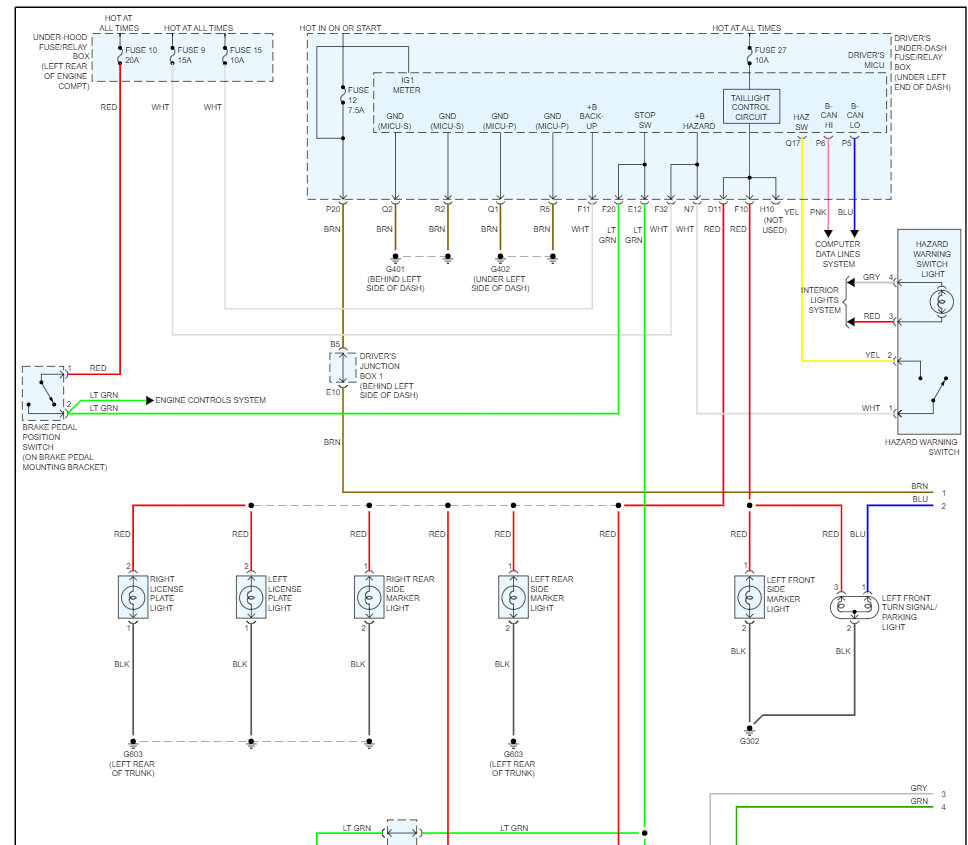
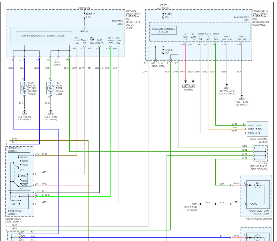
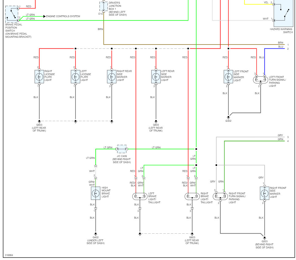
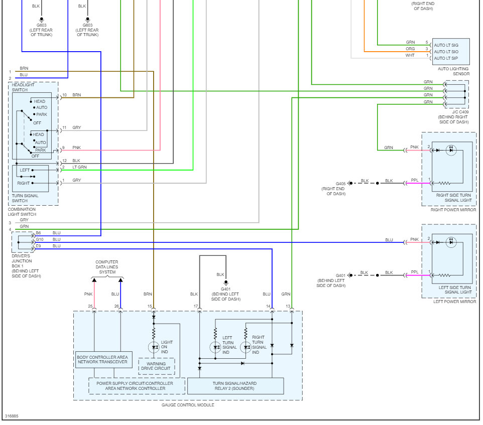
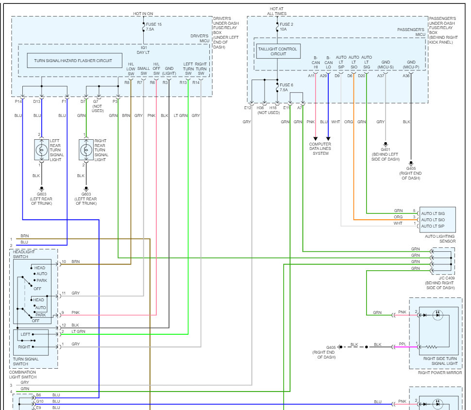
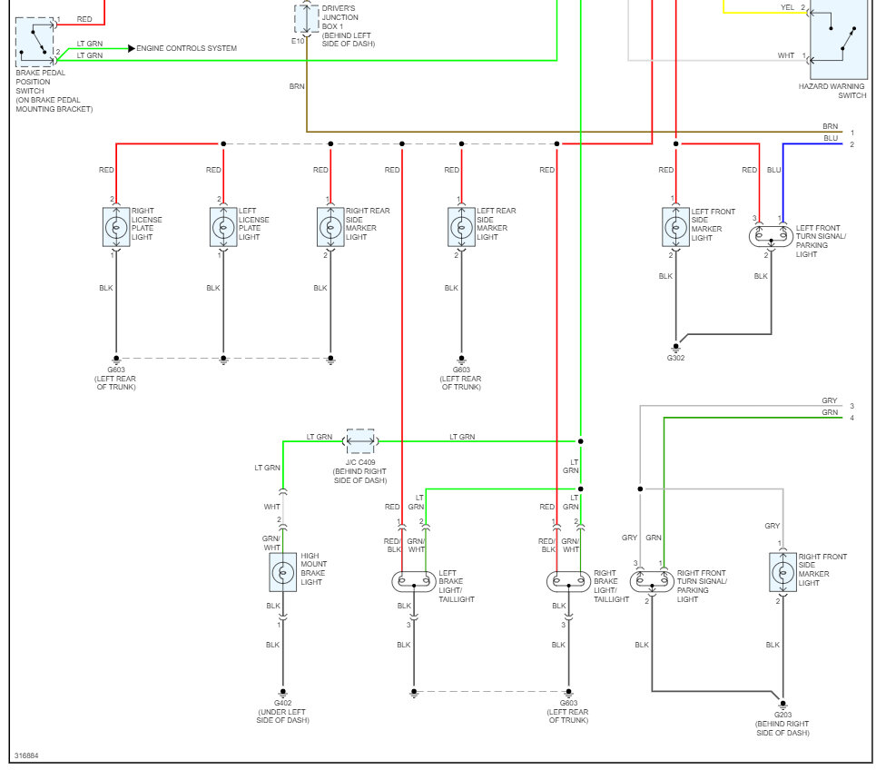
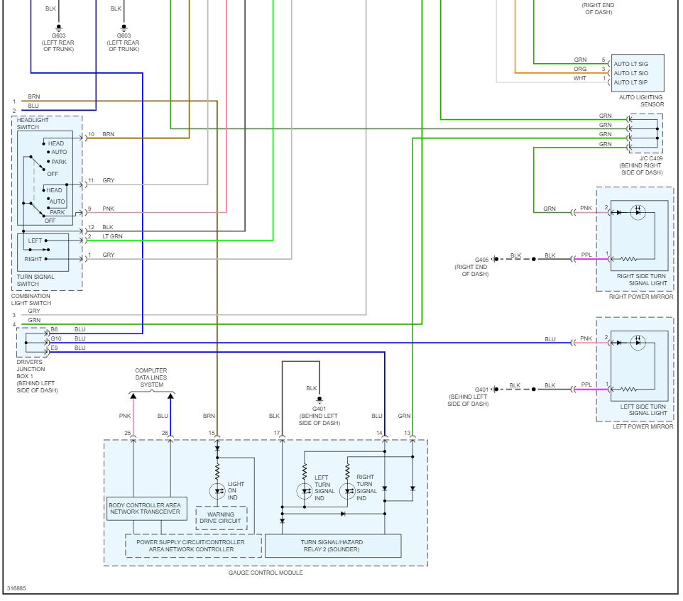
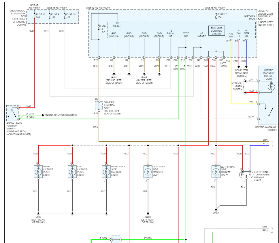
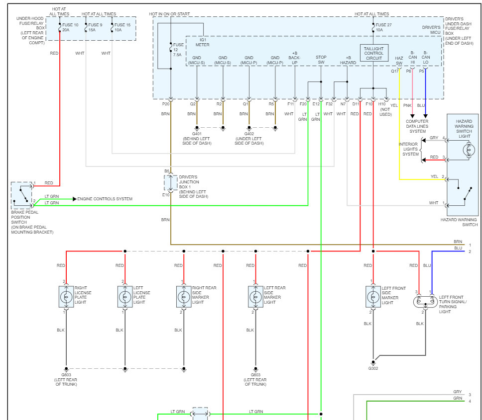
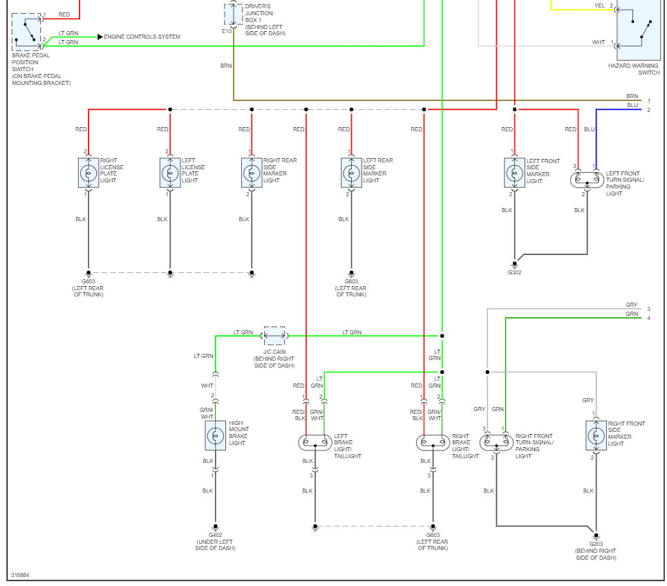
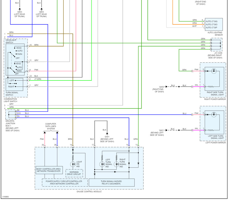
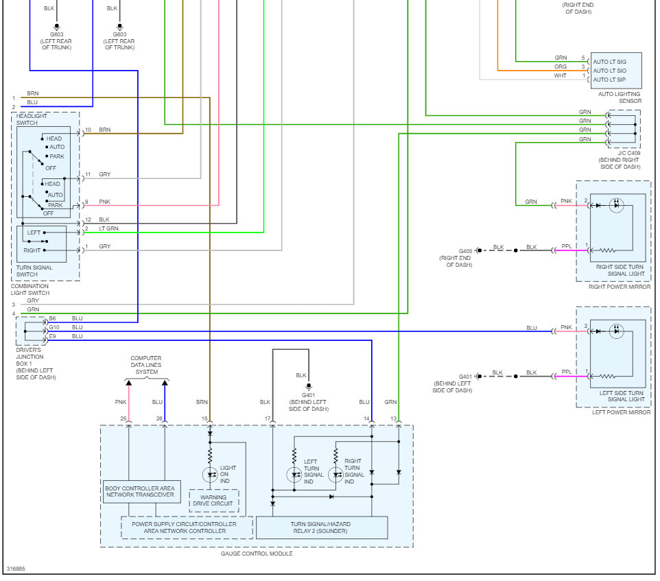
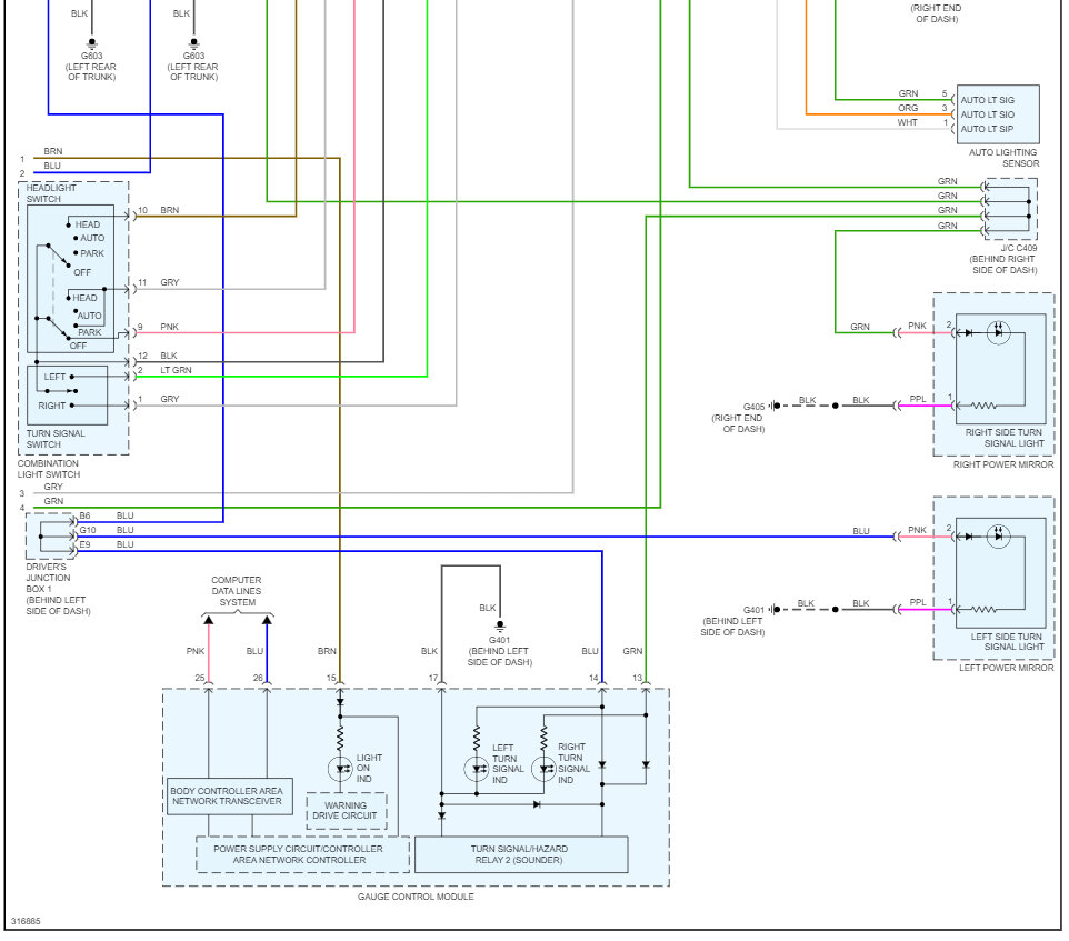
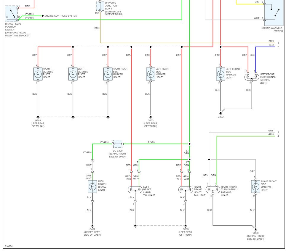
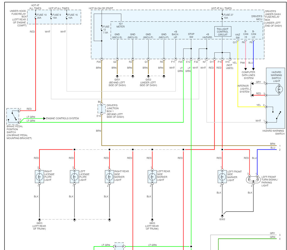
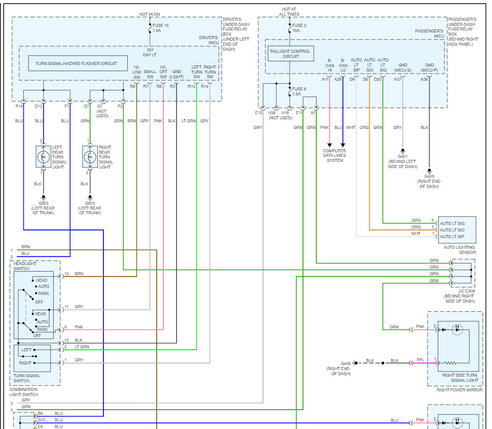
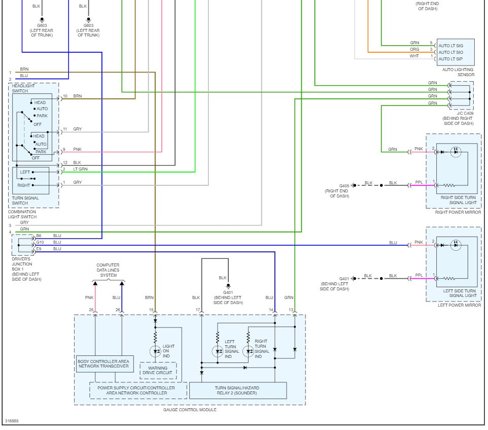
Yep, I have seen the passenger's side MICU go out causing this issue. Here are the wiring diagrams for the system so you can see how the lights work and I have included how to change out the control unit to help fix the problem. Check out the images (below). Please let us know what happens.
Was this
answer
helpful?
Yes
No
Tuesday, April 11th, 2023 AT 11:32 AM

Please login or register to post a reply.