Taillights diagram needed

1997 DODGE RAM
200,000 MILES • 5.9L • V8 • 2WD • AUTOMATIC
Avatar
LMACKSAND61
  • MEMBER
  • 4 POSTS
The trailer lights stopped working. I am looking for a wiring diagram for taillights. I have the truck listed above 1500. I need a wiring diagram for taillights to put a pigtail for a trailer on my truck. I would like the color code for the wires.
May 9, 2022 at 4:51 PM
Repair Safety Notice: This information is for general instructional purposes only. Vehicle repair can be dangerous. Verify all information, follow manufacturer service procedures, use proper tools and safety equipment, and consult a qualified repair shop when needed.
Advertisement
Avatar
CARADIODOC
  • AUTOMOTIVE REPAIR CONTRIBUTOR
  • 34,308 POSTS
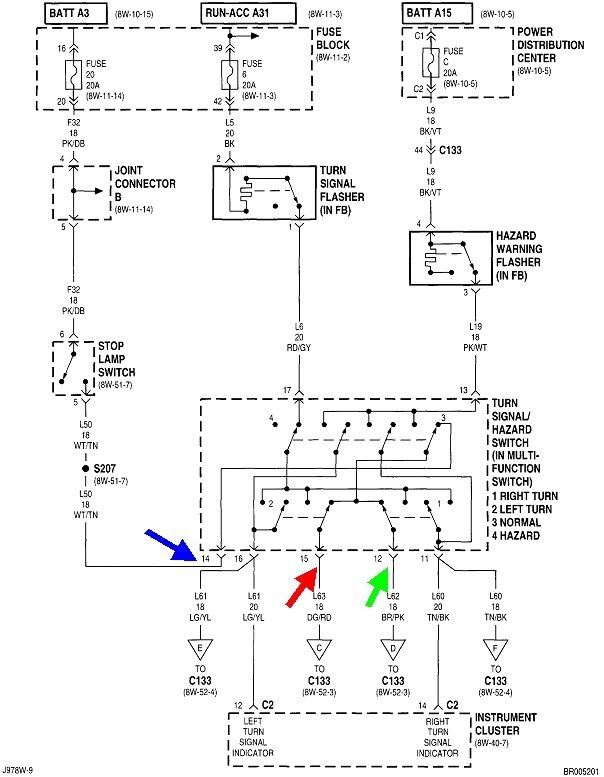
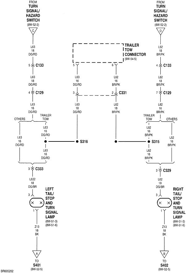
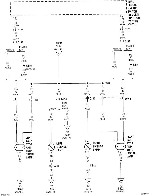
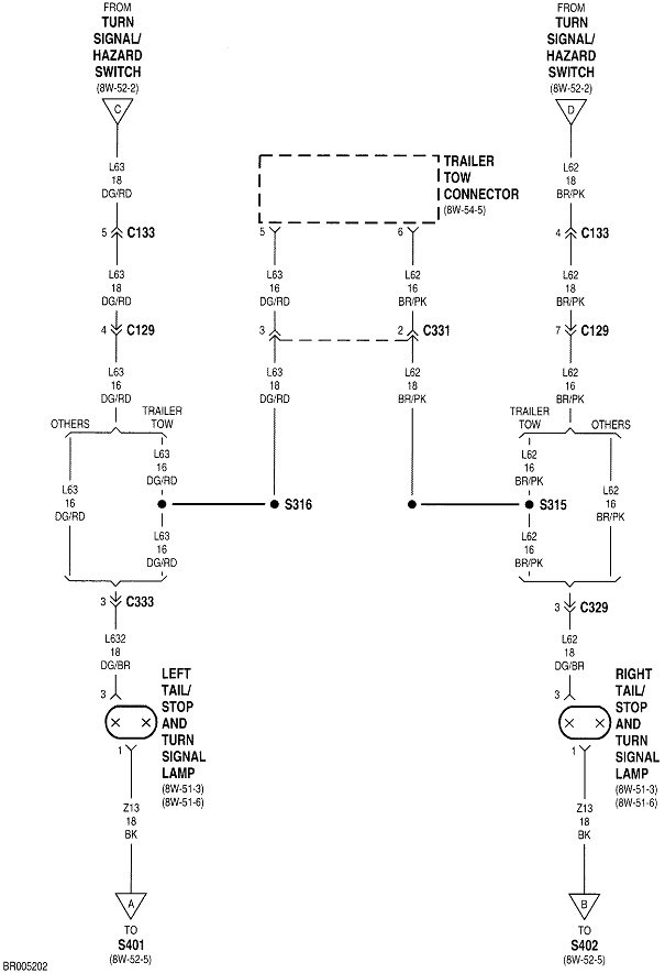
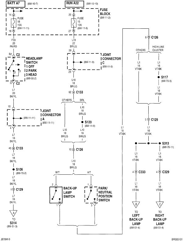
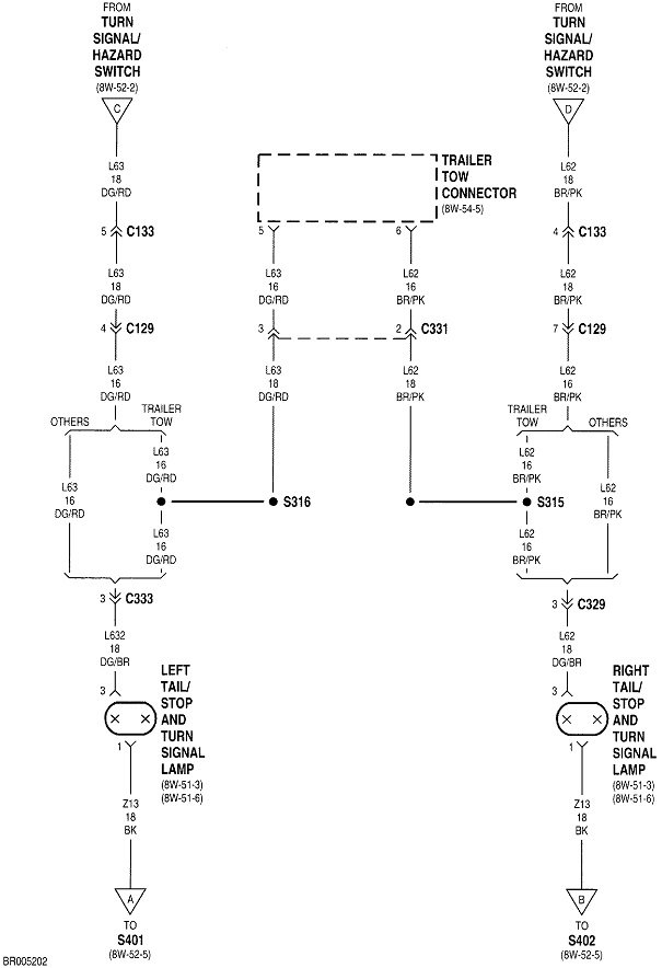
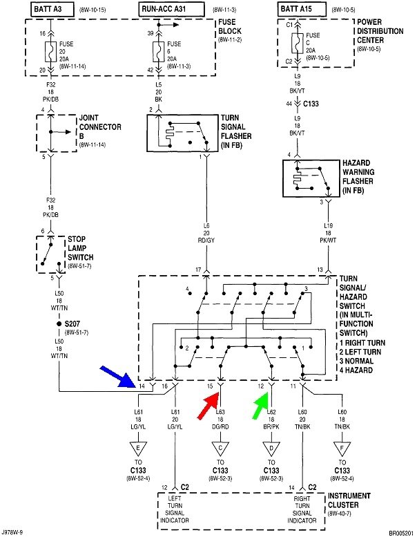
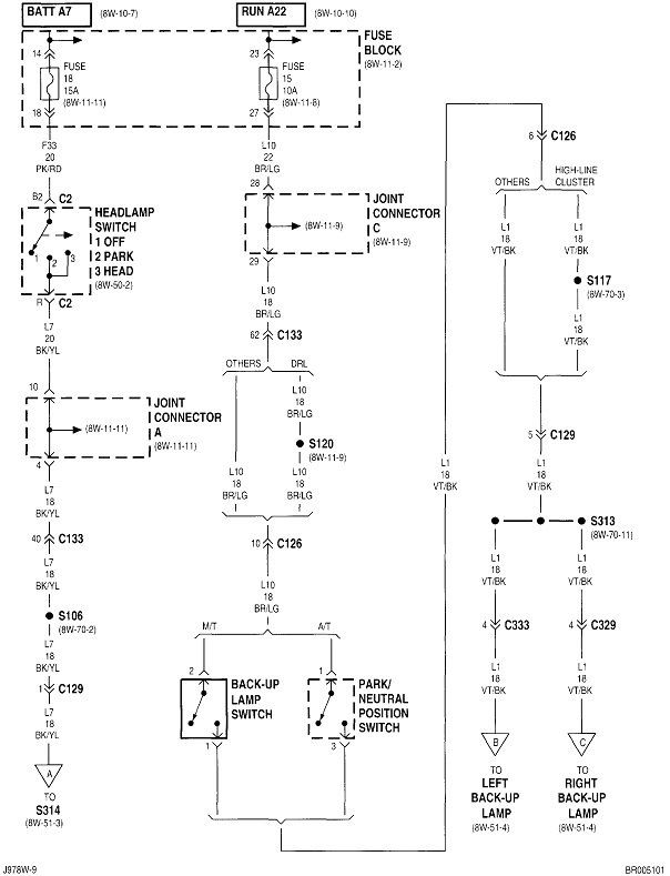
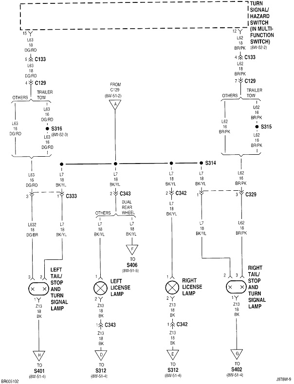
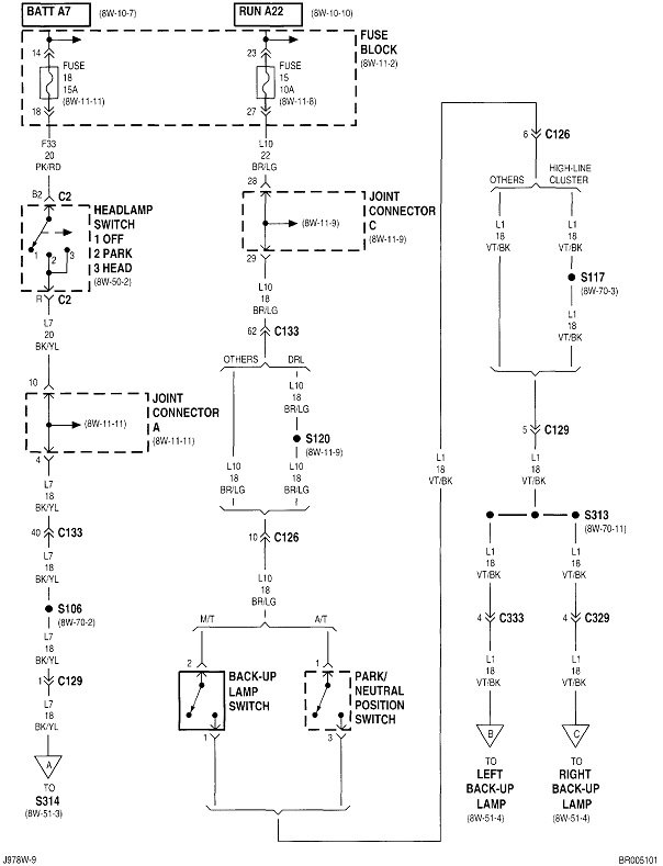
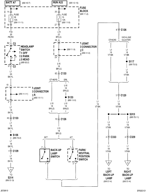
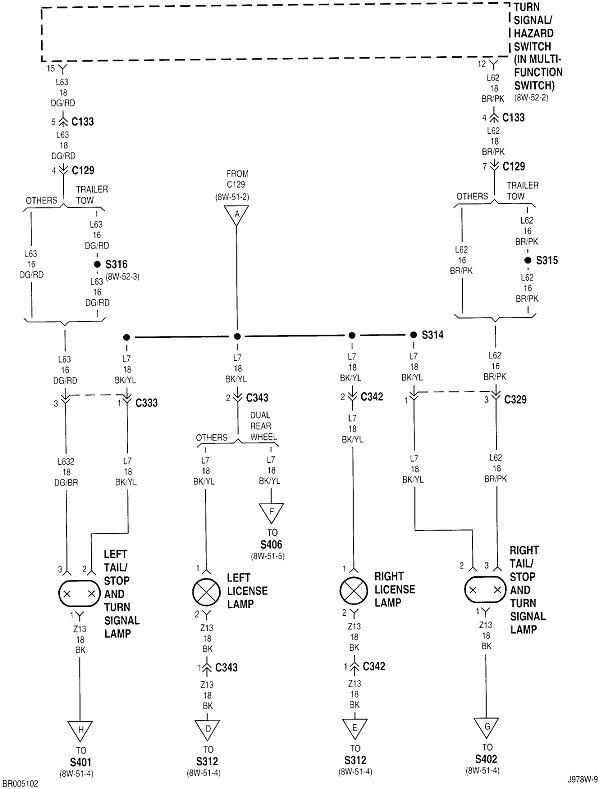
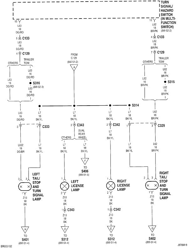
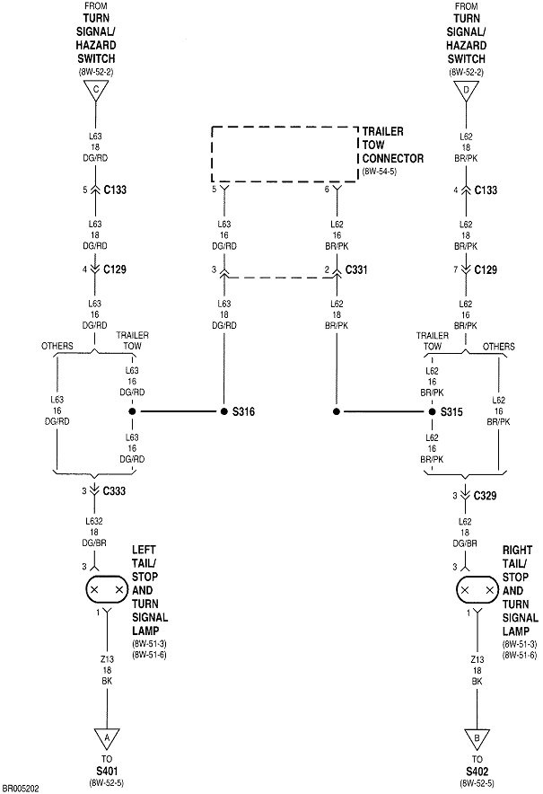
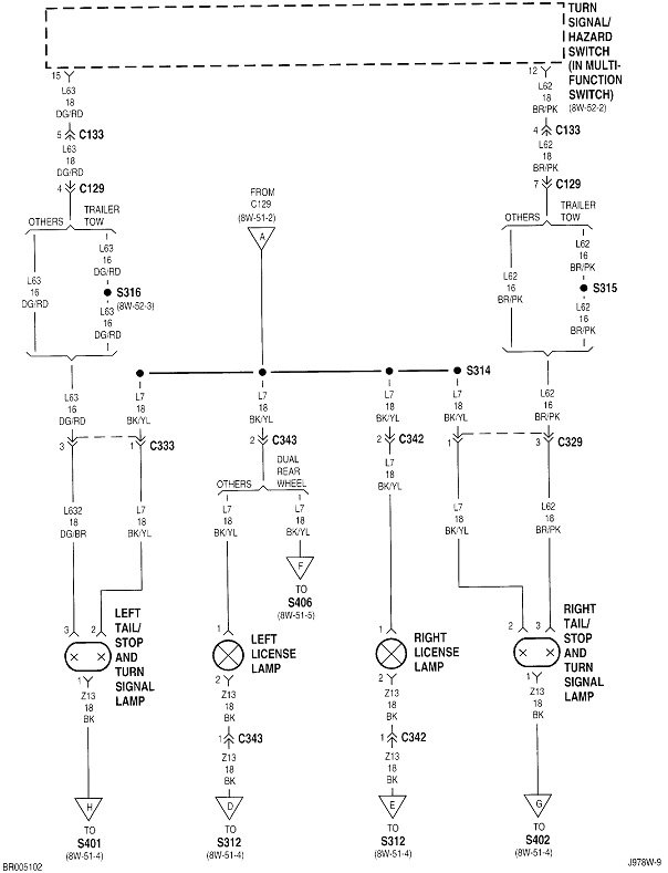
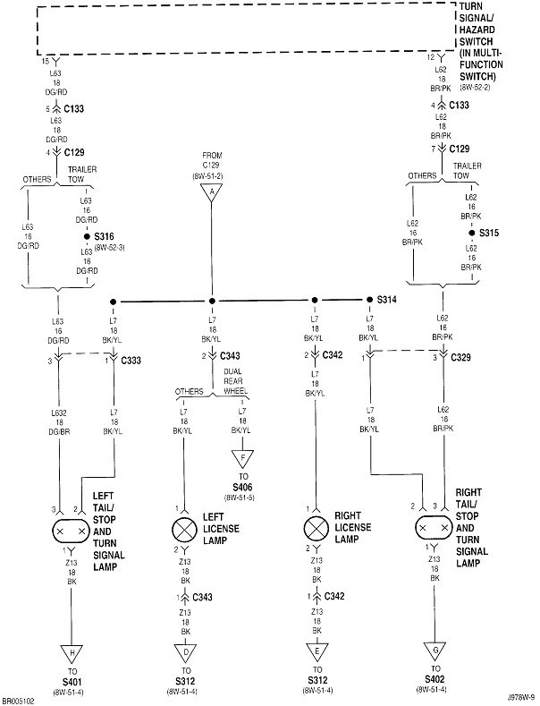
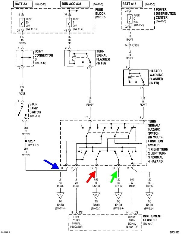
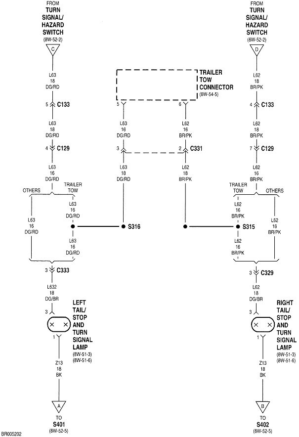
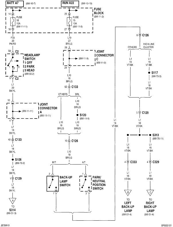
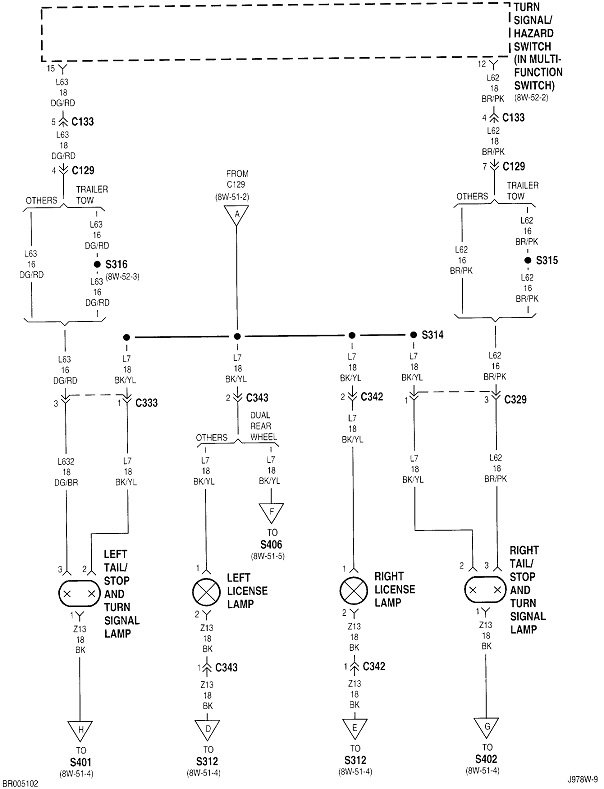
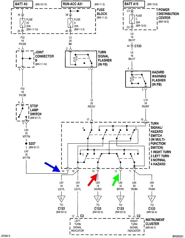
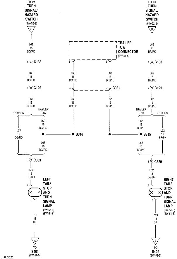
Here's all of the diagrams for the rear lighting. There are references to trailer tow options on some of them. Where I would start is by observing the rear lights to see if the same bulbs light up for the brake and turn signal functions. If they do, connecting the trailer wiring is a simple affair.

If you have one bulb that is for the brake light and one taillight, and a different bulb for the turn signal and another taillight, connecting the trailer becomes much more involved. If you pick one of them to add the trailer harness to, you'll have only a brake light or only a turn signal on the trailer. If you connect both truck bulbs on one side to the trailer's harness, you'll have both truck's bulbs on one side doing both functions, as well as the front signal bulbs turning on for brake lights. To connect the trailer harness there's adapter harnesses for that which include a pair of relays for each side.

By at least the mid 2000s, the "Power Distribution Center, (PDC), or under-hood fuse box, included relays for the trailer functions. One relay turns the trailer's light on for the brake function, and a different relay turns the same circuit on for the signal function, while still keeping both circuits isolated from each other on the truck. Often there was a connector in the rear to connect the trailer harness directly with no other modifications needed. I don't know which year that became standard, but check for that before you go through a lot of work with other adapter harnesses.

Let me know if this helps or if you need help with the diagrams. I'm here every night to follow up as needed.
May 9, 2022 at 7:31 PM
Advertisement
Avatar
LMACKSAND61
  • MEMBER
  • 4 POSTS
thank you, Mr., Randy. I put these wires on a couple years ago. Since my arthritis has gotten worse and i need a diagram so after i got under. The truck i could get done faster and would be able to still get off the ground. This did help and i thank you very much. I still wish i had my golden anniversary gt. 1964 Dart convertible. I paid $35.00 for it when i bought it drug it home and blew the vinal top to pieces. I put a tow bar on it pulled it with my 340 Demon at about 130 MPH. Just to get away from where i got the car. Before they changed their mind. But i did have title in hand. But that won't stop a bullet. The car was original slant six, i put another 340 in it with the four speed that was already in the car made thar little dart a lot of fun. Cops didn't care for it much, the deputy sheriff said that it was a hard one to see much less catch. They didn't have all of Hitler's Gestapo like today. What a blast in the past it is a bummer the way things are today. Well, I will shut up and again thank you for your help. Don't have my old Chilton's anymore. One at part stores today, are not worth a darn. God bless –
May 10, 2022 at 3:46 AM
Avatar
CARADIODOC
  • AUTOMOTIVE REPAIR CONTRIBUTOR
  • 34,308 POSTS
I had six or seven Darts and Demons. I put a 340 into a '72 318 Demon. Raced that car but could never make it handle nearly as well as my friend could. Also raced a '72 Barracuda. Still have a '72 Challenger but it's all apart with the body sitting in my friend's body shop for many years. My daily driver now is a 2014 Ram 1500 with the 5.7 Hemi. A lot of our local deputies have them too. Even the Sheriff's Dept. has a few of them. REAL fun to drive when someone needs to be passed.

Please keep me updated on your progress.
May 10, 2022 at 2:50 PM