Reverse lights not working, reverse light switch location?

Tiny
STEVE STERN
  • MEMBER
  • 2008 FORD RANGER
  • 2.3L
  • 4 CYL
  • 2WD
  • 150,000 MILES
What should I check, fuse, sensor? Where are these located?
Monday, September 3rd, 2018 AT 5:25 AM

20 Replies

Tiny
ASEMASTER6371
  • MECHANIC
  • 52,796 POSTS
Good morning.

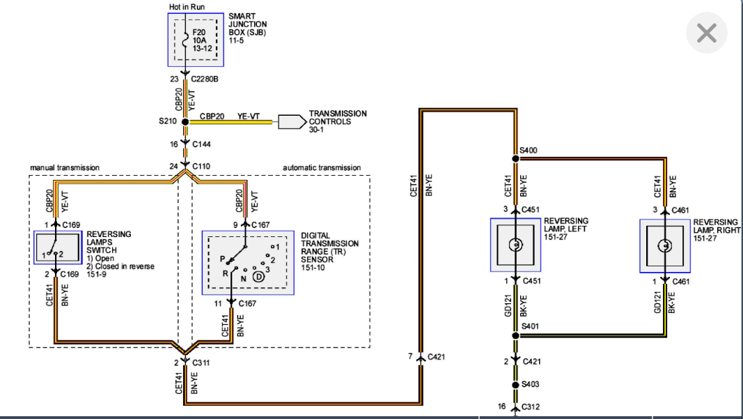
I attached a wire diagram for you to view.

There is a fuse in the smart junction block. Fuse number 20, a 10 amp fuse, should feed the circuit. It is hot with the key on. Use a test light to verify power on both sides of the fuse.

Do you have a stick shift or automatic transmission?

Roy
Was this
answer
helpful?
Yes
No
Monday, September 3rd, 2018 AT 5:43 AM
Tiny
CARMADBOB
  • MEMBER
  • 3 POSTS
  • 2005 FORD RANGER
  • 2.0L
  • 6 CYL
  • TURBO
  • 4WD
  • MANUAL
  • 125,000 MILES
Reverse lights do not work. Checked fuse and bulbs both okay. I have checked voltage at the bulbs connectors and have get twelve volts when reverse is selected but the bulbs still do not work. I am baffled, can anyone help?
Thanks,
Bob
Was this
answer
helpful?
Yes
No
+1
Wednesday, June 2nd, 2021 AT 1:26 PM (Merged)
Tiny
CARADIODOC
  • MECHANIC
  • 34,489 POSTS
Leave the bulbs in their sockets, then check for voltage on both terminals. If the twelve volts is gone, I will explain why a test light would be more accurate than a voltmeter. If you find twelve volts on both terminals, the ground circuit is open. Look for a cut wire, rusted ground connection on the body, or the ground wire is corroded off the socket.
Was this
answer
helpful?
Yes
No
+1
Wednesday, June 2nd, 2021 AT 1:26 PM (Merged)
Tiny
CARMADBOB
  • MEMBER
  • 3 POSTS
Cannot access the connection at the back of the bulb holder's have already checked for broken or damaged cables nothing found continuity on both cables okay.
Was this
answer
helpful?
Yes
No
Wednesday, June 2nd, 2021 AT 1:26 PM (Merged)
Tiny
CARADIODOC
  • MECHANIC
  • 34,489 POSTS
Cannot diagnose it without voltage measurements. Perhaps you can poke your test probe alongside the wires where they go into the socket. I assume you have the newer 3157 bulb with the flat plastic base. There is usually enough of the wire terminals exposed to allow readings to be taken right on the base of the bulb. For the older 1157s and 1156s, the round brass base was the ground terminal, and enough of that was exposed to allow readings to be taken. Those also had a common problem with the center terminal in the socket getting hot, and the plastic insulator would melt, then the terminal would sink away from the bulb and lose contact. Adding a drop of solder to the terminal on the bottom of the bulb often solved that.
Was this
answer
helpful?
Yes
No
Wednesday, June 2nd, 2021 AT 1:26 PM (Merged)
Tiny
CARMADBOB
  • MEMBER
  • 3 POSTS
Thanks you for your reply I think we have the older type of bulb holder's so I Will try your suggestions as soon as I can.
Thanks
Was this
answer
helpful?
Yes
No
Wednesday, June 2nd, 2021 AT 1:26 PM (Merged)
Tiny
BOBDORE
  • MEMBER
  • 1 POST
  • 2001 FORD RANGER
  • 4 CYL
  • 4WD
  • MANUAL
  • 25,000 MILES
Where is the backup light switch located in my 2001 Ranger. My backup lights work intermittently I want to change it but I need to find it.
Was this
answer
helpful?
Yes
No
Wednesday, June 2nd, 2021 AT 1:26 PM (Merged)
Tiny
MHPAUTOS
  • MECHANIC
  • 31,937 POSTS
Hi there,

It is on the top left side of the transmission.


https://www.2carpros.com/forum/automotive_pictures/61395_switch_4.jpg



Mark (mhpautos)
Was this
answer
helpful?
Yes
No
+2
Wednesday, June 2nd, 2021 AT 1:26 PM (Merged)
Tiny
KEN L
  • MASTER CERTIFIED MECHANIC
  • 55,488 POSTS
Please let us know what happens.

Cheers, Ken
Was this
answer
helpful?
Yes
No
Wednesday, June 2nd, 2021 AT 1:26 PM (Merged)
Tiny
JTP39180
  • MEMBER
  • 1 POST
  • 1999 FORD RANGER
  • 4 CYL
  • 2WD
  • MANUAL
  • 11,300 MILES
I have checked the bulbs and the fuse but the backup lights just dont work.
Was this
answer
helpful?
Yes
No
Wednesday, June 2nd, 2021 AT 1:26 PM (Merged)
Tiny
FLEXY5
  • MECHANIC
  • 512 POSTS
Check the reverse position switch on the side of the trans. It's on the driver side to the rear. It should be the smaller of the two sensors. The other is the Neutral safety switch.
Was this
answer
helpful?
Yes
No
+2
Wednesday, June 2nd, 2021 AT 1:26 PM (Merged)
Tiny
MOVLYGUY
  • MEMBER
  • 3 POSTS
  • 1995 FORD RANGER
  • 6 CYL
  • 2WD
  • MANUAL
  • 42,250 MILES
I just realized that all (including cab) back-up lights don't work when I put the vehicle in reverse. The fuse is good, however I have aftermarket euro tail lights & a hurst shifter. Is there any reason why the shifter would not engage the back-up switch or the rear light assemblies could be the culprit? Thanks.

JP in SOCAL
Was this
answer
helpful?
Yes
No
Wednesday, June 2nd, 2021 AT 1:26 PM (Merged)
Tiny
RACEFAN966
  • MECHANIC
  • 5,029 POSTS
Is the reverse light switch on the trans any good? Have you checked that switch? If not then I would and if you need any help with wiring colors and what they do then get back to me and I will look over the wiring diagrams and get that info for you. Let me know how it goes and what you need.
Was this
answer
helpful?
Yes
No
Wednesday, June 2nd, 2021 AT 1:26 PM (Merged)
Tiny
MOVLYGUY
  • MEMBER
  • 3 POSTS
Thanks racefan for the prompt reply. I'm thinking you are right about the reverse light sw being the issue, will be looking into that next. Not sure how to test, probably should just replace? Any insight on this would be helpful. Thanks again!

JP
Was this
answer
helpful?
Yes
No
Wednesday, June 2nd, 2021 AT 1:26 PM (Merged)
Tiny
RACEFAN966
  • MECHANIC
  • 5,029 POSTS
It is very easy to replace just unplug remove and replace and plug back in. If you still have problems then I will look over the wiring diagram and walk you though some testing. If you would like to test it first then let me know and I will walk you through it first to make sure it is bad. Let me know what you want to do.
Was this
answer
helpful?
Yes
No
Wednesday, June 2nd, 2021 AT 1:26 PM (Merged)
Tiny
JONN
  • MEMBER
  • 2 POSTS
  • 1993 FORD RANGER
All exterior lights work except the reverse lights. I've replaced the bulbs but they still don't light when backing up. I assume it's switch, but I don't know where it is. I've got the "Haynes Repair Manual", but there is no mention of it. Thanks for your help.
Was this
answer
helpful?
Yes
No
Wednesday, June 2nd, 2021 AT 1:26 PM (Merged)
Tiny
FAIRRACING31
  • MECHANIC
  • 150 POSTS
John, on a automatic it is your neutral saftey switch, follow your gear selector linkage to your tranny, Where your gear selector goes into the tranny is where your switch is, it should have two bolts that hold it in. On a manuel, I believe it is on top of the tranny, closer to drivers side about half way back. Hope this helps.
Was this
answer
helpful?
Yes
No
Wednesday, June 2nd, 2021 AT 1:26 PM (Merged)
Tiny
MOVLYGUY
  • MEMBER
  • 3 POSTS
Got new sw a local Napa, (in stock), will advise when replaced. Thanks for the advice.

JP
Was this
answer
helpful?
Yes
No
Wednesday, June 2nd, 2021 AT 1:26 PM (Merged)
Tiny
JONN
  • MEMBER
  • 2 POSTS
I just wanted to say thanks. I finally found the switch and replaced it. My reverse lights are working fine again. You da man.
Thanks again,
Jonn
Was this
answer
helpful?
Yes
No
+1
Wednesday, June 2nd, 2021 AT 1:26 PM (Merged)
Tiny
RACEFAN966
  • MECHANIC
  • 5,029 POSTS
Sounds great. Let me know it goes and if it still don't work I look through the wiring diagrams and we will do some test.
N. Idaho
Was this
answer
helpful?
Yes
No
+1
Wednesday, June 2nd, 2021 AT 1:26 PM (Merged)

Please login or register to post a reply.