Taillights not working

Tiny
KEISHACAMERON18
  • MEMBER
  • 2001 JEEP GRAND CHEROKEE LAREDO
  • 4.0L
  • 6 CYL
  • 2WD
  • AUTOMATIC
  • 120,000 MILES
My taillights won't come on. Is there a fuse and where is it?
Sunday, August 2nd, 2020 AT 10:14 PM

1 Reply

Tiny
KASEKENNY
  • MECHANIC
  • 18,907 POSTS
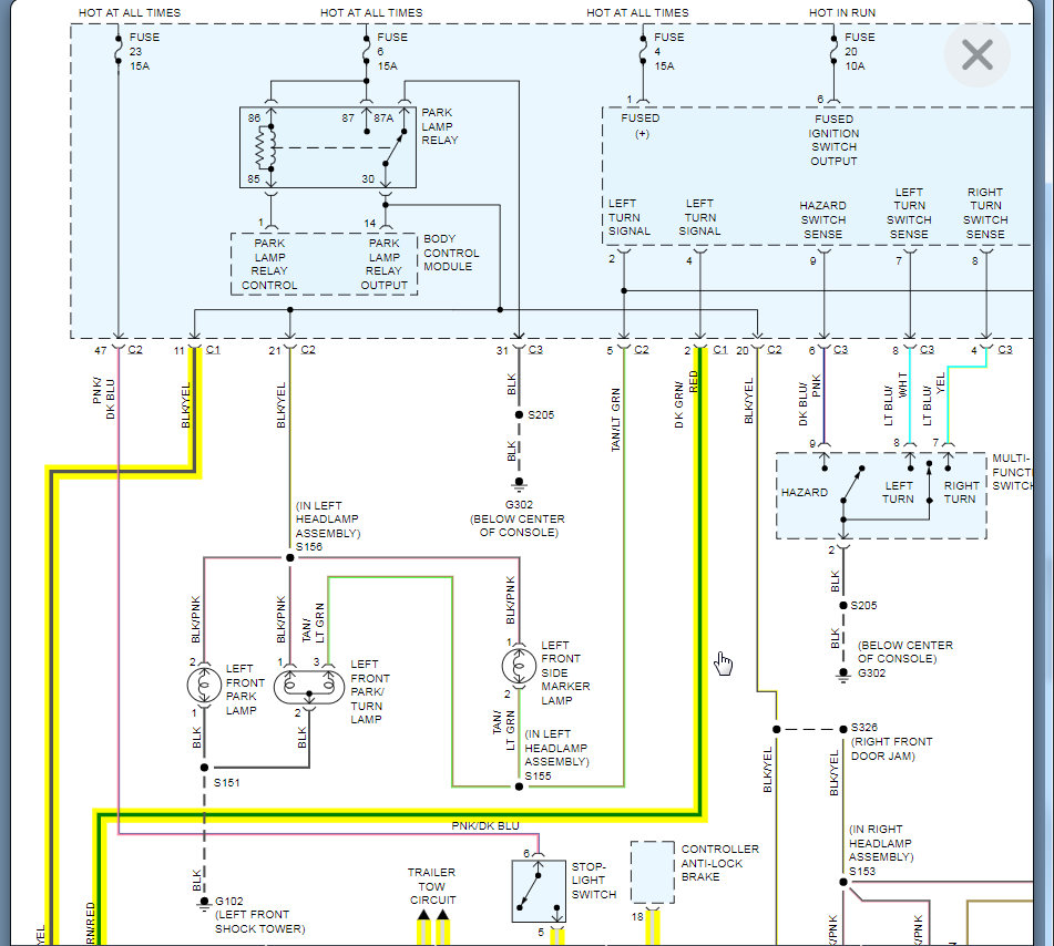
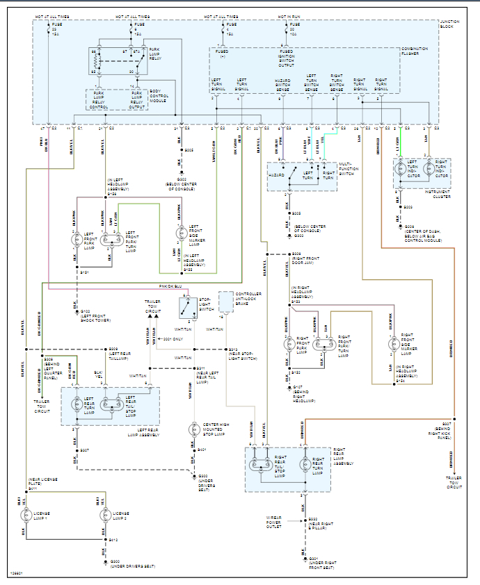
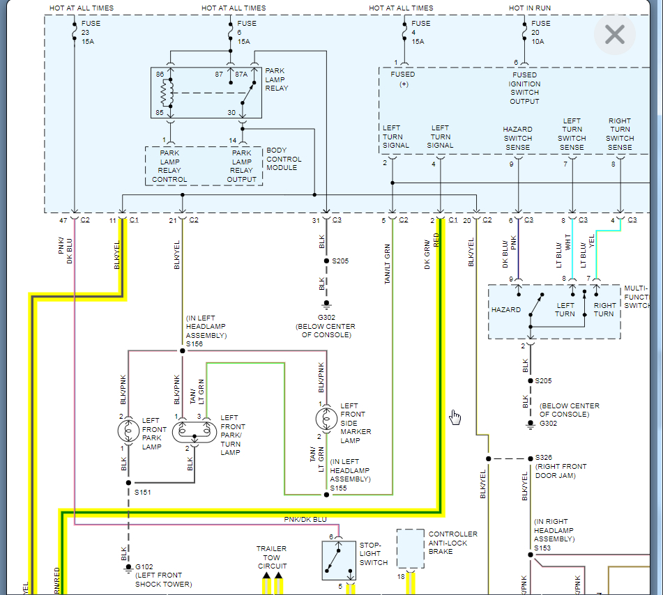
I attached the wiring diagram, as you will see there is not one single fuse that controls the tail lamps. However, if the center high mount lamp does not work either, then I would think the brake lamp switch is the issue. This is on the brake pedal and I attached the procedure for this for your review.

Let me know what you find. Thanks
Was this
answer
helpful?
Yes
No
Monday, August 3rd, 2020 AT 8:22 AM

Please login or register to post a reply.