Tail lights keep going out

Tiny
JAMES LYON
  • MEMBER
  • 1992 CHEVROLET S-10
  • 4.3L
  • V6
  • 2WD
  • AUTOMATIC
  • 250,000 MILES
My tail and dash lights keep going out. Changed fuse one time it worked, did it again changed fuse it did not work.
Sunday, January 28th, 2018 AT 11:28 AM

2 Replies

Tiny
KEN L
  • MASTER CERTIFIED MECHANIC
  • 55,488 POSTS
Hello,

You must be loosing power somewhere are have a shorted wire lets run this test to see whats going on. It sounds like you have a headlight switch that may have gone out.

https://www.2carpros.com/articles/how-to-use-a-test-light-circuit-tester

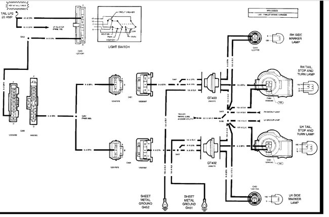
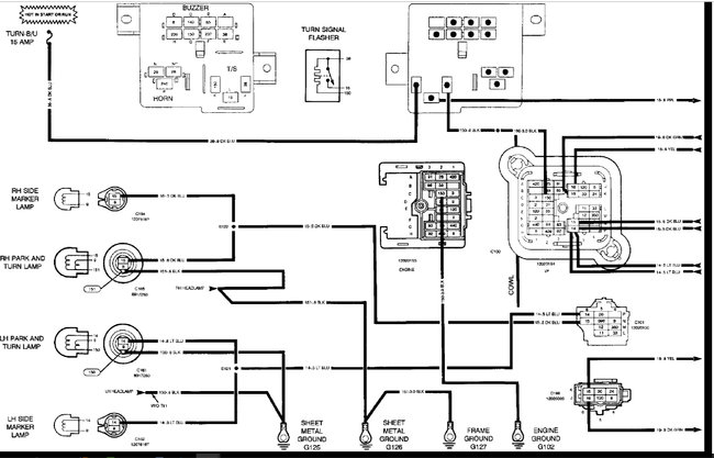
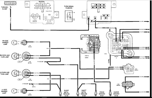
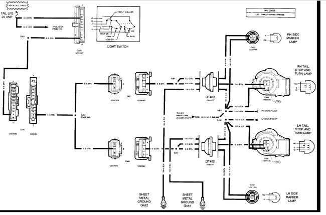
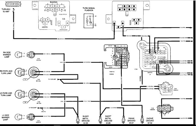
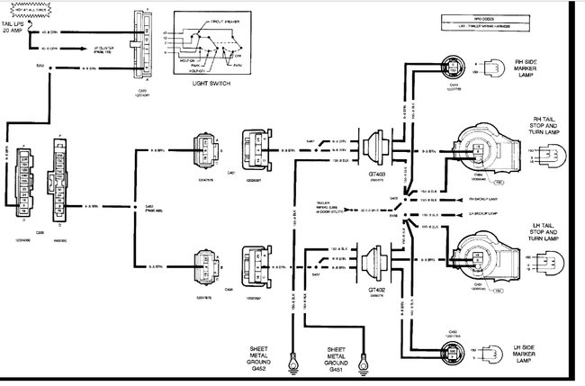
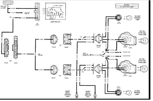
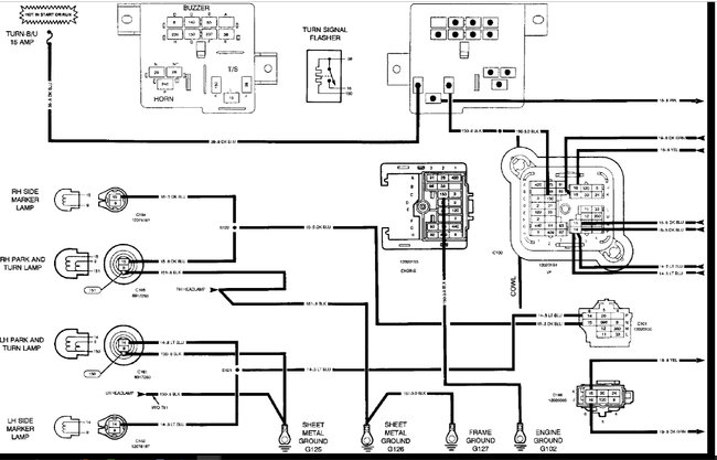
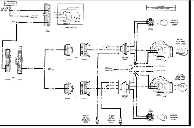
Below are the wiring diagrams for the running lights.

Check out the diagrams (below).

Please let us know what you find. We are interested to see what it is.

Cheers, Ken
Was this
answer
helpful?
Yes
No
Tuesday, January 30th, 2018 AT 11:02 AM
Tiny
JAMES LYON
  • MEMBER
  • 2 POSTS
Thank you I will try that. I have priced the switch if that is what it is.
Was this
answer
helpful?
Yes
No
+1
Tuesday, January 30th, 2018 AT 10:24 PM

Please login or register to post a reply.