Can I get the taillights wiring diagram?

Tiny
POORJOHNN
  • MEMBER
  • 2018 HYUNDAI TUCSON
  • 60,000 MILES
Needing diagram to wire lights to small trailer.
Friday, September 15th, 2023 AT 5:04 AM

1 Reply

Tiny
JACOBANDNICKOLAS
  • MECHANIC
  • 110,194 POSTS
Hi,

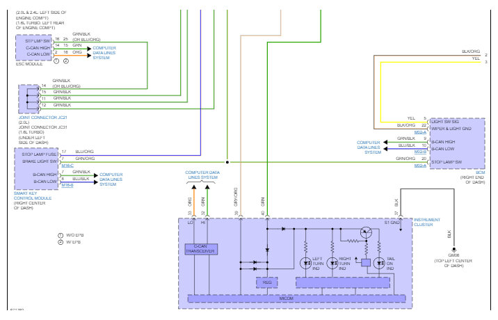
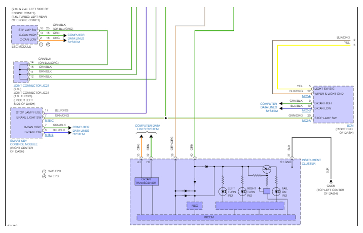
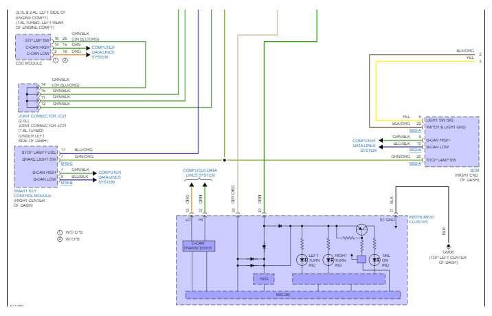
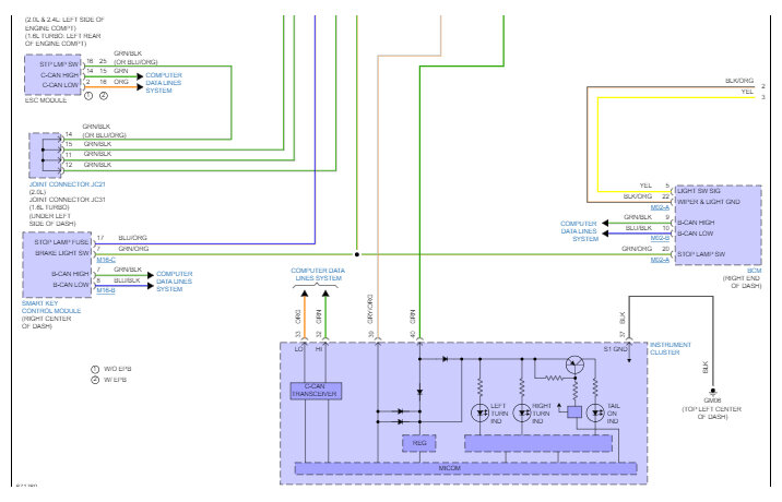
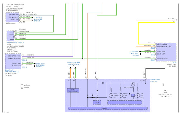
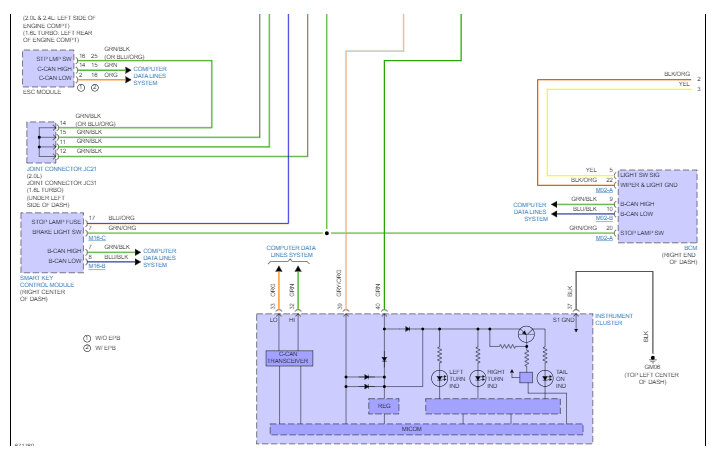
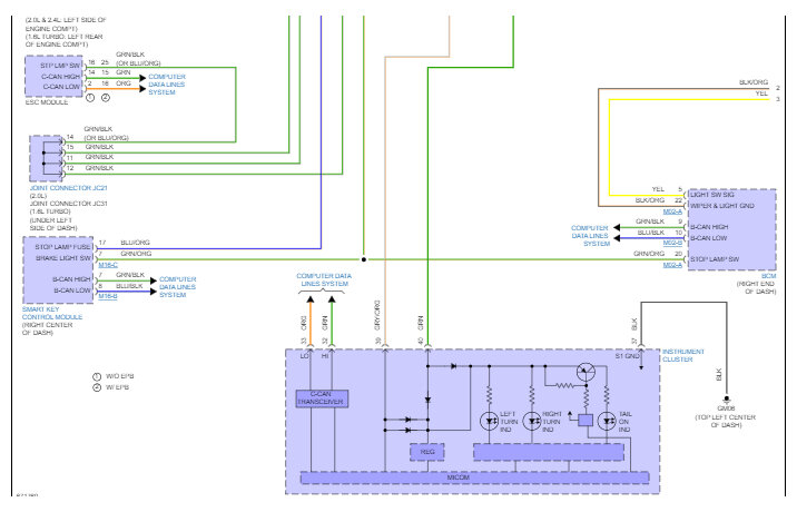
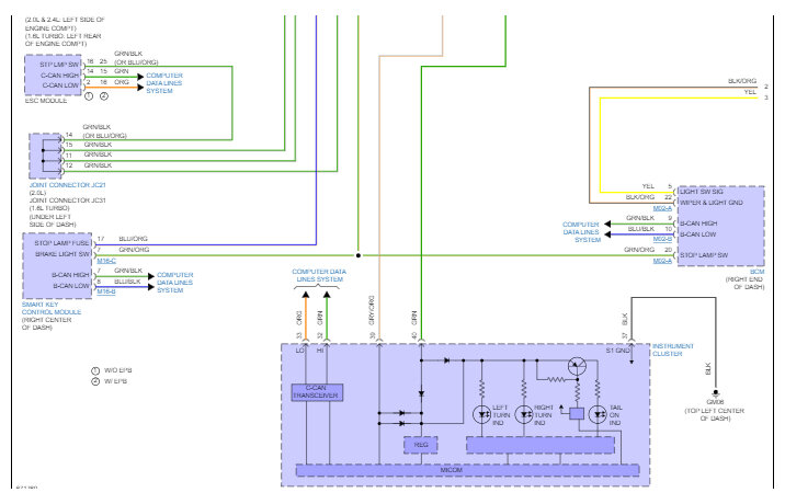
If you look below, I attached the exterior lighting schematics. They were four pages long, but I had to cut them in half to make them readable for you.

I did overlap them so you can follow. Additionally, at the start of each new page, I added what circuit the schematic is for.

Let me know if this helps or if you have other questions.

Take care,

Joe

See pics below.
Was this
answer
helpful?
Yes
No
Friday, September 15th, 2023 AT 8:42 PM

Please login or register to post a reply.