Taillights are not working; can I get a wiring diagram?

Tiny
ARNIEK
  • MEMBER
  • 2004 DODGE GRAND CARAVAN
  • 3.3L
  • 6 CYL
  • 2WD
  • AUTOMATIC
  • 300 MILES
No nighttime rear taillights. 2-Fuse, bulbs, sockets check good. All other light work.
Sunday, March 5th, 2023 AT 5:23 PM

4 Replies

Tiny
KEN L
  • MASTER CERTIFIED MECHANIC
  • 55,481 POSTS
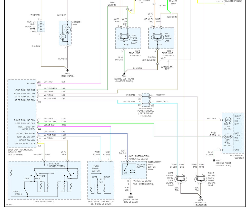
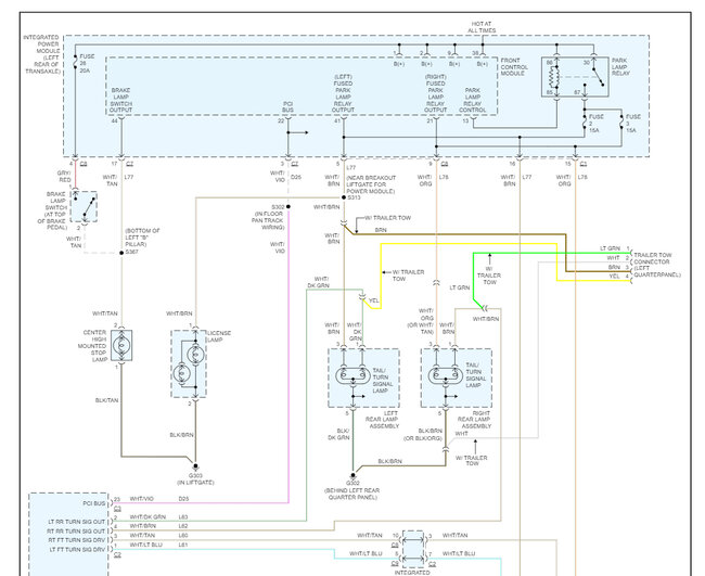
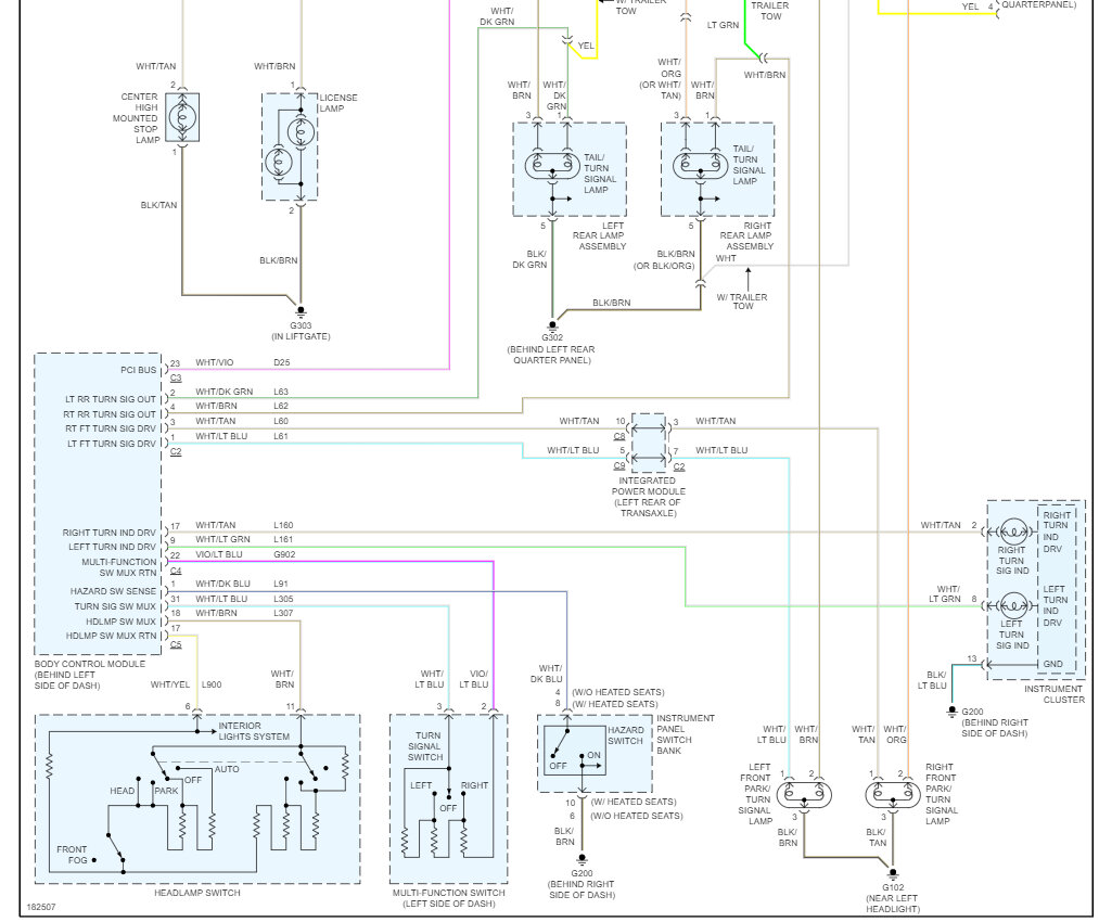
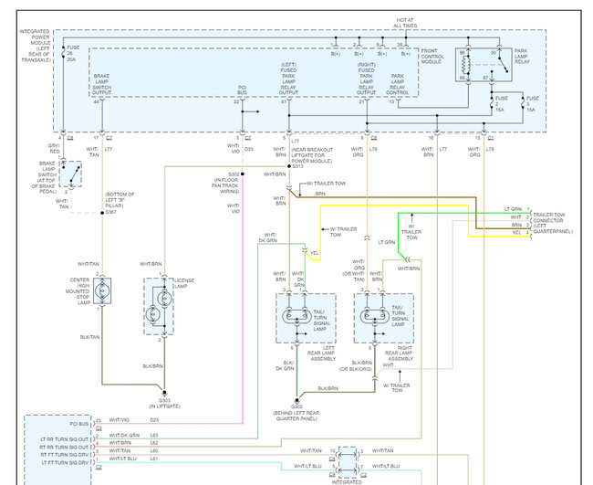
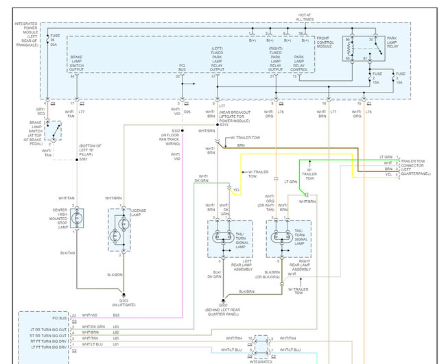
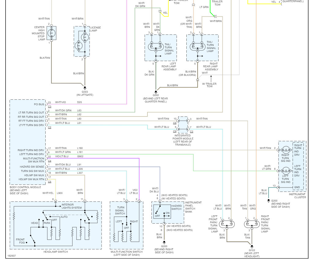
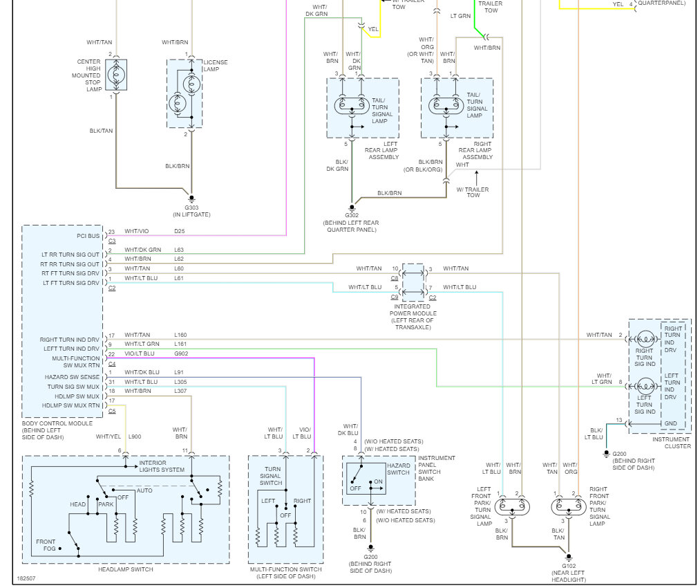
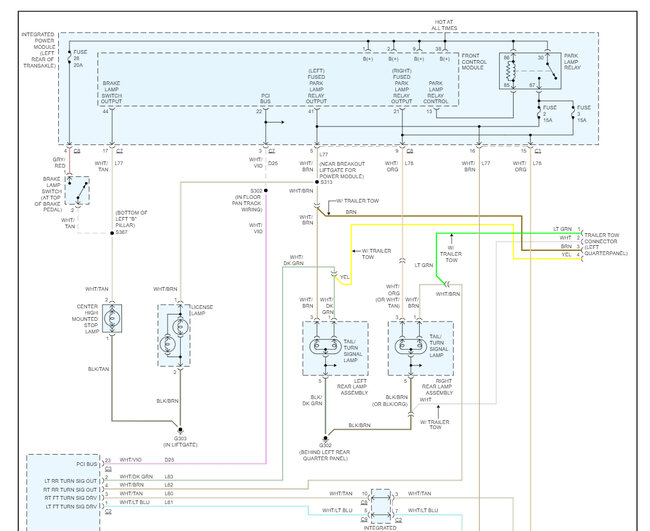
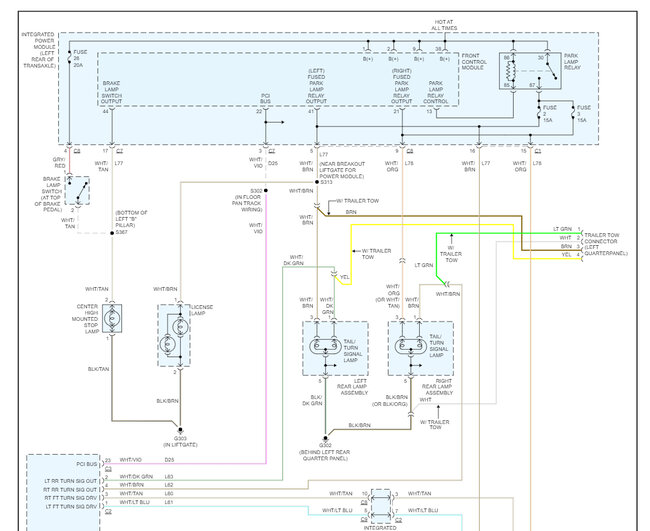
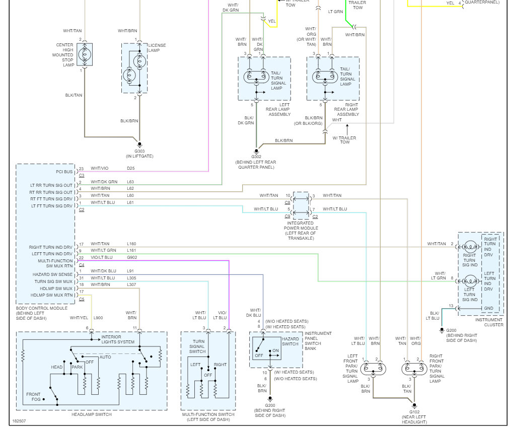
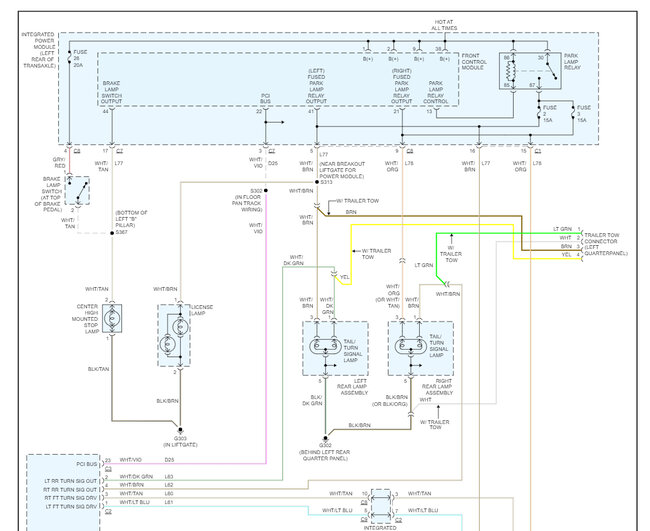
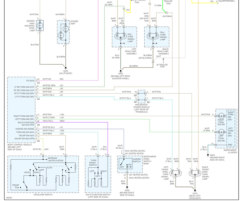
I have seen the TIPM go out which causes the running lights to stop working. Here are the running light wiring diagrams so you can see how the system works and I have included how to change the TIPM out which is easy because it-self learns. Check out the images (below). Please let us know what you find.
Was this
answer
helpful?
Yes
No
+1
Monday, March 6th, 2023 AT 10:48 AM
Tiny
ARNIEK
  • MEMBER
  • 3 POSTS
Thank you, I will give all this a try this weekend. I'm not sure how to program the radio as mentioned in your #6 installation FCM. Any help there?
Thanks again.
Was this
answer
helpful?
Yes
No
Monday, March 6th, 2023 AT 1:05 PM
Tiny
KEN L
  • MASTER CERTIFIED MECHANIC
  • 55,481 POSTS
Yes, the DRB111 is a factory scan tool that is used to preset the radio equalizer. I would not worry about that right now. Let me know wat happens.
Was this
answer
helpful?
Yes
No
Wednesday, March 8th, 2023 AT 9:41 AM
Tiny
ARNIEK
  • MEMBER
  • 3 POSTS
Okay.
Was this
answer
helpful?
Yes
No
Wednesday, March 8th, 2023 AT 2:35 PM

Please login or register to post a reply.