No taillights brake lights or running lights, need relay location

Tiny
APRIL SPARKS
  • MEMBER
  • 1994 MITSUBISHI MIRAGE
  • 233,000 MILES
Bulbs are good fuses good. Can't find relay to test?
Sunday, December 8th, 2019 AT 7:08 AM

1 Reply

Tiny
KEN L
  • MASTER CERTIFIED MECHANIC
  • 55,522 POSTS
Hello,

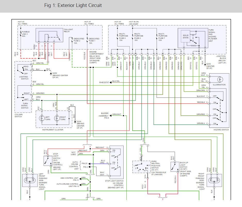
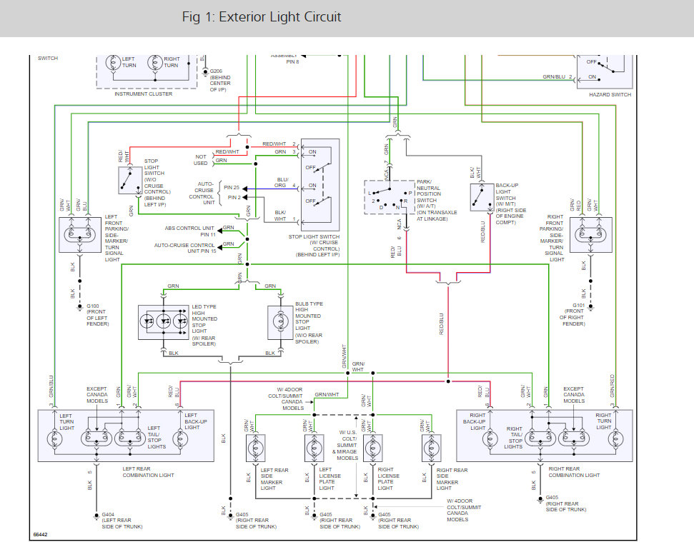
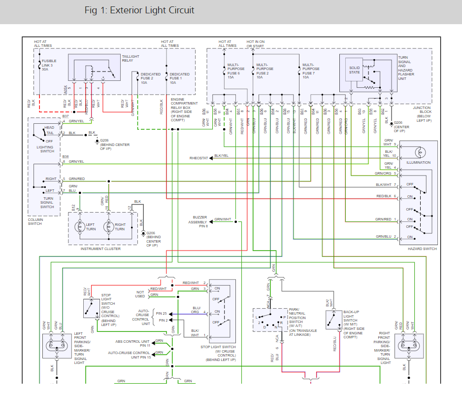
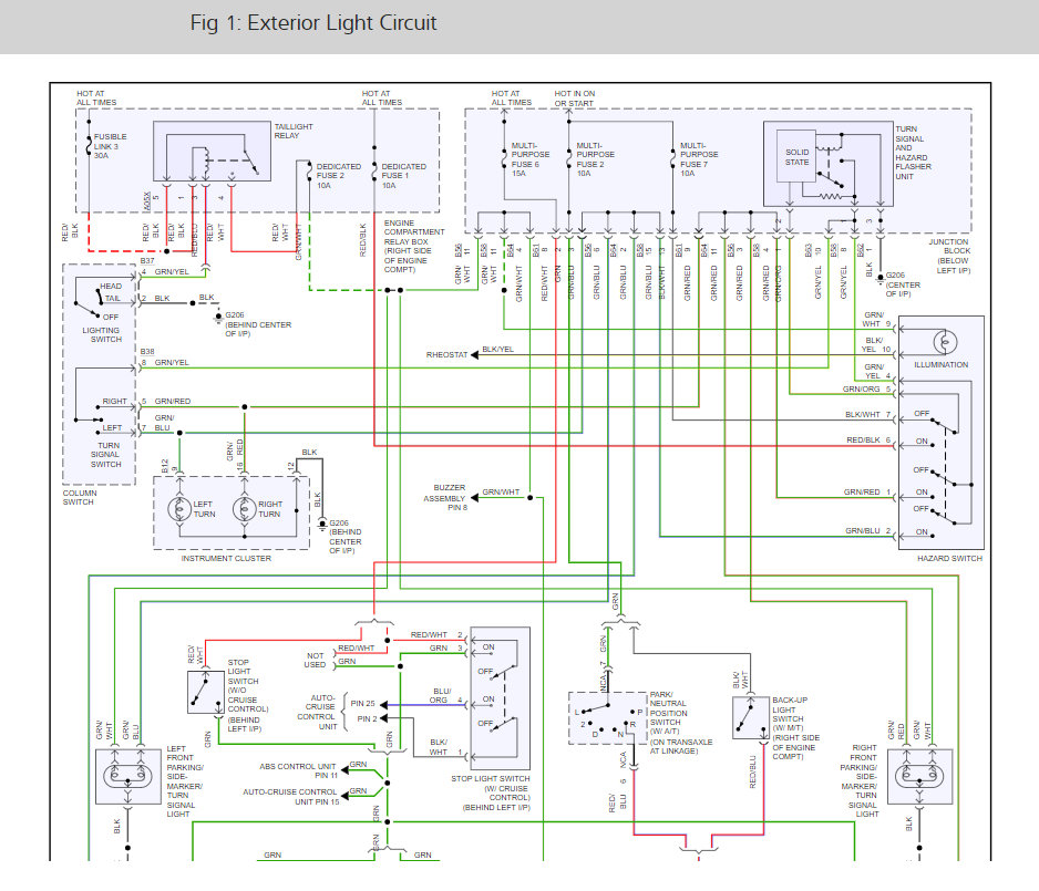
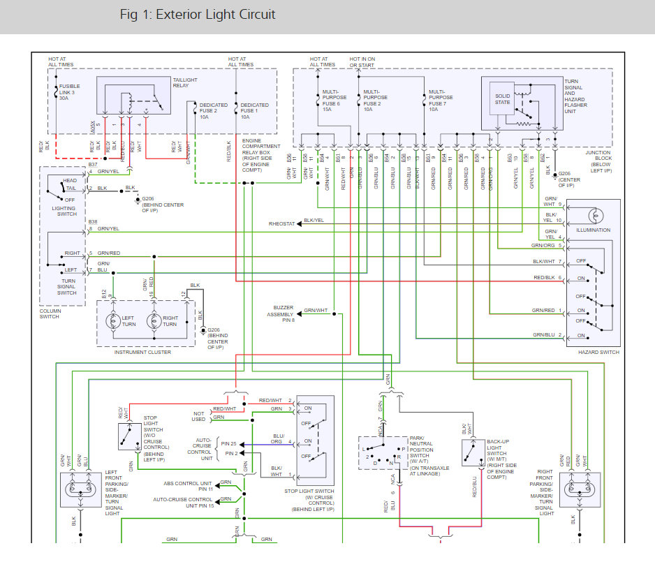
It looks like everything runs through the hazard switch. can you please cycle it back of forth many times to clean the contracts to see if the system works? Here is a guide to help you test for power and the blinker and brake light wiring diagrams to help you see how the system works and which wires to test for power:

https://www.2carpros.com/articles/how-to-use-a-test-light-circuit-tester

Check out the diagrams (below). Please let us know what you find. We are interested to see what it is.
Was this
answer
helpful?
Yes
No
Monday, December 9th, 2019 AT 11:10 AM

Please login or register to post a reply.