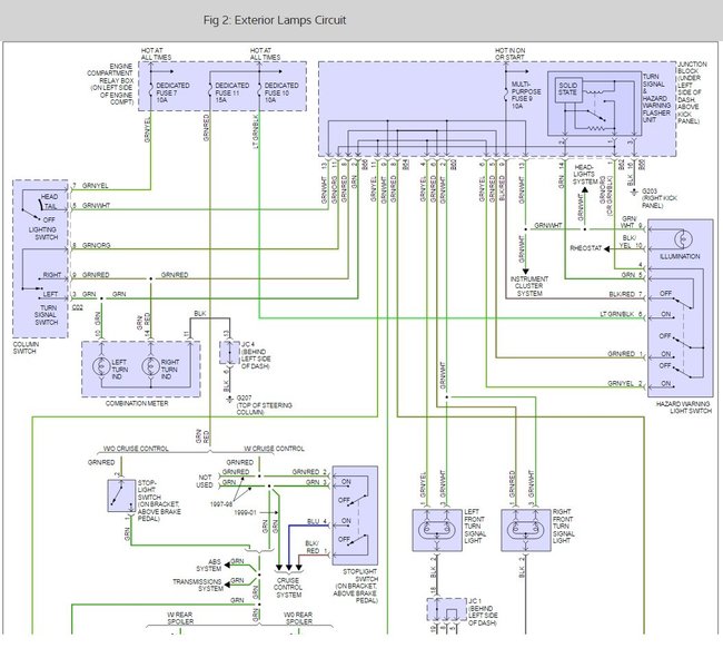
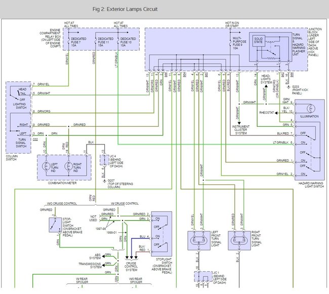
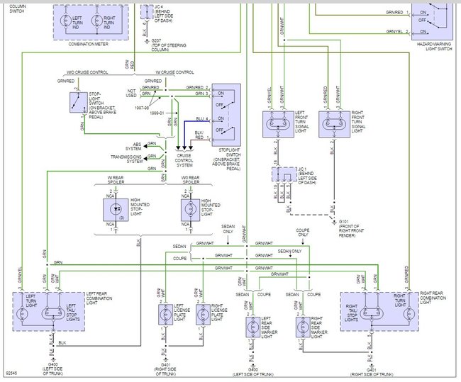
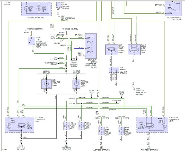
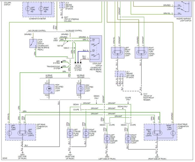
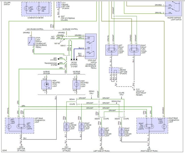
Monday, February 14th, 2011 AT 11:14 PM
My dash lights and tail lights wont work and I checked all my fuses and relays but they are all fine. Any ideas what the problem might be?



