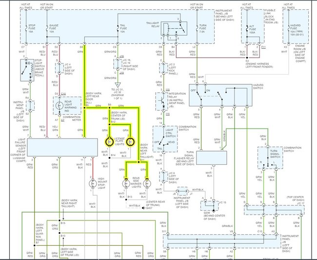
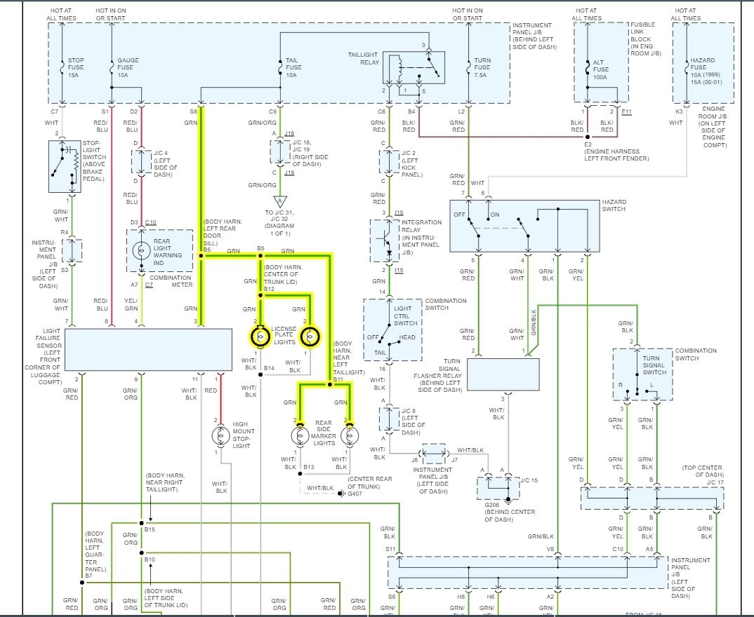
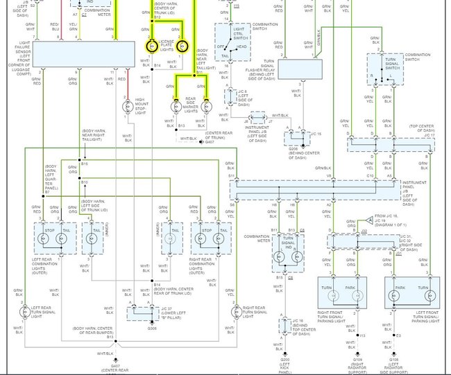
Tuesday, September 20th, 2016 AT 9:26 AM
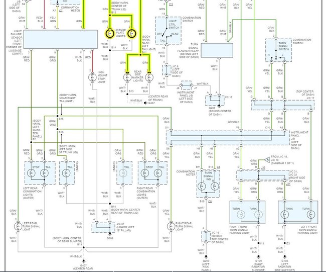
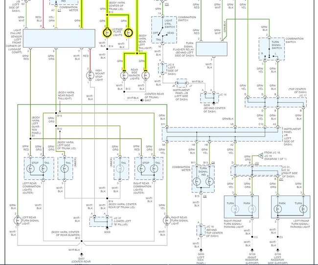
I replaced my tag lights and I replace my fuse I checked the sockets with a meter and they are not getting any electricity any suggestions other than splicing wires?

