Tachometer, speedometer and other gauges not working?

Tiny
KJONES
  • MEMBER
  • 2004 PONTIAC GTO
  • 5.7L
  • V8
  • 2WD
  • AUTOMATIC
  • 68,144 MILES
Gauges are always not working.
Thursday, April 11th, 2024 AT 9:44 PM

3 Replies

Tiny
KEN L
  • MASTER CERTIFIED MECHANIC
  • 55,297 POSTS
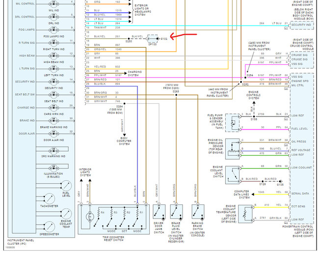
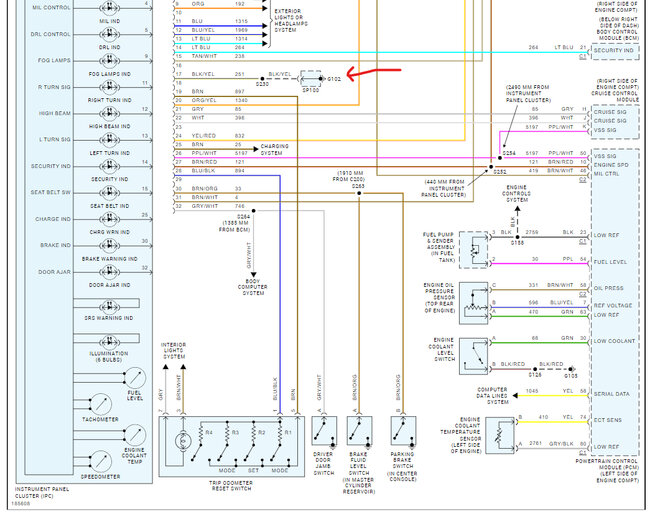
This can be one of three things either the fuses are out, the ground is no good, or the cluster itself went bad which is common. Here is a guide to check the fuses and ground which I have included in the images below:

https://www.2carpros.com/articles/how-to-use-a-test-light-circuit-tester

Here is how to change the cluster out, you can get a rebuilt unit by searching Google or eBay. Check out the images (below). Let us know how it goes.

Was this
answer
helpful?
Yes
No
Friday, April 12th, 2024 AT 6:06 PM
Tiny
KJONES
  • MEMBER
  • 2 POSTS
Thanks for the prompt response. I will look into this tomorrow.
Was this
answer
helpful?
Yes
No
Friday, April 12th, 2024 AT 8:38 PM
Tiny
KEN L
  • MASTER CERTIFIED MECHANIC
  • 55,297 POSTS
Sounds good, have a nice weekend.
Was this
answer
helpful?
Yes
No
Saturday, April 13th, 2024 AT 11:50 AM

Please login or register to post a reply.