Tachometer not working

Tiny
JOER1947
  • MEMBER
  • 1998 DODGE DURANGO
  • 5.2L
  • V8
  • 4WD
  • AUTOMATIC
  • 174,000 MILES
Replaced distributor cap and rotor, plus new wires and now my tachometer is not working.
Tuesday, April 16th, 2019 AT 10:40 AM

2 Replies

Tiny
KASEKENNY
  • MECHANIC
  • 18,907 POSTS
Hi Joe,

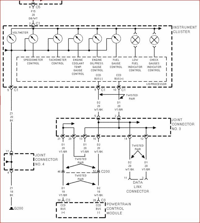
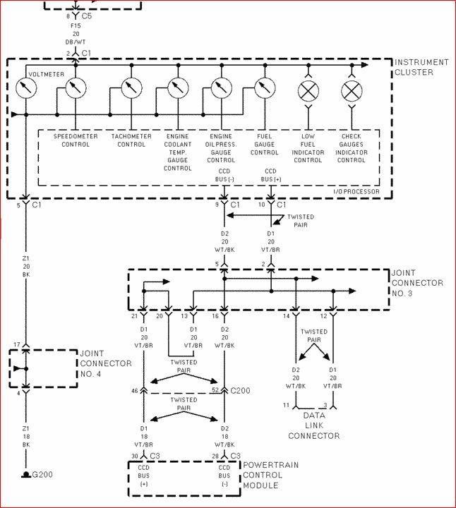
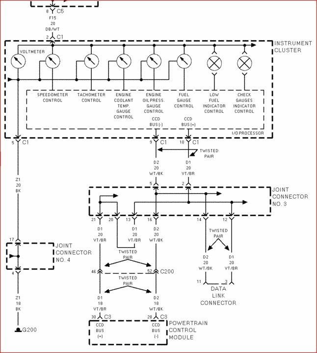
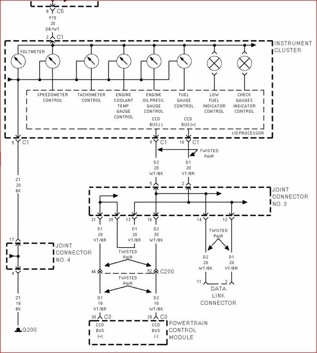
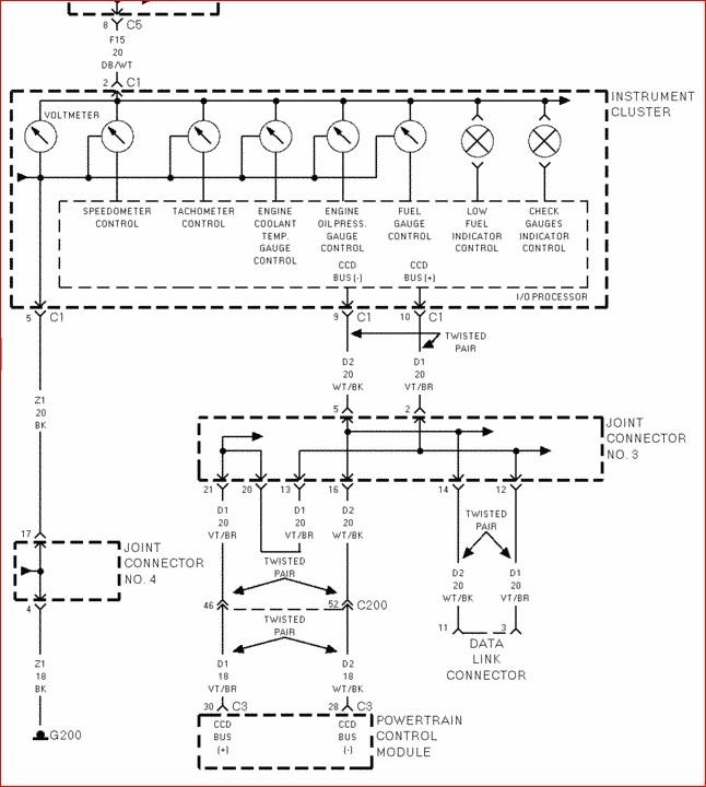
I would think there has to be something else that happened. The reason is, the tachometer is run off of the crank sensor. However, the crank is an input to the PCM and then the PCM sends the signal to the cluster via the data bus to display RPM on the tachometer.

Plus the distributor is run off of the camshaft not crank so even if something happened to the distributor it wouldn't effect the crank sensor. Also, if the PCM does not get a crank sensor signal, the vehicle will not start. You didn't mention it not starting plus, how else would you know that the tachometer is not working.

Unfortunately, I don't see a correlation between replacing the cap, rotor, and wires to the tachometer not working. I can only recommend getting the vehicle scanned for any diagnostic trouble codes. If you have access to a scan tool to get the DTCs then maybe monitor the cluster and see if you are getting a signal from the PCM about RPM. If you are then there is an issue most likely with the cluster.

Again, I can't tie this to the maintenance you did. Was there anything else that you did or was it working, then you replaced the cap, rotor, and wires, then it was not working?

Sorry to not have a clear answer for you but hopefully there are some codes that will point us in a better direction. Thanks
Was this
answer
helpful?
Yes
No
+2
Tuesday, April 16th, 2019 AT 7:26 PM
Tiny
JOER1947
  • MEMBER
  • 2 POSTS
I thank you. I think I must have loosened a wire somewhere when removing or replacing the distributor.
Was this
answer
helpful?
Yes
No
Wednesday, April 17th, 2019 AT 2:15 AM

Please login or register to post a reply.