Tachometer dropped to 0

Tiny
SETTERGRENH
  • MEMBER
  • 2002 PONTIAC GRAND PRIX
  • 3.8L
  • 6 CYL
  • 2WD
  • AUTOMATIC
  • 126,000 MILES
This happened twice to me. I was on the freeway doing about 80 when the motor stalled for a second and the tachometer dropped to 0 and the trac off light came on. When I turned the car off and started it again it was back to normal. Do you know what might of caused this? Thanks
Tuesday, January 7th, 2020 AT 5:52 AM

1 Reply

Tiny
ASEMASTER6371
  • MECHANIC
  • 52,796 POSTS
Good morning,

This sounds like a low voltage issue that is causing this.

I would first suspect an ignition switch as when it glitches, it will cut power and this is the result. It could be for just a few seconds or a couple of minutes.

Roy

Ignition Switch Replacement - On Vehicle

Removal Procedure

imageOpen In New TabZoom/Print

1. Disconnect the negative battery cable from the battery.
2. Disable the SIR system.
3. Remove the inflatable restraint steering wheel module.
4. Remove the steering wheel.
5. Remove the upper and lower steering column trim covers.
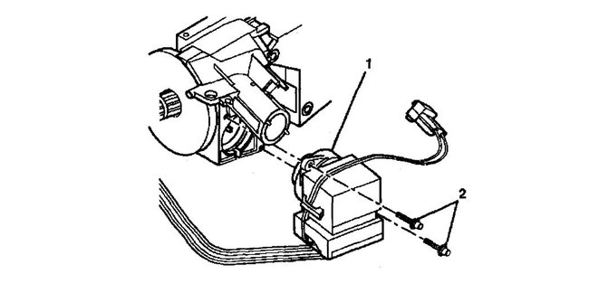
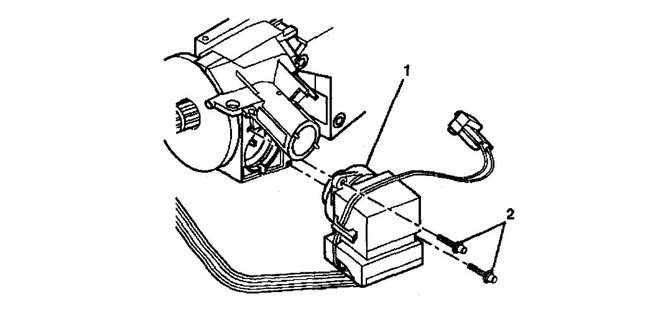
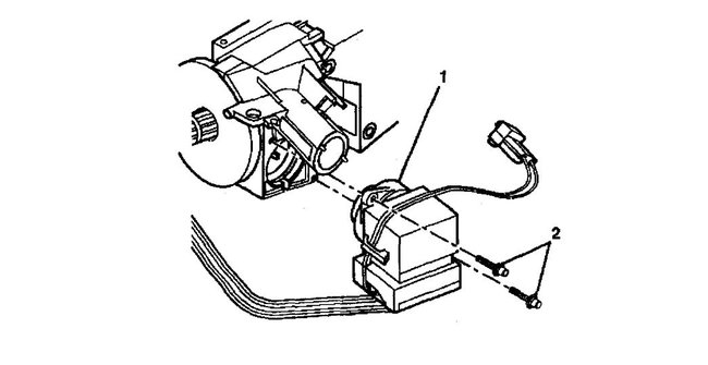
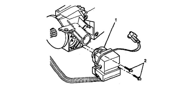
6. Remove the wire harness straps (2) from the steering column and the wire harness assembly (1).

ImageOpen In New TabZoom/Print

7. Slide the connectors (2) of the turn signal and multifunction switch assembly out of the bulkhead connector (1).
8. Remove the ignition lock cylinder.

ImageOpen In New TabZoom/Print

9. If the vehicle is equipped with a theft deterrent module (2), remove the theft deterrent module (2) from the lock module assembly.

ImageOpen In New TabZoom/Print

10. Remove the key alarm connector (1) from the lock module assembly (2).
10.1. Rotate the key alarm connector (1) 90°.
10.2. Pull the key alarm connector (1) out of the lock module assembly (2).

ImageOpen In New TabZoom/Print

11. Remove the tapping screws (2) from the ignition and key alarm switch assembly (1).
12. Remove the ignition and key alarm switch assembly (1) from the lock module assembly.
Was this
answer
helpful?
Yes
No
Tuesday, January 7th, 2020 AT 7:52 AM

Please login or register to post a reply.