I need to know what color the switched on ignition wire is?

Tiny
JHILL77
  • MEMBER
  • 1987 CHRYSLER CONQUEST
  • 2.6L
  • 4 CYL
  • TURBO
  • 2WD
  • MANUAL
  • 58,000 MILES
I need to know what color the switched on ignition wire is?
Friday, September 30th, 2022 AT 8:25 PM

3 Replies

Tiny
KEN L
  • MASTER CERTIFIED MECHANIC
  • 55,054 POSTS
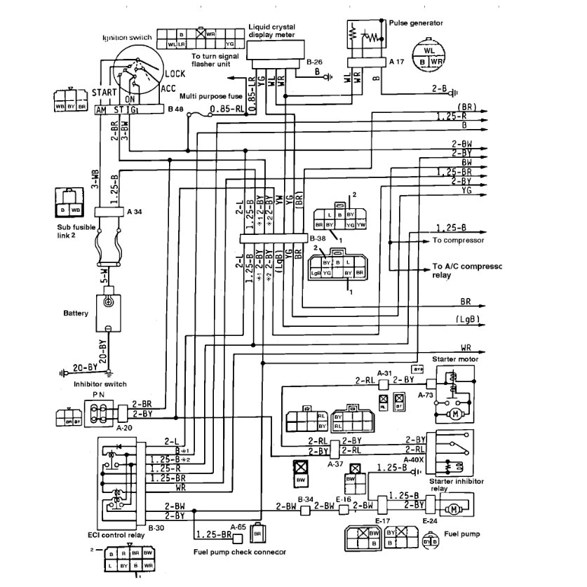
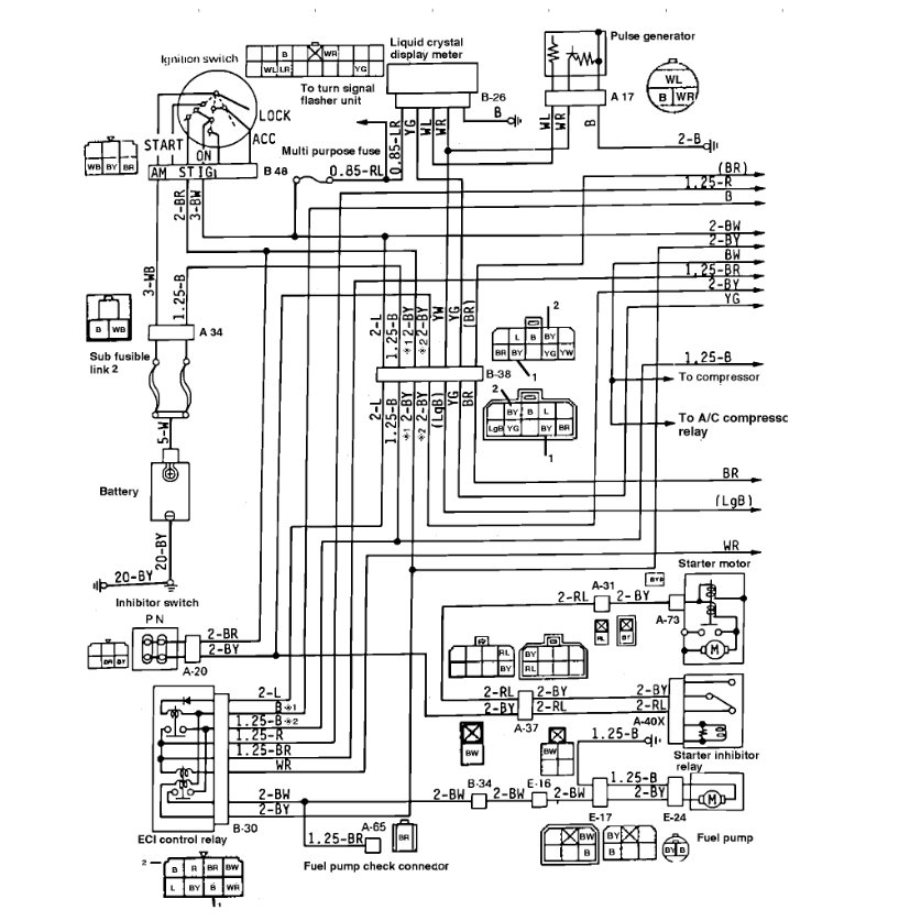
Here are the ignition switch wiring diagrams as you requested. Check out the images (below). Please let us know if you need anything else to get the problem fixed.
Was this
answer
helpful?
Yes
No
+1
Saturday, October 1st, 2022 AT 9:25 AM
Tiny
JHILL77
  • MEMBER
  • 5 POSTS
Thank you. Black with white stripe.
Was this
answer
helpful?
Yes
No
Saturday, October 1st, 2022 AT 9:28 AM
Tiny
KEN L
  • MASTER CERTIFIED MECHANIC
  • 55,054 POSTS
Nice work, we are here to help, please use 2CarPros anytime.
Was this
answer
helpful?
Yes
No
Saturday, October 1st, 2022 AT 12:32 PM

Please login or register to post a reply.