BCM replacement instructions with location please?

Tiny
BETTIE JO WAGGONER
  • MEMBER
  • 2011 CHEVROLET SILVERADO
  • 5.3L
  • V8
  • 4WD
  • AUTOMATIC
  • 146,989 MILES
My driving lights were not working and the lock and window buttons were not working but everything else was. I did a test and it said it was the BCM. Bought a new BCM and took the old one out and put the new one in and it is not working either. I put the old one back in and it will not start and now the key is locked in the off position and I am stuck. I do not know what to do. I have tried everything.
Saturday, June 30th, 2018 AT 12:46 PM

16 Replies

Tiny
DANNY L
  • MECHANIC
  • 5,648 POSTS
Here are the BCM replacement instruction in the diagrams below. Check out the diagrams (Below). Please let us know if you need anything else to get the problem fixed.
Was this
answer
helpful?
Yes
No
Saturday, June 30th, 2018 AT 2:11 PM
Tiny
CURTIS GULLEDGE
  • MEMBER
  • 1 POST
  • 2007 CHEVROLET SILVERADO
  • 4.8L
  • V8
  • 2WD
  • AUTOMATIC
  • 71,000 MILES
I have the truck listed above classic model. Recently the security light has started coming on. Sometimes it will flash on and off going down the road. Sometimes it just stays on. Sometimes I drive it and it doesn't come on. I have a friend who is a shop foreman at the local dealership. He says it is a sensor, but it is expensive to replace. He says as long as the light being on is not doing anything to the truck not to worry about it. Should I worry? Thanks!
Was this
answer
helpful?
Yes
No
Thursday, May 13th, 2021 AT 6:57 PM (Merged)
Tiny
KEN L
  • MASTER CERTIFIED MECHANIC
  • 55,281 POSTS
To me it sounds like the BCM is going out which is common but we should check the electrical connector for corrosion as well. Here is the location of the BCM and how to replace it. Check out the diagrams (Below). Please let us know what you find. We are interested to see what it is.
Was this
answer
helpful?
Yes
No
Thursday, May 13th, 2021 AT 6:57 PM (Merged)
Tiny
AUSTIN LEGGE
  • MEMBER
  • 1 POST
  • 2005 CHEVROLET SILVERADO
  • 4.8L
  • V8
  • 4WD
  • AUTOMATIC
  • 213,650 MILES
My trucks gauges like do work on there own. Temp gauge, oil kpa gauge, fuel gauge usually go out together. Battery gauge works on its own and when the battery gauge kicks in my push button 4x4, power windows, power mirrors, power door locks all go out along with it and come back in at the same time.
Was this
answer
helpful?
Yes
No
Thursday, May 13th, 2021 AT 6:57 PM (Merged)
Tiny
KEN L
  • MASTER CERTIFIED MECHANIC
  • 55,281 POSTS
Hello,

If I can jump in here it sound like the BCM is out. To be sure lets do a CAN scan which is the future of automotive repair you can get a CAN scanner from Amazon for about $50.00. here is a video to show you how. (no subscription needed)

https://youtu.be/InIlnsjOVFA

Here is a guide to help you step by step with instructions in the diagrams below to show you how on your car to replace the BCM. Check out the diagrams (below). Please let us know what you find. We are interested to see what it is.

Was this
answer
helpful?
Yes
No
-1
Thursday, May 13th, 2021 AT 6:57 PM (Merged)
Tiny
DEKPANEK
  • MEMBER
  • 1 POST
  • 2004 CHEVROLET SILVERADO
  • V8
  • 4WD
  • AUTOMATIC
  • 55,000 MILES
First when truck is off radio, battery light and mileage stayed on, took out the fuse for the truck body controller assessory and it fixed it, truck worked normal after that, then just today the wipers work intermitetly in the off position, will not totally shut off. Is this all linked to the truck body controller? Should it be replaced, I dont have alot of money to have it scanned or serviced, I wanna try and fix it myself. A local junk yard has a used controller, can I just install it or will it have to be programed to my truck. Thanks
Was this
answer
helpful?
Yes
No
Thursday, May 13th, 2021 AT 6:57 PM (Merged)
Tiny
SCOTTY DEE
  • MECHANIC
  • 592 POSTS
Hi dekpenek! You need to get a scan test this video will show you how. You can get a preprogrammed unit just give your VIN when ordering it.

https://youtu.be/InIlnsjOVFA

Let me know what codes you retrieve. If you need the BCM replace the instructions to do so are in the diagrams below.
Was this
answer
helpful?
Yes
No
+1
Thursday, May 13th, 2021 AT 6:57 PM (Merged)
Tiny
THECK
  • MEMBER
  • 1 POST
  • 2002 CHEVROLET SILVERADO
  • 6.6L
  • V8
  • TURBO
  • 4WD
  • AUTOMATIC
  • 212,000 MILES
My security light stays on all the time and will not turn off, have had several mechanics look at including dealer and no seems to be able to narrow down problem. They initially pointed to ignition and keys but have now said that is not the problem. Next they wanted to change out neutral safety switch and harness by the transmission. Next they have suggested one of two modules may be bad either BCM or PCM. Hoping someone can get me a better suggestion based on experience. They mentioned that some 2001/2002 models had a problem with three wires in the steering column coming undone but felt it was not that.
Was this
answer
helpful?
Yes
No
Thursday, May 13th, 2021 AT 6:59 PM (Merged)
Tiny
KEN L
  • MASTER CERTIFIED MECHANIC
  • 55,281 POSTS
Hello,

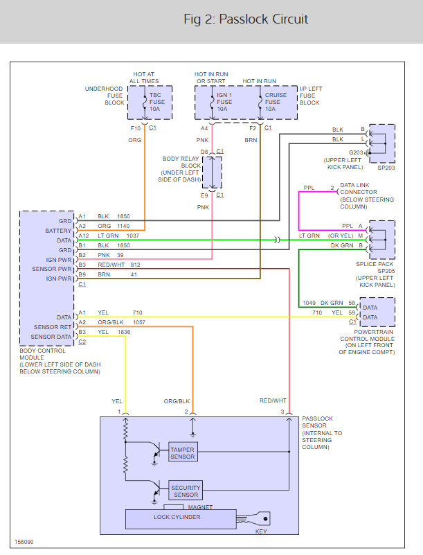
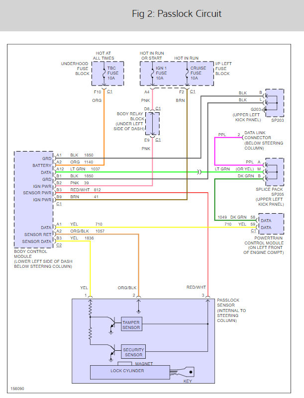
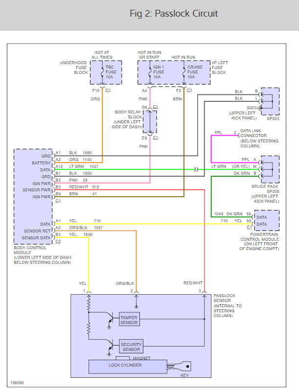
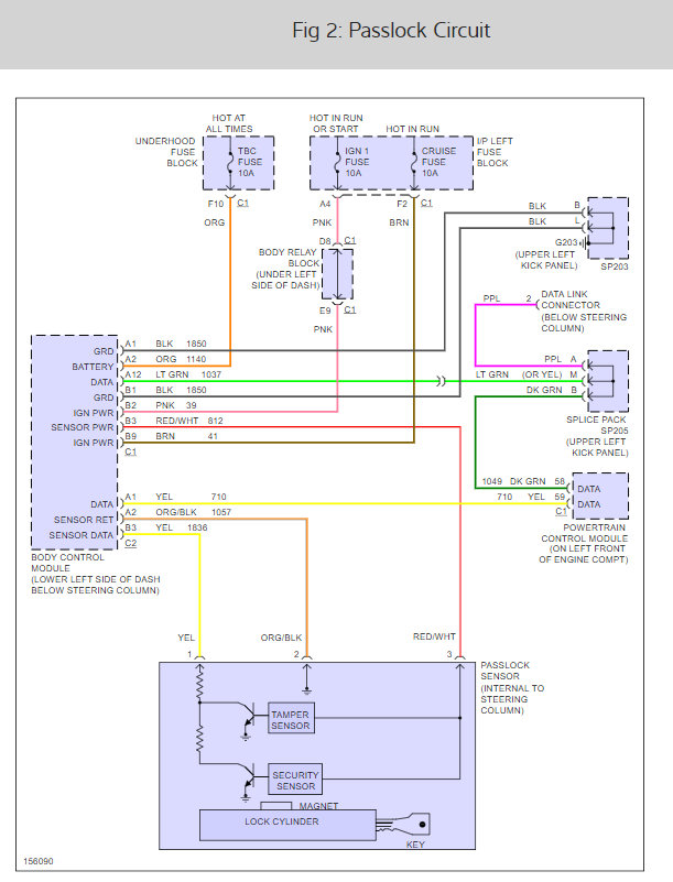
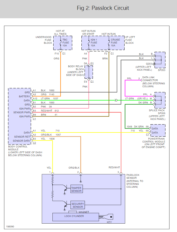
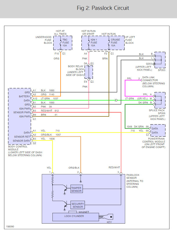
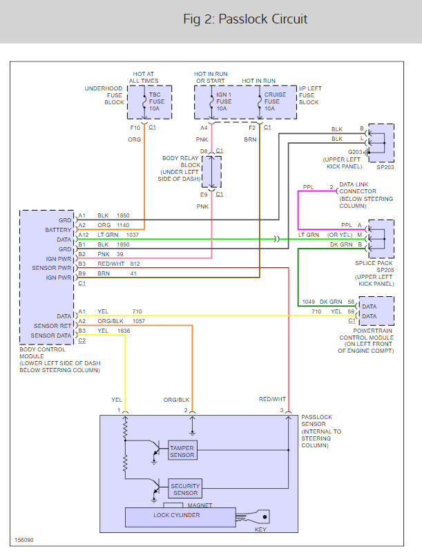
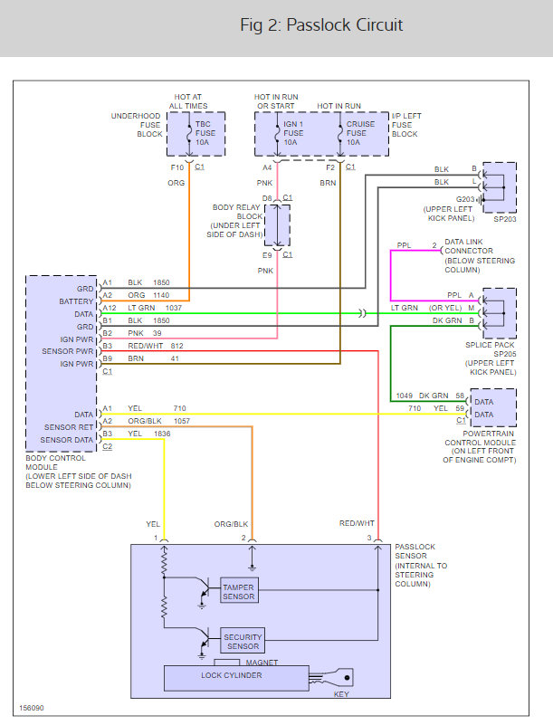
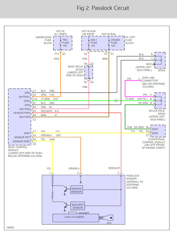
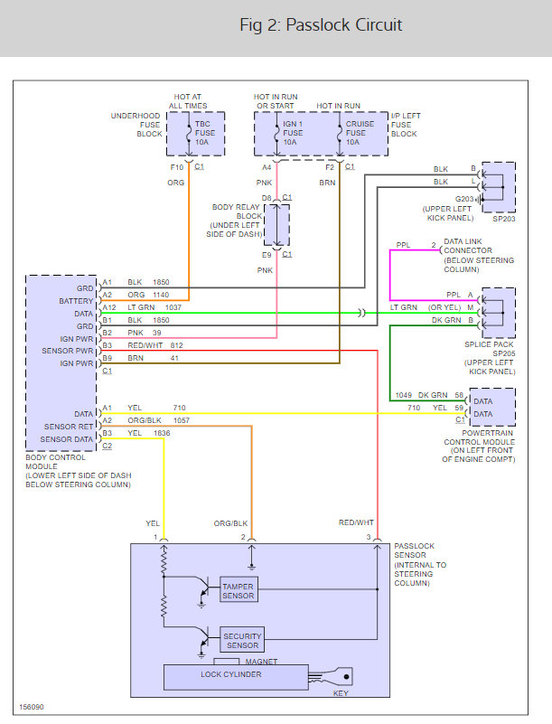
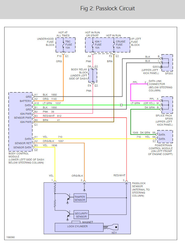
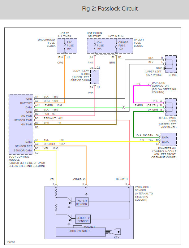
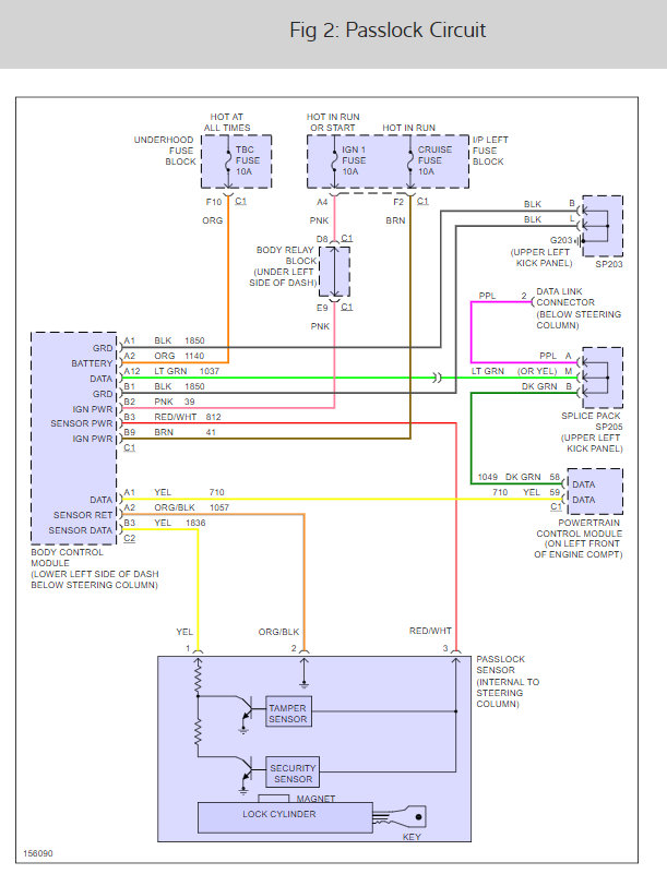
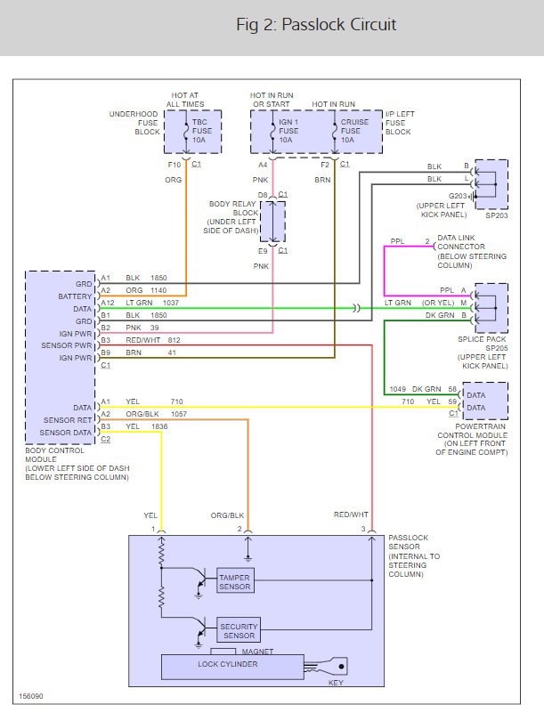
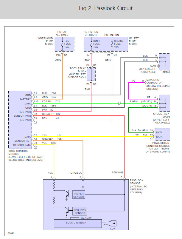
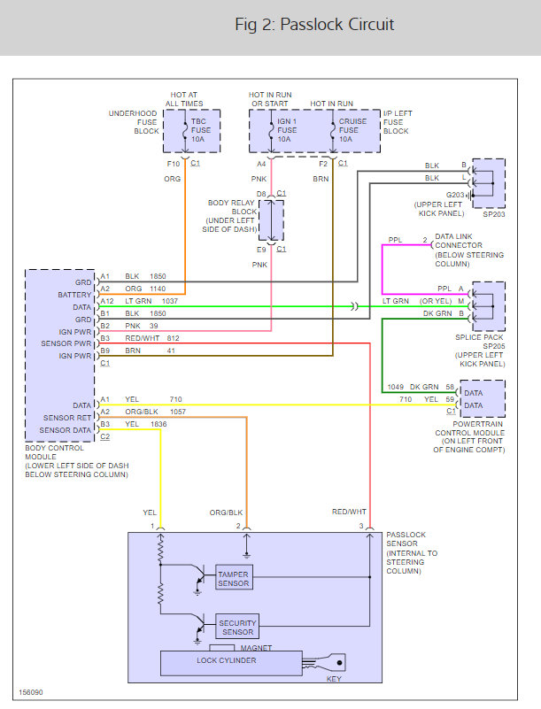
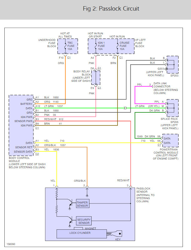
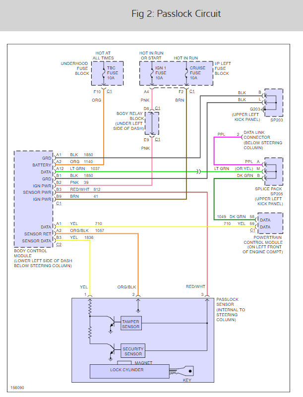
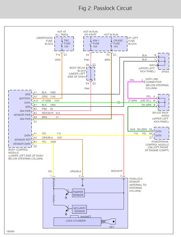
I have seen the BCM out which cause this problem. Here are the security system wiring diagrams so you can see how the system works and the location of the BCM which will need to be programmed to work.

Body Control Module (BCM) Programming/RPO Configuration
Important: If the module is replaced, programming the module with the proper RPO configurations must be done prior to performing the Passlock Learn procedure.

The BCM must be programmed with the proper RPO configurations. The BCM stores the information regarding the vehicle options. If the BCM is not properly configured with the correct RPO codes the BCM will not control the features properly. Ensure that the following conditions exist in order to prepare for BCM programming:
The battery is fully charged.
The ignition switch is in the RUN position.
The DLC is accessible.
All disconnected modules and devices are reconnected before programming.
Follow the SPS instructions on the Techline Terminal and scan tool to program the BCM.
If the BCM fails to accept the program, perform the following steps:
Inspect all BCM connections.
Verify that the SPS Techline Terminal and scan tool have the latest software version.
Passlock Learn Procedures
Refer to PROGRAMMING THEFT DETERRENT SYSTEM COMPONENTS for the appropriate learn procedure.

Important: After programming, perform the following to avoid future misdiagnosis.

Turn the ignition OFF for 10 seconds.
Connect the scan tool to the data link connector.
Turn the ignition ON with the engine OFF.
Use the scan tool in order to retrieve history DTCs from all modules.
Clear all history DTCs.

I would try unplugging the BCM and then plugging it in again which can solve a bad connection issue.

Check out the diagrams (Below). Please let us know what you find. We are interested to see what it is.

Cheers, Ken
Was this
answer
helpful?
Yes
No
Thursday, May 13th, 2021 AT 6:59 PM (Merged)
Tiny
VIPERDRIVER_00
  • MEMBER
  • 1 POST
  • 2001 CHEVROLET SILVERADO
  • 4WD
  • AUTOMATIC
To get OEM fog lights added to the Body Control Module. They had a Tech 2 and trained technician. He said he couldn't add them because the BCM was locked, the only option was a new BCM. Are BCMs locked by GM? I haven't found any info online that supports his statement.
Thanks
Was this
answer
helpful?
Yes
No
Thursday, May 13th, 2021 AT 6:59 PM (Merged)
Tiny
FACTORYJACK
  • MECHANIC
  • 4,159 POSTS
That would be a first, I have not heard of such a thing. Here is the information that I get, which sheds no light.

Body Control Module (BCM) Programming/RPO Configuration
†The body control module (BCM) must be programmed with the proper RPO configurations. The BCM stores the information regarding the vehicle options and if the BCM is not properly configured with the correct RPO codes the BCM will not control the features properly. Ensure that the following conditions exist in order to prepare for BCM programming:
†The battery is fully charged.

†The ignition switch is in the RUN position.

†The data link connector (DLC) is accessible.

†Follow the instructions on the Techline Terminal and scan tool to program the BCM.
†If the BCM fails to accept the program, perform the following steps:
†Inspect all BCM connections.

†Verify that the Techline Terminal and scan tool have the latest software version.
Was this
answer
helpful?
Yes
No
Thursday, May 13th, 2021 AT 6:59 PM (Merged)
Tiny
DYLAN MATHEWS
  • MEMBER
  • 1 POST
  • 2000 CHEVROLET SILVERADO
  • 5.3L
  • V8
  • 4WD
  • AUTOMATIC
  • 210,000 MILES
I have a 2000 Silverado that the fuel hand stopped working and the truck has started missing ever now and then. The garage I took it to said it was the bcm. I am wondering if it could be something else. Thank you for any help you can give.
Was this
answer
helpful?
Yes
No
Thursday, May 13th, 2021 AT 6:59 PM (Merged)
Tiny
JACOBANDNICKOLAS
  • MECHANIC
  • 110,192 POSTS
The BCM could be an issue. However, most often it is the float rheostat that is part of the fuel pump. Before I replace the BCM, I would check wiring to the top of the fuel tank to make sure there is no damage there and also make sure the system has a good ground and corrosion isn't an issue at the plugs.

If that all checks out okay, I would then check to make sure there is a signal from the rheostat in the tank. If there is a signal, no wiring problems, and all grounds are good, then I would consider the BCM but to be sure lets do a CAN scan which is the future of automotive repair you can get a CAN scanner from Amazon for about $50.00 here is a video to show you how.

https://youtu.be/u-4syLc-ifQ

You mentioned the vehicle has a misfire at times. Have you checked to make sure the fuel pump pressure is within spec? Also, has the check engine light come on indicating there are trouble codes stored?
Was this
answer
helpful?
Yes
No
+1
Thursday, May 13th, 2021 AT 6:59 PM (Merged)
Tiny
BSUBRONCOS86
  • MEMBER
  • 2 POSTS
  • 2000 CHEVROLET SILVERADO
I was informed by the dealer that I needed to replace the Body Control Module in my 2000 Silverado 5.3L extended cab, power windows and door locks. It was the source of my truck's inability to program a new remote keyless entry keyfob. Instead of having the dealership stick it to me for $500, I decided to purchase a replacement BCM for $70 and install it myself. I heard the BCM was underneath the dash. Is this true and how difficult of an install would this be? I'm comfortable and familiar with pulling the dash apart, but don't know where to look for the BCM and if I need any special tools after I tear into it. Can someone help me out? -Yes, I've tried to reprogram the remote via turning the ignition to the "on" position while hitting the lock/unlock switch. This is why the dealership recommened replacing the BCM.

Thanks - Rocky
Was this
answer
helpful?
Yes
No
Thursday, May 13th, 2021 AT 7:00 PM (Merged)
Tiny
STEW
  • MEMBER
  • 3 POSTS
There are two ways to access the BCM.
It is located just to the right of the steering column.
1. Take out the two screws at the bottom of the dash panel & very carefully pull the panel out. The dash panel is attached with plastic snap type connection on each side & the two screws at the botttom of the dash. Be careful to gently pry and it will pop out.
2. The BCM will be visiable with a brown/blue/purple connectors
3. Remove connector wires by squeezing the connecctor to release tab, so connector can be pulled out of plug.
4. Push up on release tab & slide BCM out of holder.
If you do not want to take the dash apart then, you will have to remove part of the heating duct and then use a 1/4" dr. 7mm socket & extension to remove the BCM plastic holder & BCM.
If your part numbers are the same and/or the new unit has been programmed to the same parameters of the original unit, then it will work.
If it is not the same part number and/or has not been programmed to the original parameters, then you will have to take one or both units to the GM dealer to have a tech check & program the unit to the VIN and/or accessories that you may want to add in the future, provided they are OEM.
Good Luck Rocky,
Stew
Was this
answer
helpful?
Yes
No
+8
Thursday, May 13th, 2021 AT 7:00 PM (Merged)
Tiny
BSUBRONCOS86
  • MEMBER
  • 2 POSTS
Thanks for the help Stew!
Was this
answer
helpful?
Yes
No
+2
Thursday, May 13th, 2021 AT 7:00 PM (Merged)

Please login or register to post a reply.