Monday, September 16th, 2024 AT 3:06 PM
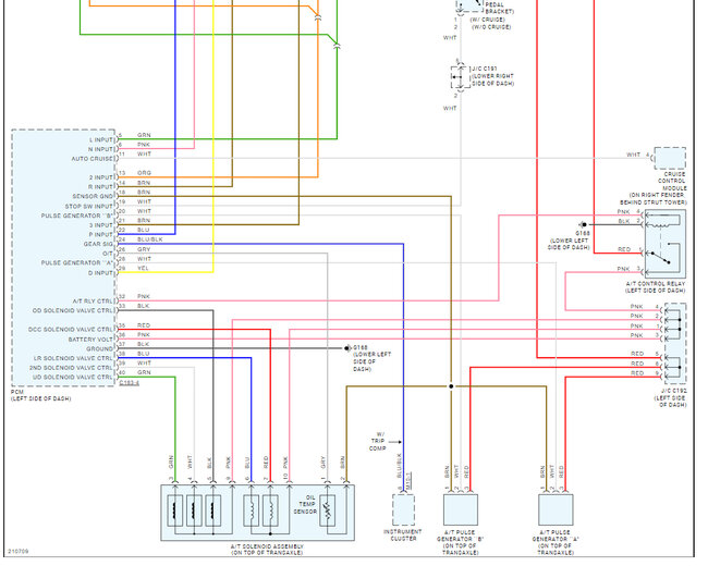
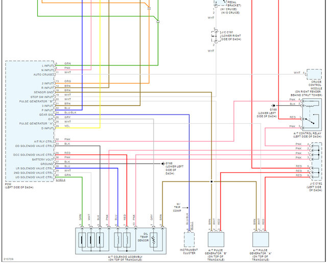
The car caught fire a couple years ago and since I've replaced the entire wire harness and various other parts. Got power to the motor finally but after sitting for a while. Motor seized up. Won't turn over. I purchased a motor to put in it. Another 2.0. Now my question is should I purchase the PCU that matches the motor I bought? The one that's in the car originally is throwing a p0885 code.





