Swapped wires of the fuel injector and coil?

Tiny
BLESSING EWOBOR
  • MEMBER
  • 2010 HYUNDAI ELANTRA
  • 4 CYL
  • 2WD
  • AUTOMATIC
  • 210,734 MILES
The vehicle was worked on at the garage after few days, the check engine light was on, the vehicle was scanned, misfire code on cylinder one was detected on the engine. After checking vividly, it was observed that the wires of the fuel injector has removed from the connectors and taped. The vehicle wiring has worked on by a technician.
Could I have the wire diagram of the vehicle?

Thank you
Wednesday, November 6th, 2024 AT 11:57 AM

3 Replies

Tiny
KEN L
  • MASTER CERTIFIED MECHANIC
  • 55,488 POSTS
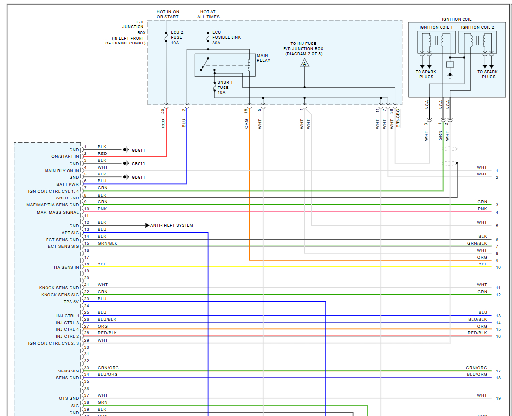
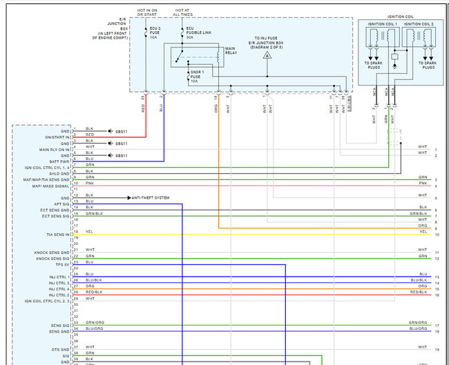
Sure, here is the engine, fuel injector and PCM wiring diagrams. Check out the images (below). Let us know if you need anything else.
Was this
answer
helpful?
Yes
No
Wednesday, November 6th, 2024 AT 4:46 PM
Tiny
BLESSING EWOBOR
  • MEMBER
  • 754 POSTS
Thank you very much.
Was this
answer
helpful?
Yes
No
Wednesday, November 6th, 2024 AT 9:48 PM
Tiny
KEN L
  • MASTER CERTIFIED MECHANIC
  • 55,488 POSTS
You are welcome, please use 2CarPros anytime we are here to help.
Was this
answer
helpful?
Yes
No
Thursday, November 7th, 2024 AT 5:30 PM

Please login or register to post a reply.