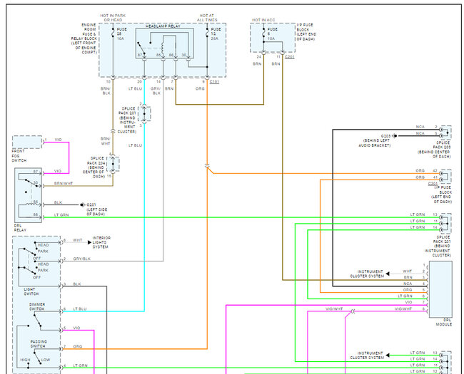
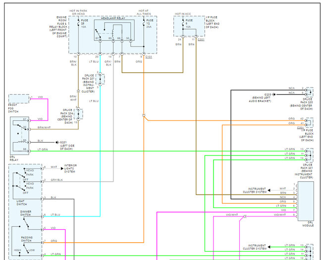
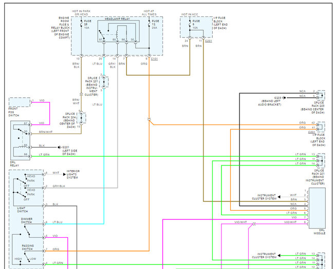
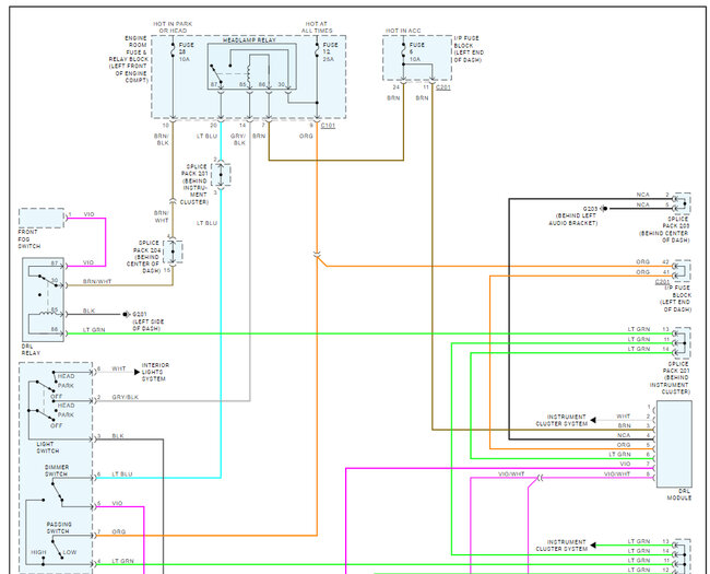
Wednesday, December 5th, 2007 AT 4:37 AM
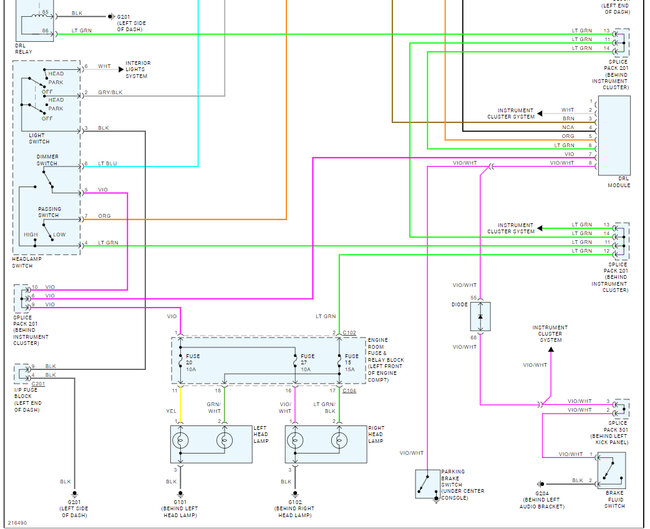
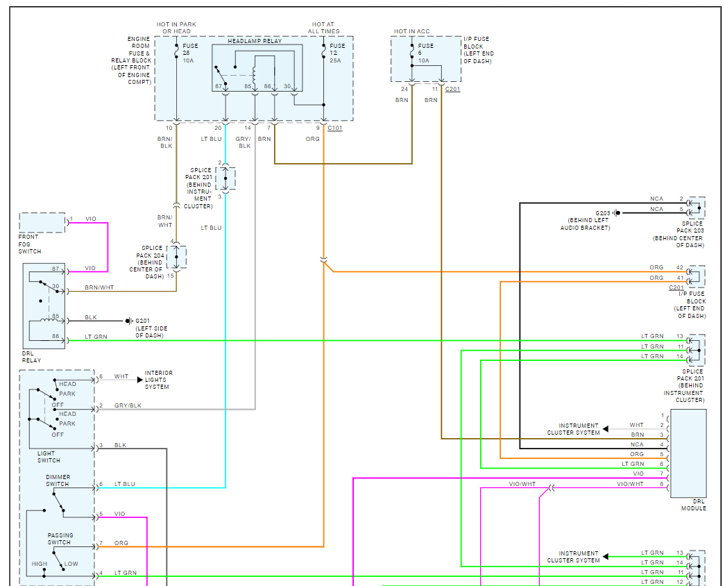
I have no low beam lights. High beams and parking lights work. When I push the switch ahead for low beams, they go completly out. Bulbs, fuses, relay good. Replaced light switch on steering colume. This is a 2005 Forenza.





