Saturday, December 14th, 2019 AT 11:33 AM
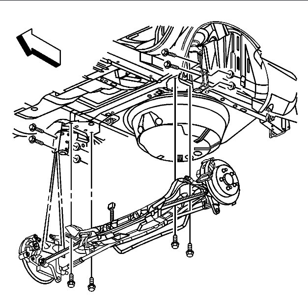
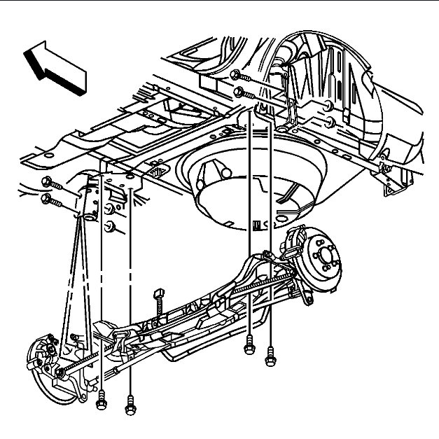
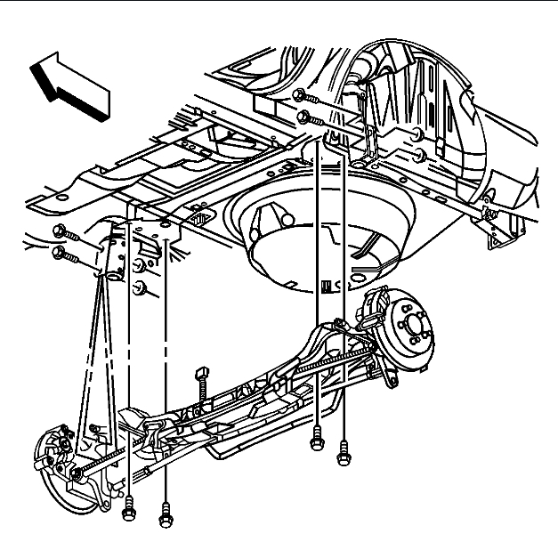
Hi, my rear tire is currently rubbing against my rear trailing arm. I hit a curb and bent it but after replacing with new one it is still rubbing. It appears the stabilizer bar or inner tie rod may also be bent. Any idea on why it would be rubbing?




