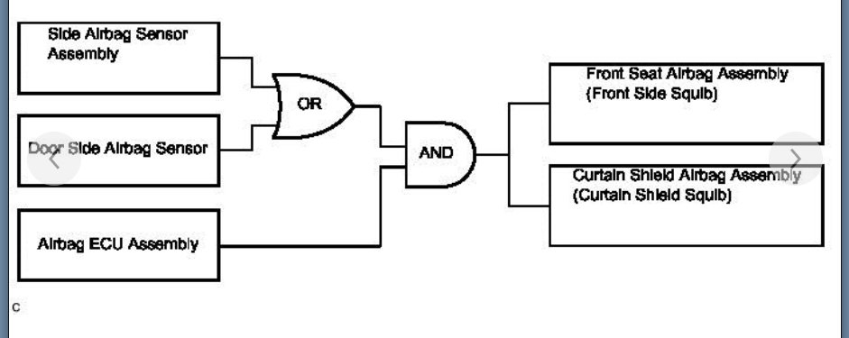
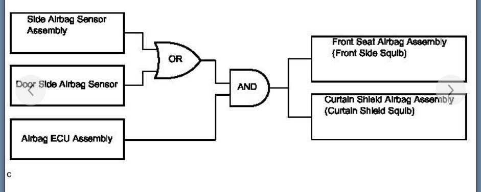
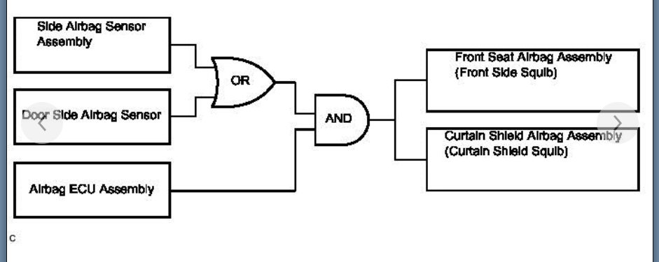
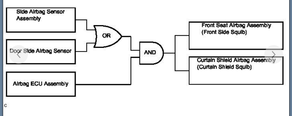
Suspect clock spring malfunction

Tiny
ANDRERAYMOND
  • MEMBER
  • 2014 TOYOTA PRIUS V
  • 500,000 MILES
Airbag light came on.
Thursday, December 26th, 2019 AT 3:13 PM

1 Reply

Tiny
KASEKENNY
  • MECHANIC
  • 18,907 POSTS
We need to start with the codes of the system. This could be the clockspring but there are other possible causes as well.

Let me know the codes and we can go from there. Just make sure the code reader is able to talk to the ABS and restraint control module as some are not.
Was this
answer
helpful?
Yes
No
Thursday, December 26th, 2019 AT 6:16 PM

Please login or register to post a reply.