Supercharger not working

Tiny
DANOTURBO59
  • MEMBER
  • 1997 BUICK PARK AVENUE
  • 3.8L
  • 6 CYL
  • TURBO
  • 2WD
  • AUTOMATIC
  • 72,000 MILES
Can I run the car without the supercharger working?
Saturday, September 1st, 2018 AT 10:56 AM

22 Replies

Tiny
ASEMASTER6371
  • MECHANIC
  • 52,796 POSTS
Good afternoon.

Yes, you can but you will see a big reduction in engine performance.

What is the issue with the unit?

Roy
Was this
answer
helpful?
Yes
No
+1
Saturday, September 1st, 2018 AT 12:56 PM
Tiny
DANOTURBO59
  • MEMBER
  • 16 POSTS
The bottom pulley broke.
Was this
answer
helpful?
Yes
No
Saturday, September 1st, 2018 AT 1:04 PM
Tiny
ASEMASTER6371
  • MECHANIC
  • 52,796 POSTS
Do you mean on the drive belt on the engine or the pulley on the supercharger?
Roy
Was this
answer
helpful?
Yes
No
Saturday, September 1st, 2018 AT 1:05 PM
Tiny
DANOTURBO59
  • MEMBER
  • 16 POSTS
In the supercharger itself.
Was this
answer
helpful?
Yes
No
Saturday, September 1st, 2018 AT 1:07 PM
Tiny
DANOTURBO59
  • MEMBER
  • 16 POSTS
It is too tight for me to get to.
Was this
answer
helpful?
Yes
No
Saturday, September 1st, 2018 AT 1:07 PM
Tiny
DANOTURBO59
  • MEMBER
  • 16 POSTS
Any hints for me to help access it? It looks like I will have to remove water pump to access the bolt.
Was this
answer
helpful?
Yes
No
Saturday, September 1st, 2018 AT 1:11 PM
Tiny
ASEMASTER6371
  • MECHANIC
  • 52,796 POSTS
If it is in the supercharger, you will have to remove it to disassemble it.

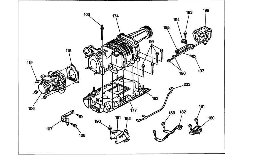
Anything in this picture?

Roy
Was this
answer
helpful?
Yes
No
Saturday, September 1st, 2018 AT 1:22 PM
Tiny
DANOTURBO59
  • MEMBER
  • 16 POSTS
It is the guide pulley behind the motor mount.
Was this
answer
helpful?
Yes
No
Saturday, September 1st, 2018 AT 1:27 PM
Tiny
ASEMASTER6371
  • MECHANIC
  • 52,796 POSTS
Can you post a picture for me to view?

Roy
Was this
answer
helpful?
Yes
No
Saturday, September 1st, 2018 AT 1:30 PM
Tiny
DANOTURBO59
  • MEMBER
  • 16 POSTS
Hold on.
Was this
answer
helpful?
Yes
No
Saturday, September 1st, 2018 AT 1:39 PM
Tiny
ASEMASTER6371
  • MECHANIC
  • 52,796 POSTS
Okay, hanging on.
Was this
answer
helpful?
Yes
No
Saturday, September 1st, 2018 AT 1:40 PM
Tiny
DANOTURBO59
  • MEMBER
  • 16 POSTS
Here is best I can get:
Was this
answer
helpful?
Yes
No
Saturday, September 1st, 2018 AT 1:44 PM
Tiny
ASEMASTER6371
  • MECHANIC
  • 52,796 POSTS
So it is a pulley like the one for the alternator belt?

Roy
Was this
answer
helpful?
Yes
No
Saturday, September 1st, 2018 AT 1:47 PM
Tiny
DANOTURBO59
  • MEMBER
  • 16 POSTS
The power steering pump is in the way of the last bolt any comments on removing it with the front wheel drive?
Was this
answer
helpful?
Yes
No
Saturday, September 1st, 2018 AT 1:48 PM
Tiny
ASEMASTER6371
  • MECHANIC
  • 52,796 POSTS
Is it one of these?
Was this
answer
helpful?
Yes
No
Saturday, September 1st, 2018 AT 1:49 PM
Tiny
DANOTURBO59
  • MEMBER
  • 16 POSTS
No, it is a smooth guide pulley.
Was this
answer
helpful?
Yes
No
Saturday, September 1st, 2018 AT 1:50 PM
Tiny
DANOTURBO59
  • MEMBER
  • 16 POSTS
The pulley is gone it fell apart.
Was this
answer
helpful?
Yes
No
Saturday, September 1st, 2018 AT 1:50 PM
Tiny
DANOTURBO59
  • MEMBER
  • 16 POSTS
It is the in right next to the crank on the super charger diagram.
Was this
answer
helpful?
Yes
No
Saturday, September 1st, 2018 AT 1:52 PM
Tiny
ASEMASTER6371
  • MECHANIC
  • 52,796 POSTS
You will need to drop the power steering pump. There are two 13mm bolts holding the pump to the block. You can access them through the holes in the pulley.

Roy
Was this
answer
helpful?
Yes
No
+1
Saturday, September 1st, 2018 AT 1:53 PM
Tiny
DANOTURBO59
  • MEMBER
  • 16 POSTS
Thank you that helps.
Was this
answer
helpful?
Yes
No
Saturday, September 1st, 2018 AT 1:56 PM

Please login or register to post a reply.