HOME
ASK A QUESTION
REPAIR GUIDES
BECOME A MEMBER
LOG IN
Login with Facebook
OR
Remember me
NOT A MEMBER?
FORGOT PASSWORD?
CONTACT US
PRIVACY POLICY
TERMS AND CONDITIONS
☰
Home
Cadillac
CTS
Body
Sunroof
Wiring
Sunroof power wiring diagram needed?
23GEEBOY
MEMBER
2014 CADILLAC CTS
20,000 MILES
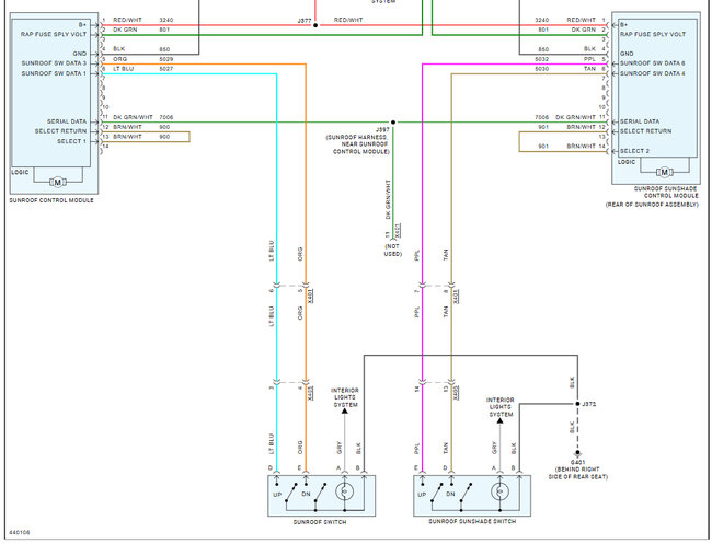
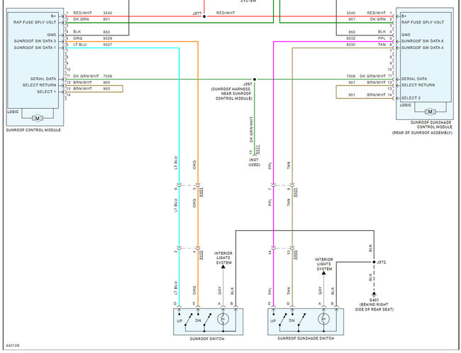
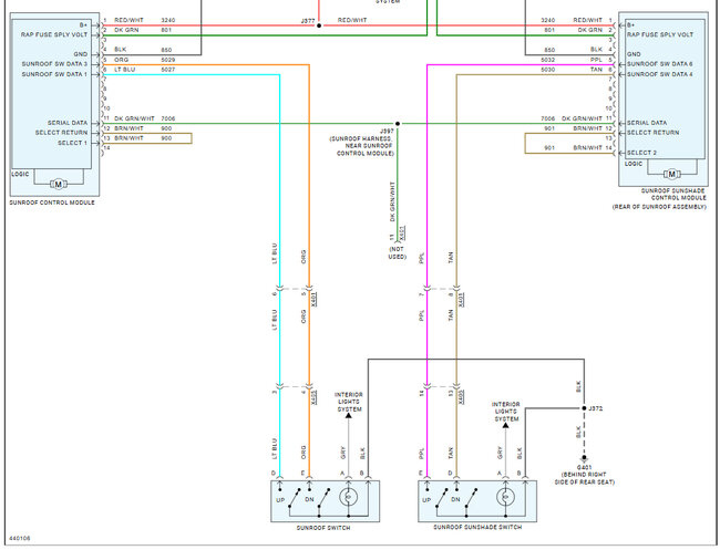
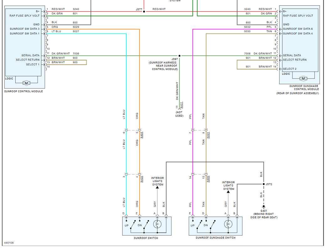
Can anyone help me with identifying the colors on the sunroof switch or a diagram?
Tuesday, September 2nd, 2025 AT 8:31 AM
1 Reply
KEN L
MASTER CERTIFIED MECHANIC
55,499 POSTS
Sure, here are the sunroof wiring diagrams for the switches, let me know if you need anything else. Check out the images (below).
Image (Click to make bigger)
Was this
answer
helpful?
Yes
No
Wednesday, September 3rd, 2025 AT 8:52 AM
Please
login
or
register
to post a reply.
Related Sunroof Wiring Content
2007 Cadillac Cts Water Standing
I Have Water That Is Accumulating Under The Drivers Seat. At First A Thought It Was A Water Leak Around The Sun Roof. The Cas Is Under...
Asked by
lakeshore ct
·
1 ANSWER
2007
CADILLAC CTS
Sunroof Unhooked?
I Have A 2005 Cadillac Cts. I Brought It In To Get My Timing Belt Replaced But Now My Sunroof Does Not Work After I Got It Back From The...
Asked by
jlarson2010
·
2 ANSWERS
2005
CADILLAC CTS
Window Problems
I Let Rear Passenger Window Down By Mistake Now It Won't Go Back Up All The Other Windows Go Up And Down With No Problem
Asked by
Anonymous
·
33 ANSWERS
8 IMAGES
2008
CADILLAC CTS
Windshield Wiper Problems
I Just Bought This Car. Every Time I Turn On The Windshield Wipers It Sprays Window Wiper Fluid. Do You Know What The Problem Could Be?...
Asked by
mwatterson
·
6 ANSWERS
6 IMAGES
2006
CADILLAC CTS
2003 Cadillac Cts My Windshield Wipers Will Not Shut...
My Windshield Wipers Will Not Shut Off
Asked by
chickinhouston
·
1 ANSWER
2003
CADILLAC CTS
VIEW MORE
Ask a Car Question. It's Free!
How to Use a Test Light