Wednesday, April 7th, 2021 AT 6:56 AM
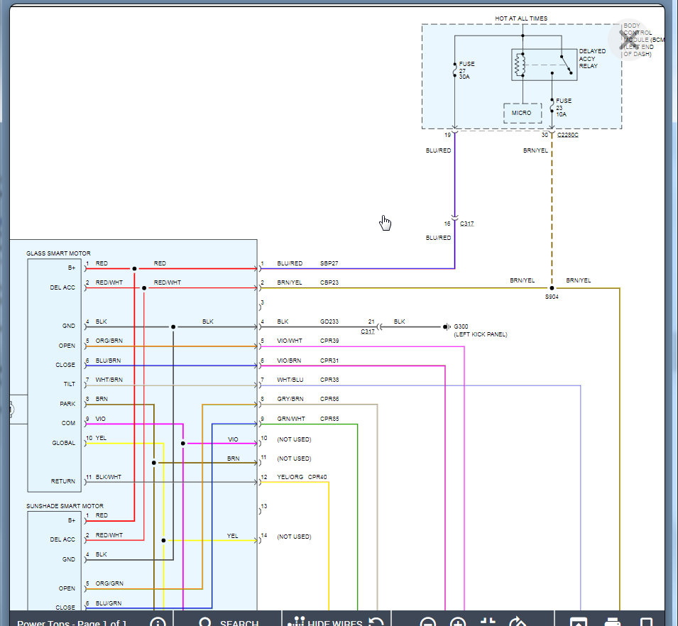
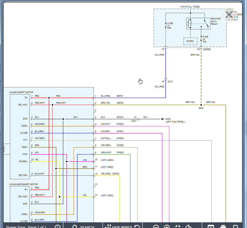
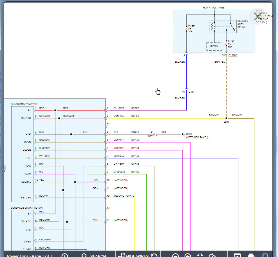
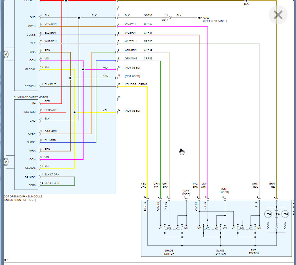
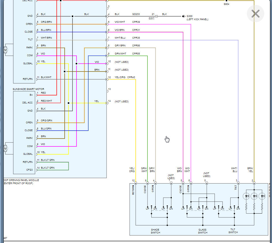
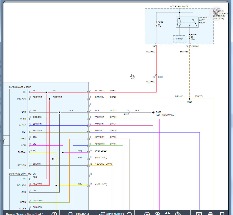
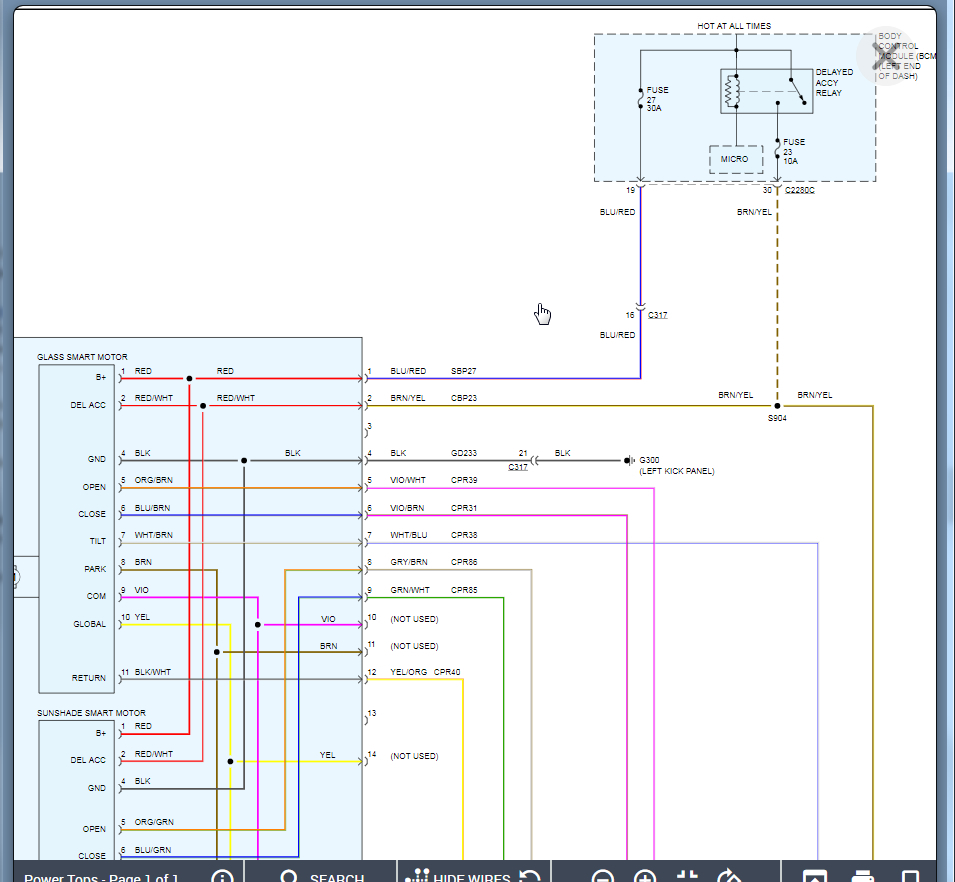
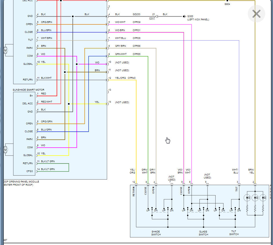
The Sunroof doesn't work. I did notice rain leaked through the map light console (the sunroof drains must've been clogged). The shade works fine. I did a sunroof initialization, got the tilt to pop up, but the sunroof didn't slide, and the tilt won't tilt back at this point. Please advise. Thank you.


