Sunroof not working?

Tiny
BHAMDOC1973
  • MEMBER
  • 2005 MAZDA 6
  • 4 CYL
  • 2WD
  • AUTOMATIC
  • 163,000 MILES
I bought this car like it was with a sunroof not working. I received it and it was titled in a bit.
Pressed the buttons and nothing happened.
I tried tapping the motor several times and only moved once very close to a closed position. Again, nothing there anymore. What would u suggest I start with? Can't be a fuse since it moved, but could be the relay? Where is it located?
Not hearing the relay click when I press it.
Friday, September 8th, 2023 AT 11:59 AM

1 Reply

Tiny
JACOBANDNICKOLAS
  • MECHANIC
  • 110,194 POSTS
Hi,

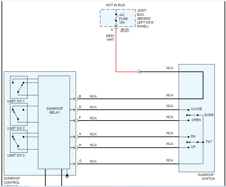
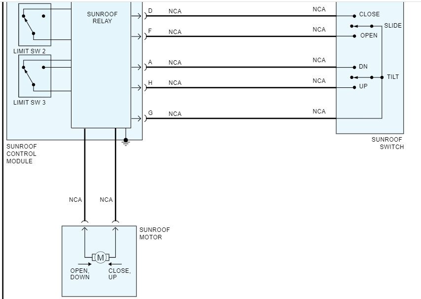
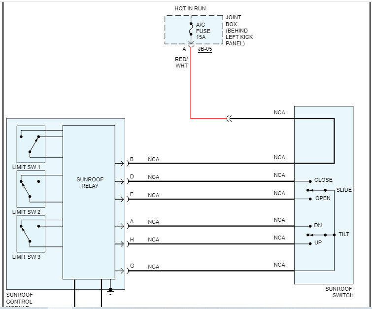
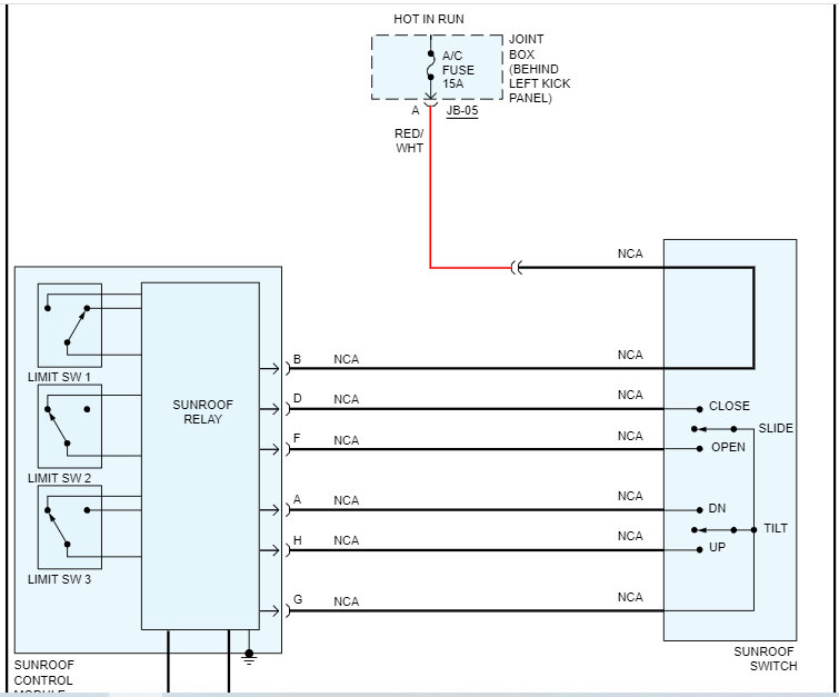
I agree about the fuse. There is a sunroof control module that has limited relays. However, I don't believe the relays themselves are replaceable.

Let's do it this way. At the motor, there will be two wires. One wire will get power when you try to close it and the other will act as a ground. When you select open, power simply runs the opposite direction so the opposite wire will have power.

Check to see if there is battery voltage to the motor. If there is, suspect the motor itself. If there isn't, then suspect the module.

I attached the wiring schematic below for you so that you have a reference.

Try this and let me know the results.

Take care,

Joe

See pics below.
Was this
answer
helpful?
Yes
No
Friday, September 8th, 2023 AT 8:17 PM

Please login or register to post a reply.