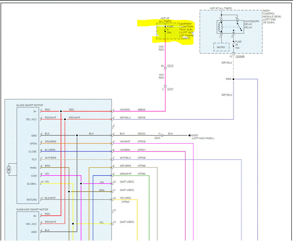
Monday, March 8th, 2021 AT 1:14 PM
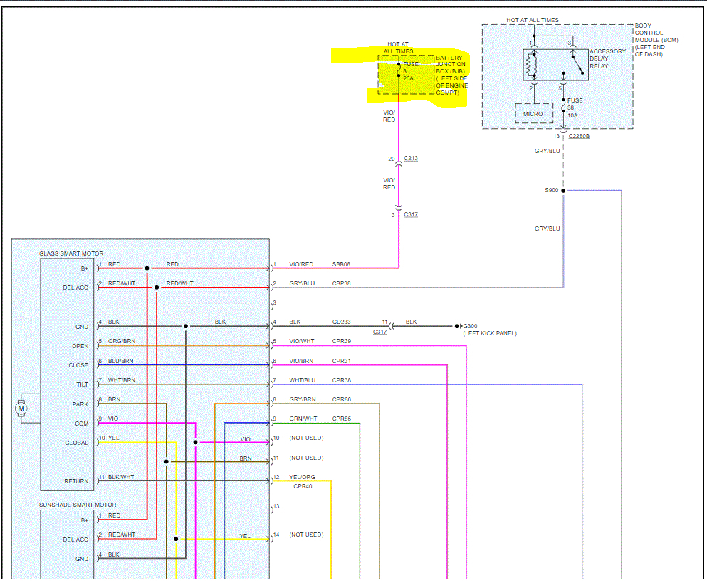
I have a sunroof and moonroof. The moonroof shade will open and close. The sunroof shade opened one time and will no longer open or close. Nor will the window open or close I switched the switches and it was not that. What would it most likely be?



