Sunroof not opening

2013 FORD EXPLORER
270,000 MILES • 6 CYL • 4WD • AUTOMATIC
Avatar
JIM JENKINS
  • MEMBER
  • 1 POST
My sunroof will not open but the sun shade does, but only half way.
Feb 10, 2021 at 10:42 AM
Advertisement
Repair Safety Notice: This information is for general instructional purposes only. Vehicle repair can be dangerous. Verify all information, follow manufacturer service procedures, use proper tools and safety equipment, and consult a qualified repair shop when needed.
Avatar
JACOBANDNICKOLAS
  • AUTOMOTIVE REPAIR CONTRIBUTOR
  • 110,190 POSTS
Hi,

There could be an issue with the switch or the control module. However, I need you to check something simple first.

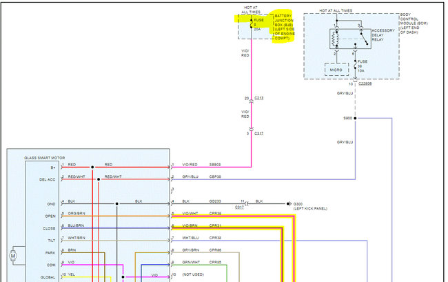
Under the hood is a fuse box on the left side. Locate fuse 8 and confirm it is good. In addition to checking the fuse, I need you to confirm there is power to it.

Here is a link to help:

https://www.2carpros.com/articles/how-to-check-a-car-fuse

Also, I attached two pics below. Pic 1 is from the wiring schematic. The second pic shows where the fuse is located in the fuse box.

Let me know if this helps or if you have other questions.

Take care and God Bless,

Joe
Feb 11, 2021 at 4:28 PM