Saturday, May 17th, 2008 AT 11:21 PM
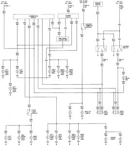
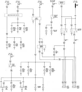
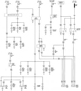
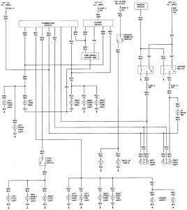
I have a 1992 Subaru Loyale. I purchased factory fog lights from a salvage yard that were on a 1990 Loyale, and carefully hooked up all components exactly as they were on the 1990. Despite making sure that all of the wiring was the same, the lights do not work and the switch does not light up. All fuses are fine. I will go back and recheck all of my connections, but I think that they are all good, and I would be surprised if the lights do not work. I think that I therefore must have missed something. A wiring diagram would help, which I do not have. Any suggestions?







