Speedometer not working?

Tiny
COOL
  • MEMBER
  • 2004 SUBARU FORESTER
The speedometer doesn't work but the fuse is alright, what is the problem?
Thursday, November 6th, 2008 AT 1:29 AM

1 Reply

Tiny
KASEKENNY
  • MECHANIC
  • 18,907 POSTS
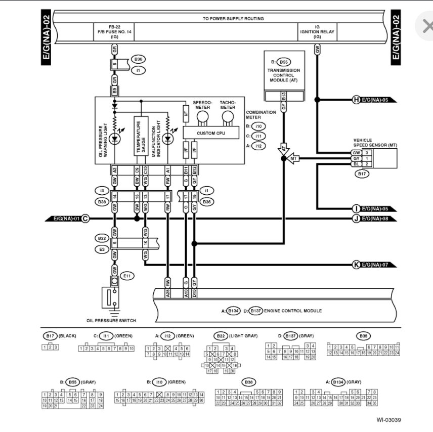
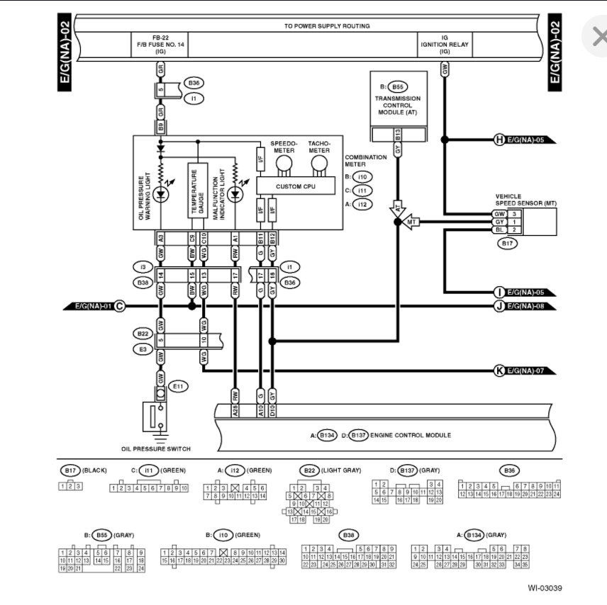
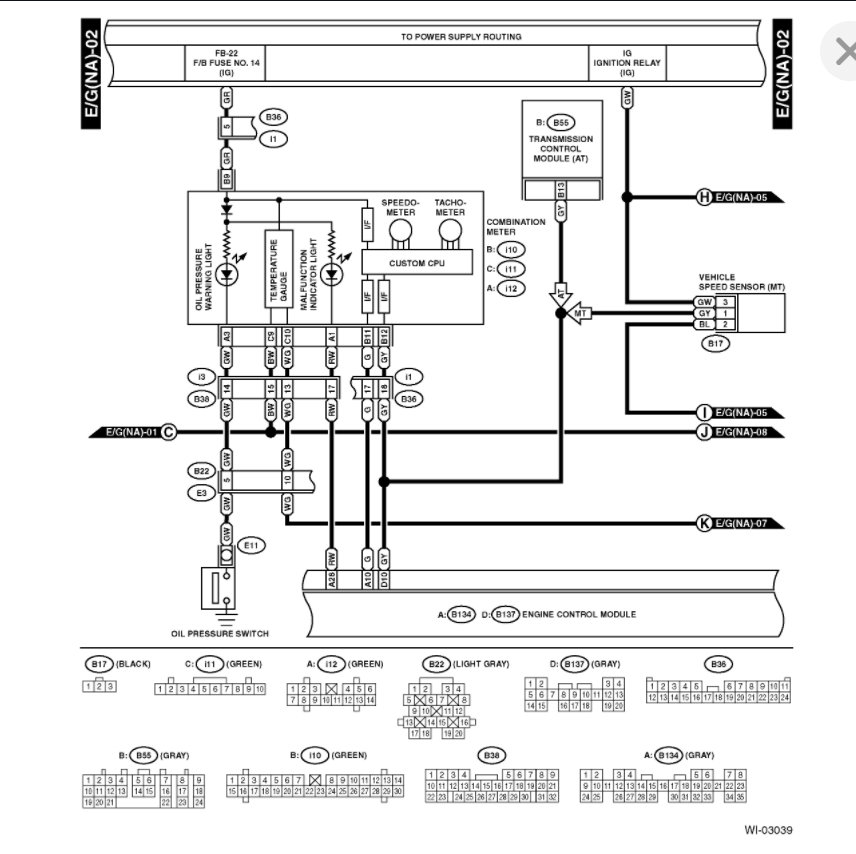
More then like this is an issue with the vehicle speed sensor but the way your vehicle works is the odometer and cruise control use the VSS as well. So if the speedometer is the only thing not working then the cluster circuit board is the issue.

I am attaching the needed information to figure out what this is. Plus the instructions for the cluster as I suspect that is the issue since you did not mention anything else as not working.

Let us know if you have questions. Thanks
Was this
answer
helpful?
Yes
No
+1
Sunday, January 31st, 2021 AT 1:23 PM

Please login or register to post a reply.