I have the vehicle listed above 3.6R. Recently had a number of warning lights appear all of a sudden. As far as I can tell, the car still operates safely. I'm self-taught in mechanic skills, and usually do the majority of my own work on my vehicles. I have owned this one for about 2.5 years, or 60,000 miles.
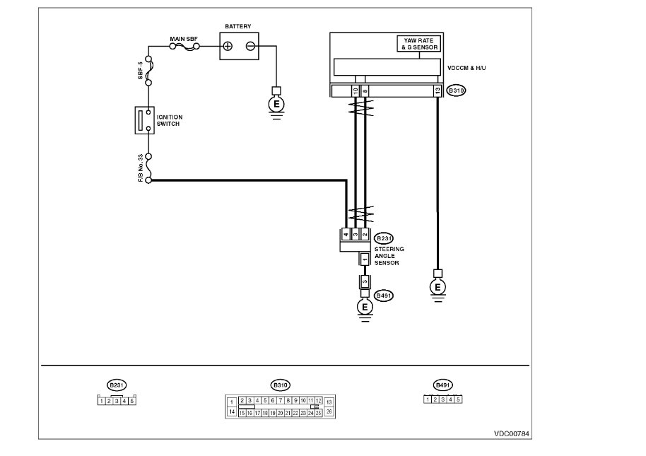
The traction control (VDC) light as well as the ABS light have come on, and stayed solidly light. The BRAKE light has also come on, and flashes repeatedly. The electronic parking still functions properly however.
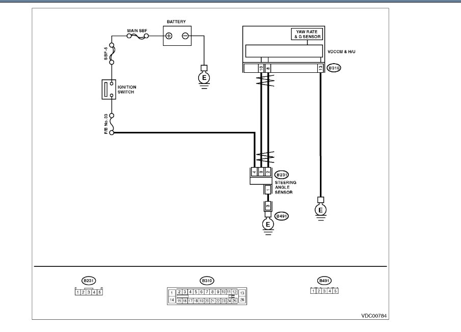
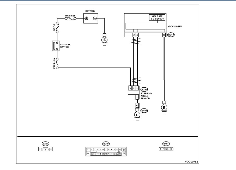
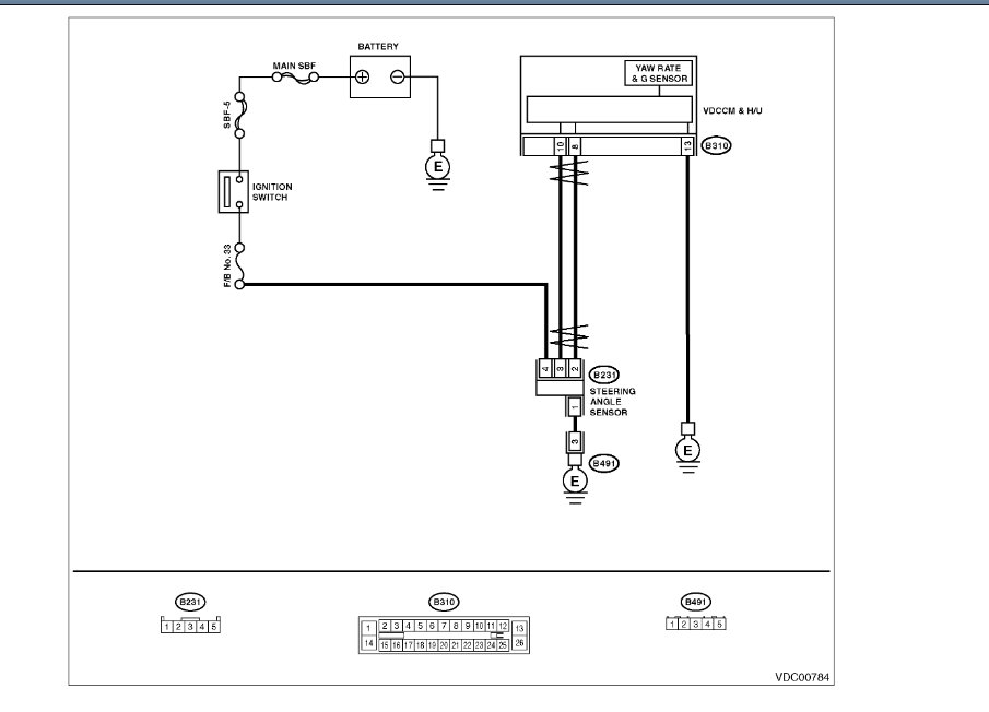
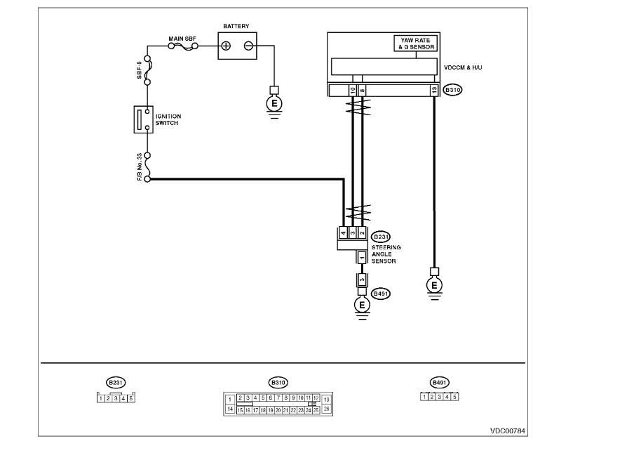
I ran the codes, and the ones that came up were c0071, c0073, and c0074. I tried to clear the codes via the diagnostic device I found online (Creader VII+), but that doesn't seem to have worked.
At a separate time prior to this, I disconnected the battery for an entire evening in an attempt to clear the codes. That also did not work.
Some google-ing and research has led me to believe there is a chance this problem is electrical in nature, and potentially these sensors aren't getting enough "juice" from the battery. I have checked fuses 5 and 33 as suggested in another post, and my brake lights function properly.
My battery has been generating a decent amount of corrosion lately. It is just at the end of its 30-month guarantee from the Subaru dealer I originally bought the car from. But minus the corrosion, which I have cleaned off a few times, the battery seems to work fine.
Finally, and I'm not sure if this is an issue or not, but I have noticed during this whole process that my alternator seems to "hum" when the ignition is switched to "On" (but engine is not running). I'm not sure where to go with this information, other than potentially that may be an issue indicating a dying alternator?
I believe this is all the pertinent information to start with. Please let me know if you have any suggestions, as the dealership wanted to charge $120.00 merely to read the codes!
Thanks,
Jim
Friday, August 30th, 2019 AT 4:26 PM










