Friday, November 1st, 2024 AT 3:53 PM
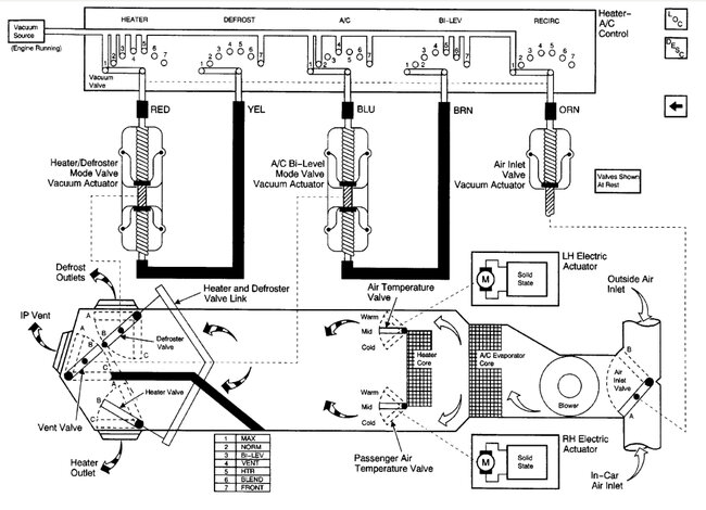
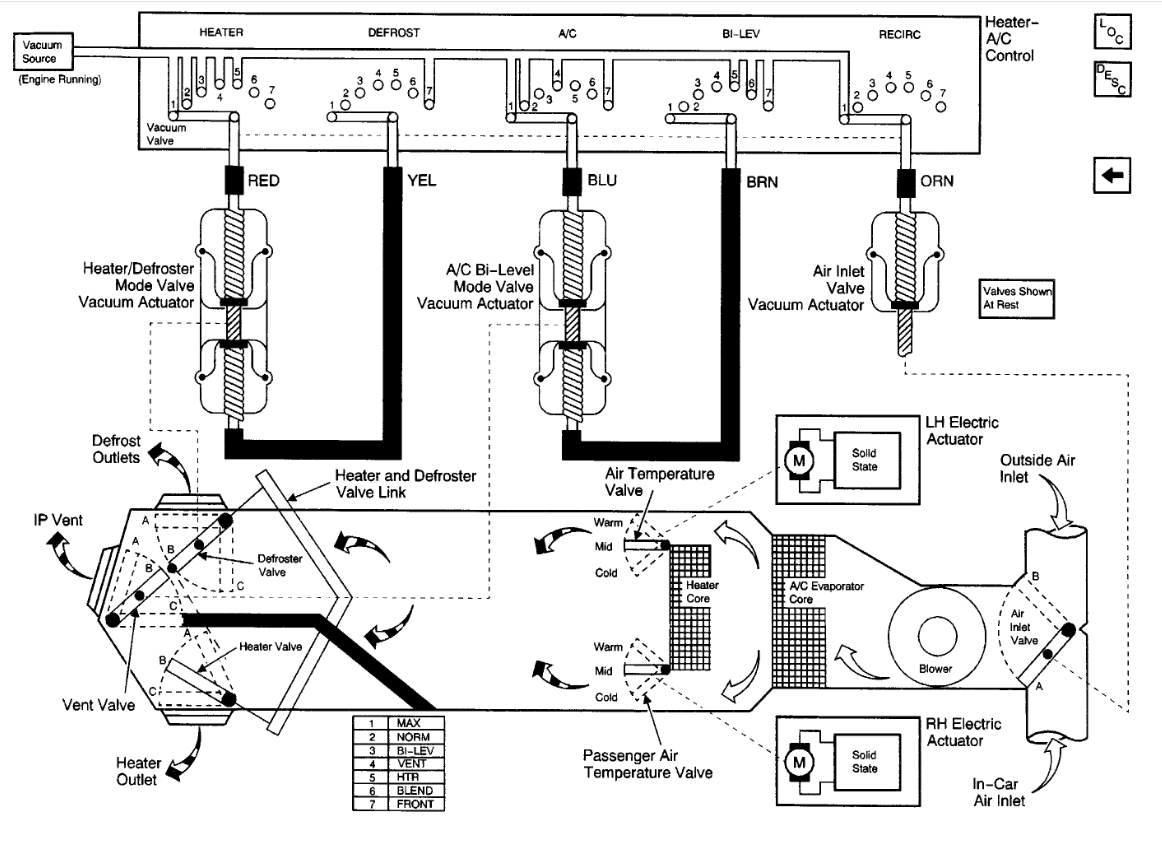
Digital climate control module. When pushing "front" on control module, output switches to defrost vent. When cycling to "mid" on module, air outputs on floor vent, with a very small amount coming out of dash vents. Replaced control module with 2 others. Problem persists. Sometimes switching to "front"/defrost and then back to mid would correct the issue, but that is no longer the case. Checked vacuum line on firewall side coming in from the engine manifold. That line holds vacuum. The output nipple on the booster where the purple vacuum line plugs in also holds vacuum. However, when unplugging the purple line which then goes into a distribution "block" and testing it, it does not hold vacuum. I visually inspected the purple line and didn't see any cracks/holes. At this point I'm stuck and have no idea how to proceed. Does this car have a mode door actuator and if so, where is it located?



