Stuck in 4

Tiny
LESLIE SMITH
  • MEMBER
  • 2006 HUMMER H3
  • 2.3L
  • 5 CYL
  • 4WD
  • AUTOMATIC
  • 144,000 MILES
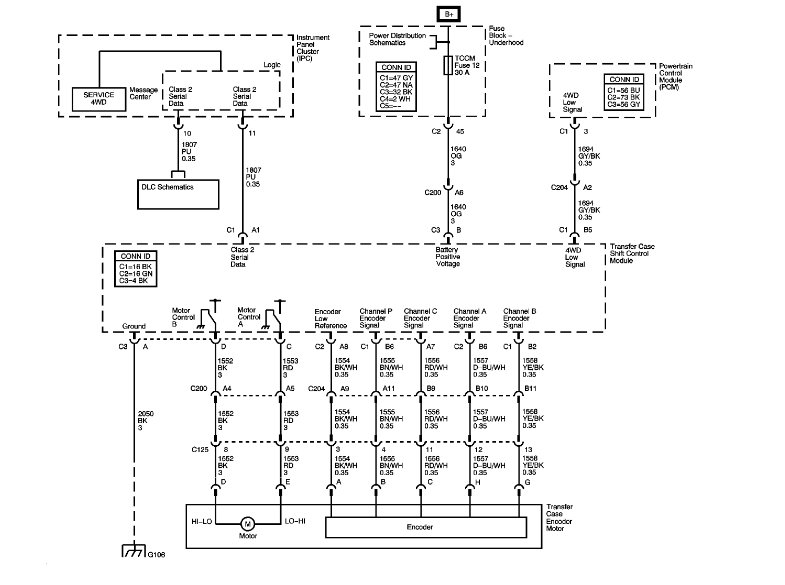
I checked the shifting motor it is working fine. I was told it might be the shifting fork, if so how do I get it out?
Saturday, January 5th, 2019 AT 8:42 PM

1 Reply

Tiny
ASEMASTER6371
  • MECHANIC
  • 52,796 POSTS
Good morning,

How did you check the shifting motor?

Does it work when you command 2 or 4 wheel drive?

Did you verify power to the motor with commands from the switch?

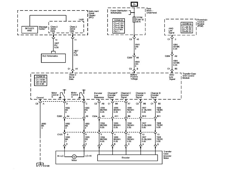
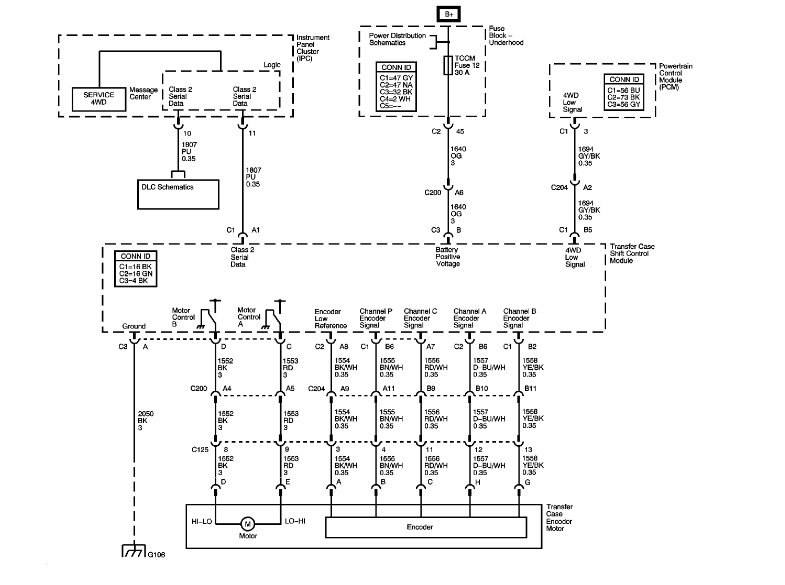
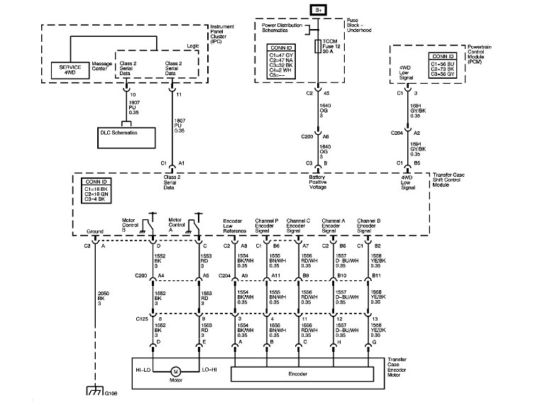
Found this TSB for the fork

In order to replace it, the case must be removed and disassembled to access the fork.

TECHNICAL

Bulletin No: 08-04-21-005A

Date: March 18, 2009

Subject:
Borg Warner(R) NR3, NR4 Transfer Case - Parking Lot Shudder, Binds On Turns in 4 High Open, Crow Hop (Replace Plastic Mode Fork)

Models:
2006-2008 HUMMER H2, H3

with Borg Warner(R) Transfer Case 4493/4494 (H3 - RPO NR3) or Borg Warner(R) Transfer Case 4484 (H2 - RPO NR4)

Supercede:
This bulletin is being revised to change the labor operation from a published operation to a bulletin only operation. Due to this change, the time has been reduced. Please discard Corporate Bulletin Number 08-04-21-005 (Section 04 - Driveline/Axle).

Condition

Some customers may comment on transfer case parking lot shudder or bind on turns in 4 HI "Open" position on vehicles equipped with Borg Warner(R) 4484, 4493 or 4494 transfer cases.

Cause

The plastic mode fork in the transfer case may have melted, which binds the transfer case in a partially applied position.

Correction

Important
Do Not replace the entire transfer case for the above concern.

Replace the damaged mode fork. Refer to Transfer Case Disassemble and Assemble in Service Information (SI).

- H2 - Replace with P/N 19180821.
- H3 - Replace with P/N 19180438.

Image

Parts Information

Warranty Information

imageOpen In New TabZoom/Print

For Vehicles repaired under warranty, use the table.

Image

Disclaimer

Roy
Was this
answer
helpful?
Yes
No
Sunday, January 6th, 2019 AT 5:53 AM

Please login or register to post a reply.

Related General Content