Tuesday, January 16th, 2018 AT 10:49 AM
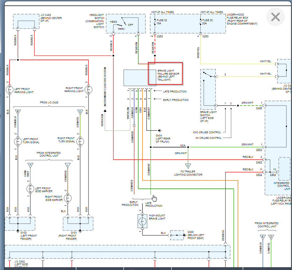
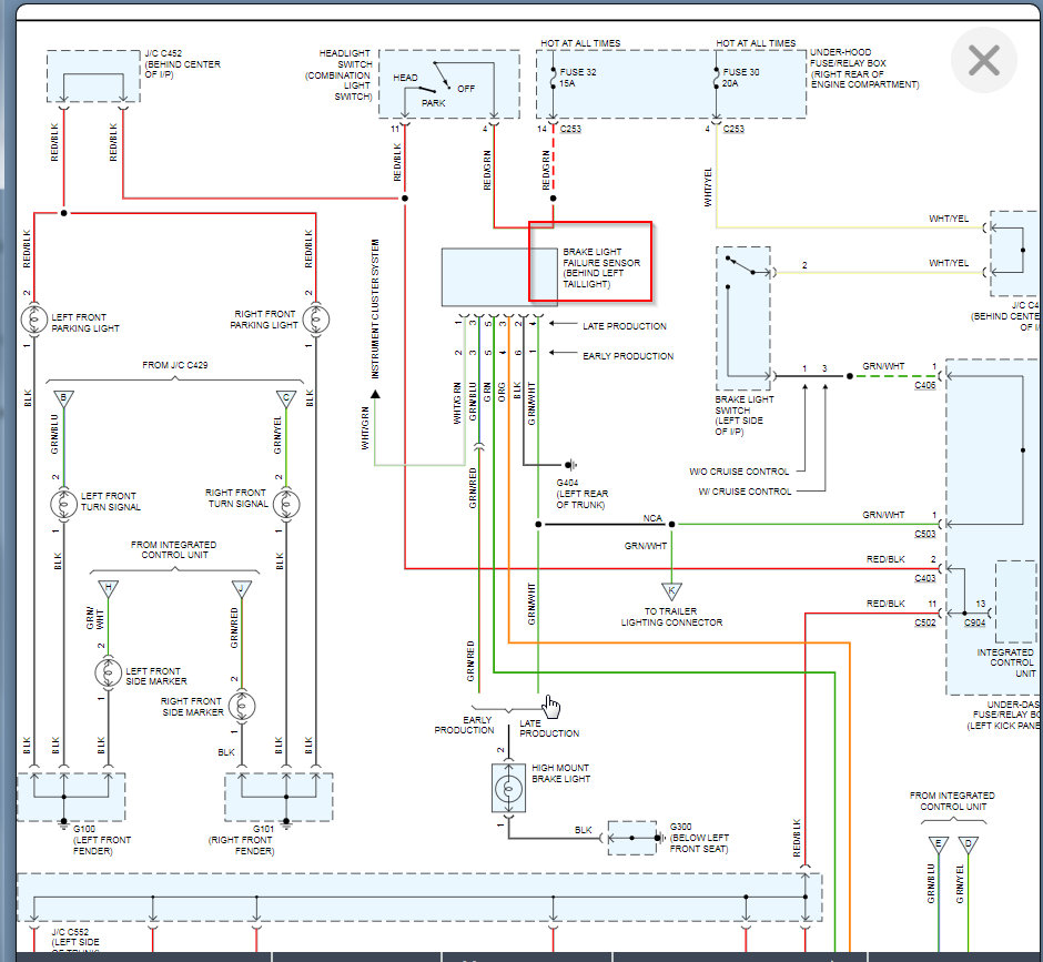
I need to replace stop lamp failure sensor on my car listed above (four door sedan). Where is it located? This car what you are referring to is separate from the brake light failure light directly below the little car figure which also shows doors ajar. Nothing to do with brake switch. I need to know where the Brake light sensor is located. The lights all work. The bulbs are all good same brightness. The sensor which has a printed circuit has gone bad. I have a replacement. I just need to know where it is located. Thanks




