Cannot find proper fuses for electric windows

Tiny
FARNERC
  • MEMBER
  • 1986 JAGUAR SOVEREIGN
  • 4.2L
  • V6
  • 2WD
  • AUTOMATIC
  • 67,000 MILES
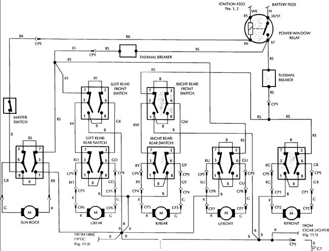
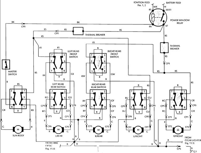
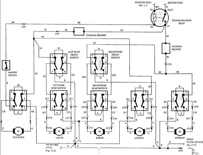
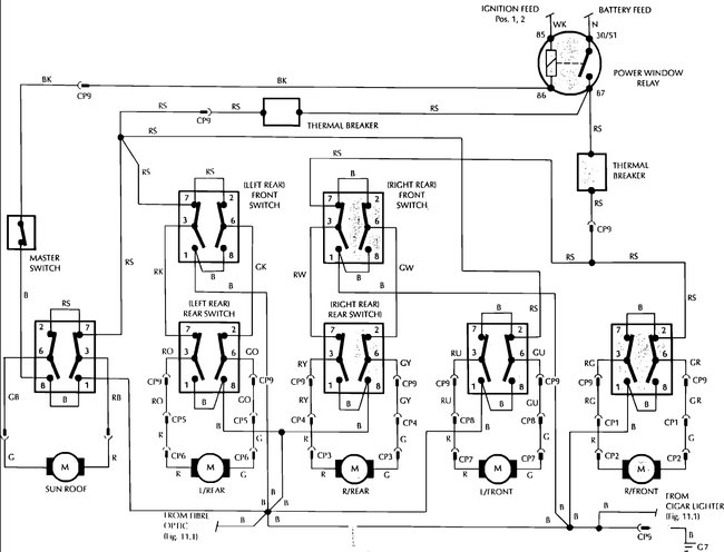
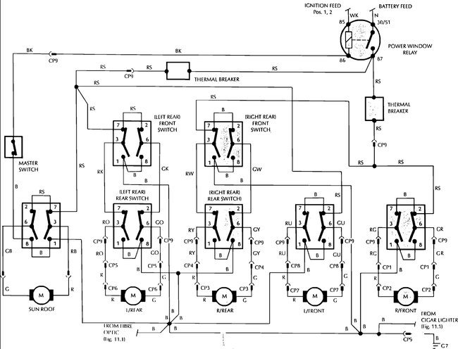
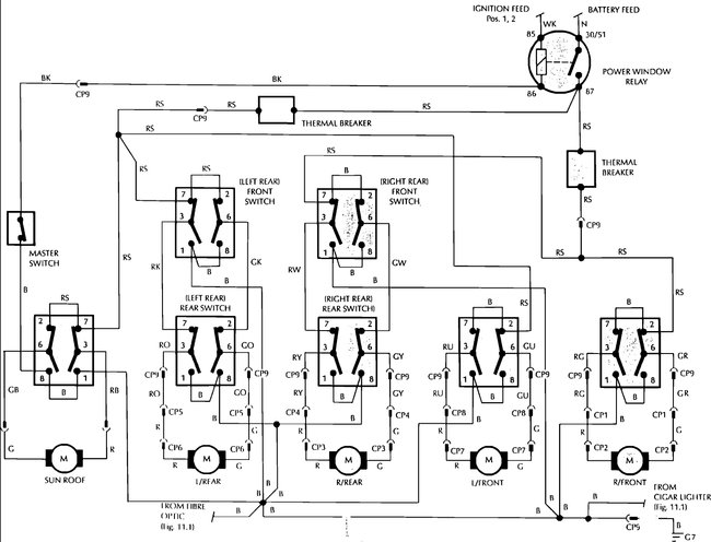
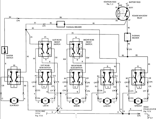
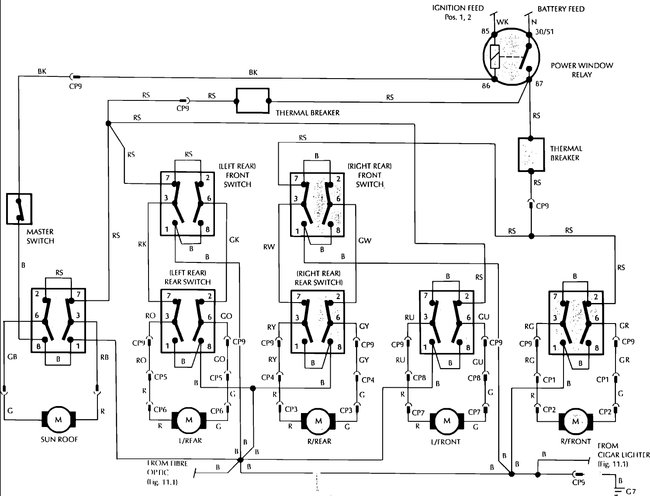
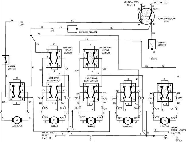
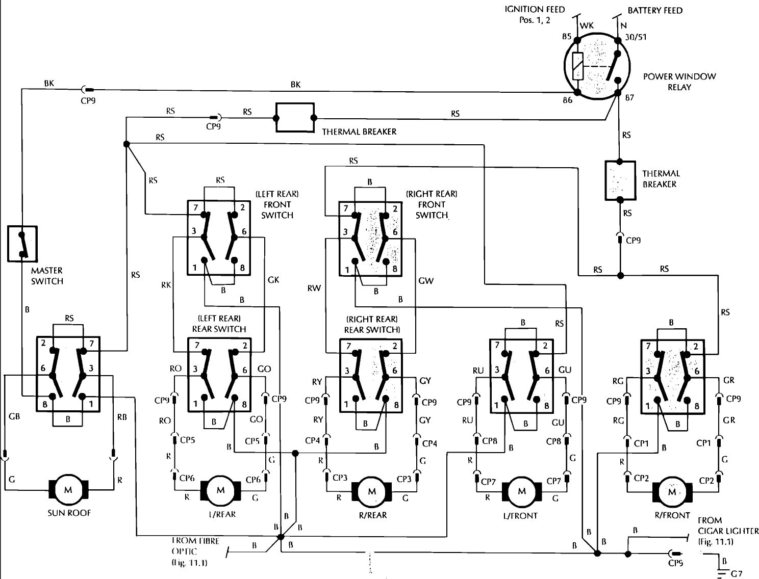
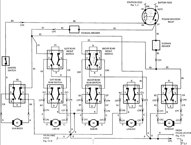
We have looked at all fuse boxes. Left and right under dash, Under the hood. No fused specifies which fuse operates the electric window or roof. The right box has only one row. The markings do not specify or show to Windows or roof. One individual stated on this site, second row forth down. But there is not but one row of fuses, not for windows, or at least it does not say so.

Also, the heater stays on full blast. Is there a on off switch? Our car does not have the control switches acress the dash, like the picture shows in manual.
Help is appreciated ASAP.

Charles Farner
Monday, August 28th, 2017 AT 6:49 PM

1 Reply

Tiny
STEVE W.
  • MECHANIC
  • 15,700 POSTS
From what I can find on that year there are no fuses, they used thermal circuit breakers for the windows and sunroof which draw power from a window relay. They are in the right component panel. If all of them do not work I would suspect the relay.
Was this
answer
helpful?
Yes
No
Monday, August 28th, 2017 AT 7:34 PM

Please login or register to post a reply.