Thursday, October 10th, 2024 AT 5:17 PM
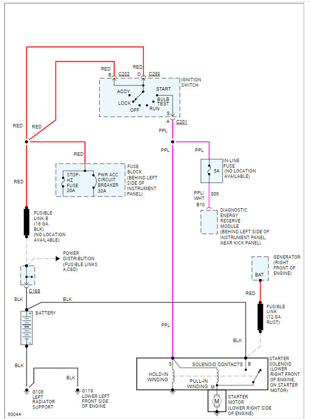
My vehicle listed above EXT won't turn on or start it's like the battery is dead but my head lights work no dash lights no gages come up but it does not crank or start and the battery I tested it and it's at 13Vollts and I replaced the ignition switch and alternator and starter solenoid and checked all fuses and replaced all relays still nothing. Could you please give me some advice on this?





