Friday, October 10th, 2025 AT 1:05 PM
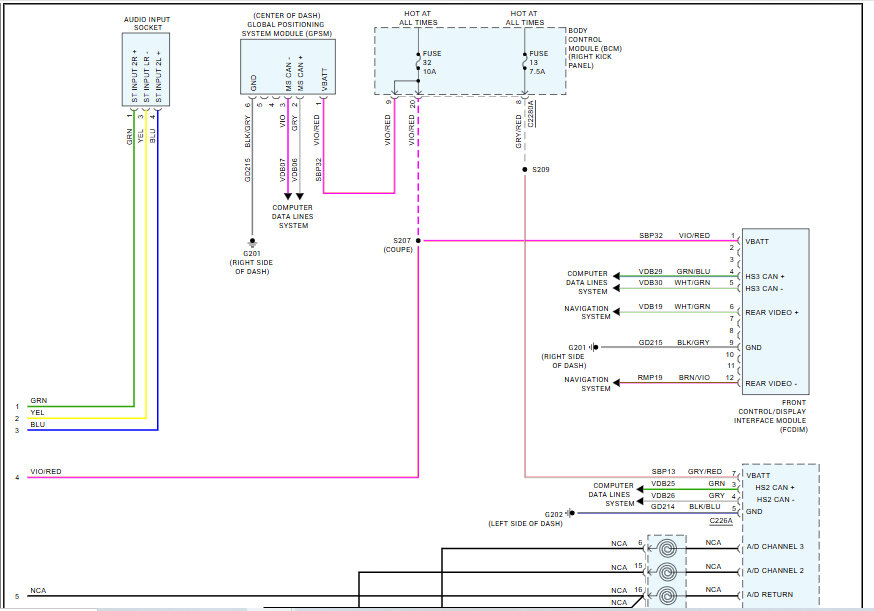
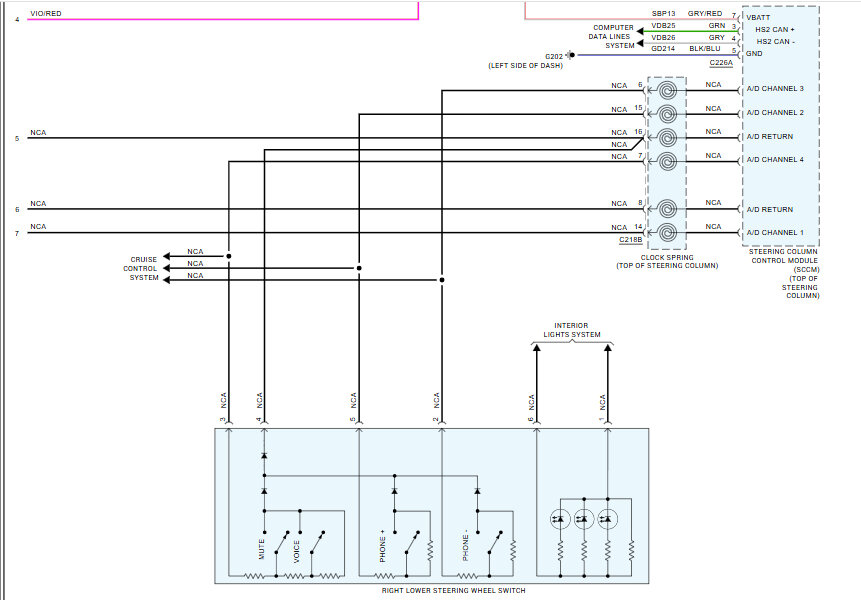
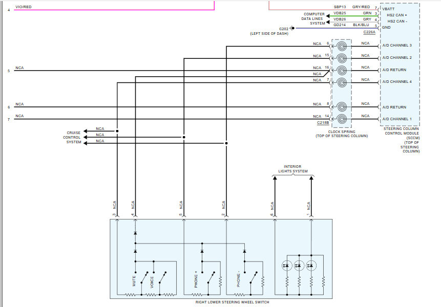
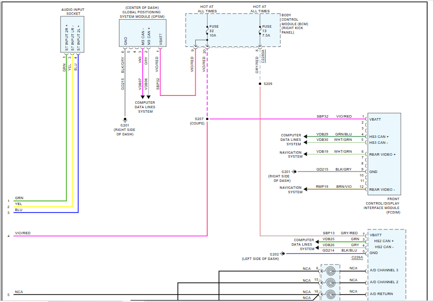
Hello guys. I have blown the midrange speaker in the passenger door and I am replacing the six speakers, woofers and midranges in both doors and tweeters in the A pillars with a set of Cerwin Vega's. I was just wondering if I could get the stereo wiring diagram for the shaker stereo system since I am going to have to splice the speaker wires for the new speakers. It is a convertible. I am not sure if that makes any difference in the wiring diagram, but it does make a difference in how the a pillar comes apart. Thank you, I appreciate all you guys do.









