Thursday, June 8th, 2017 AT 7:58 AM
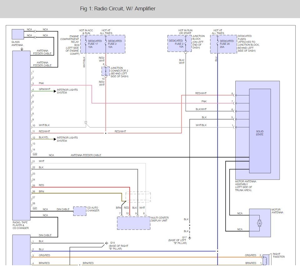
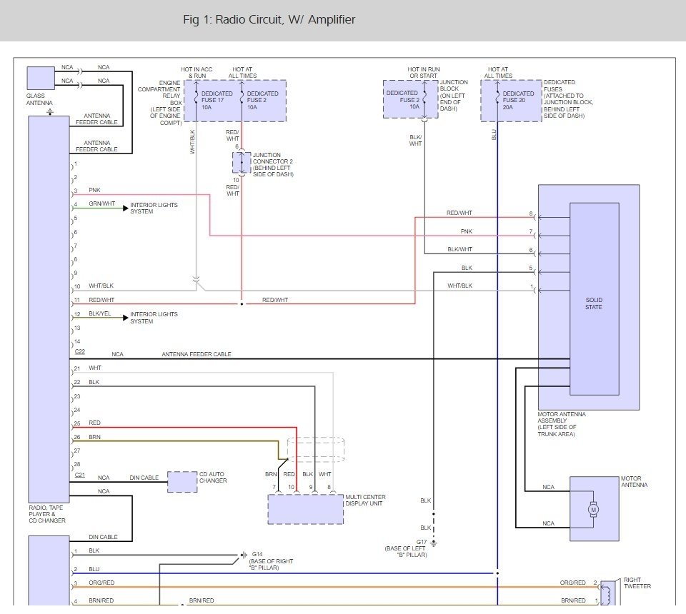
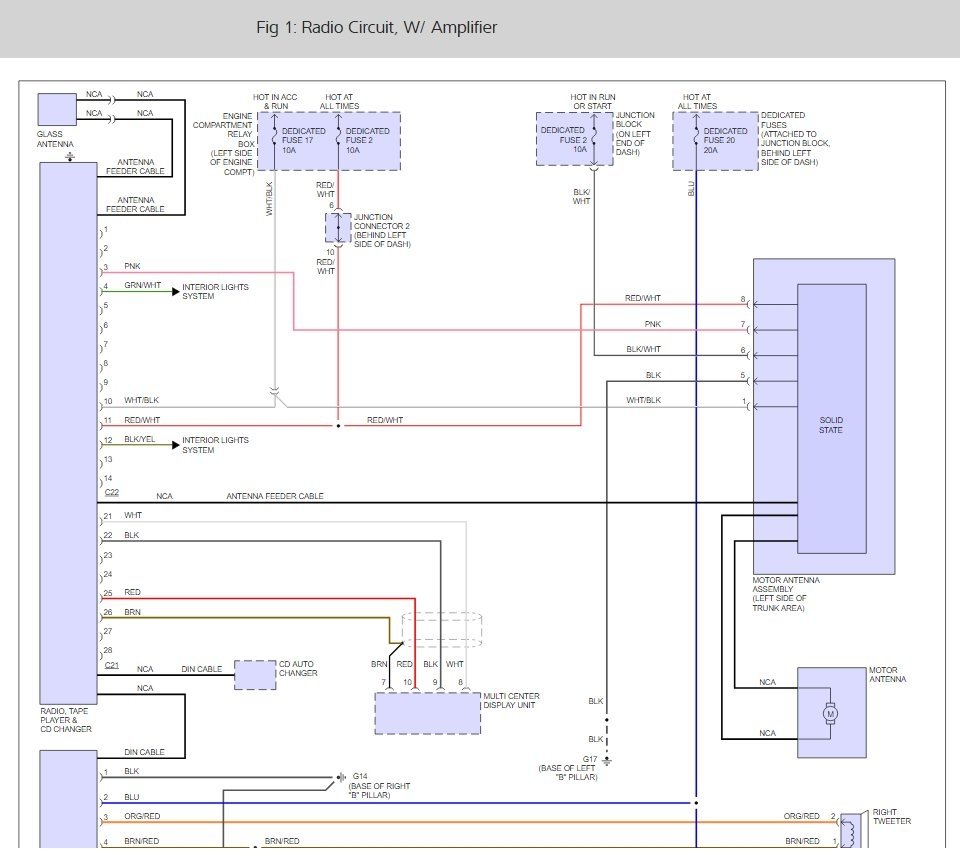
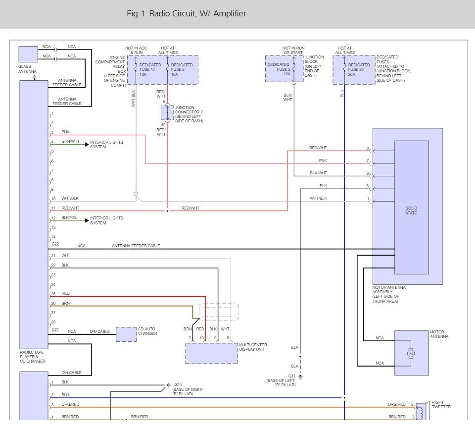
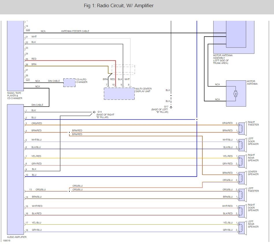
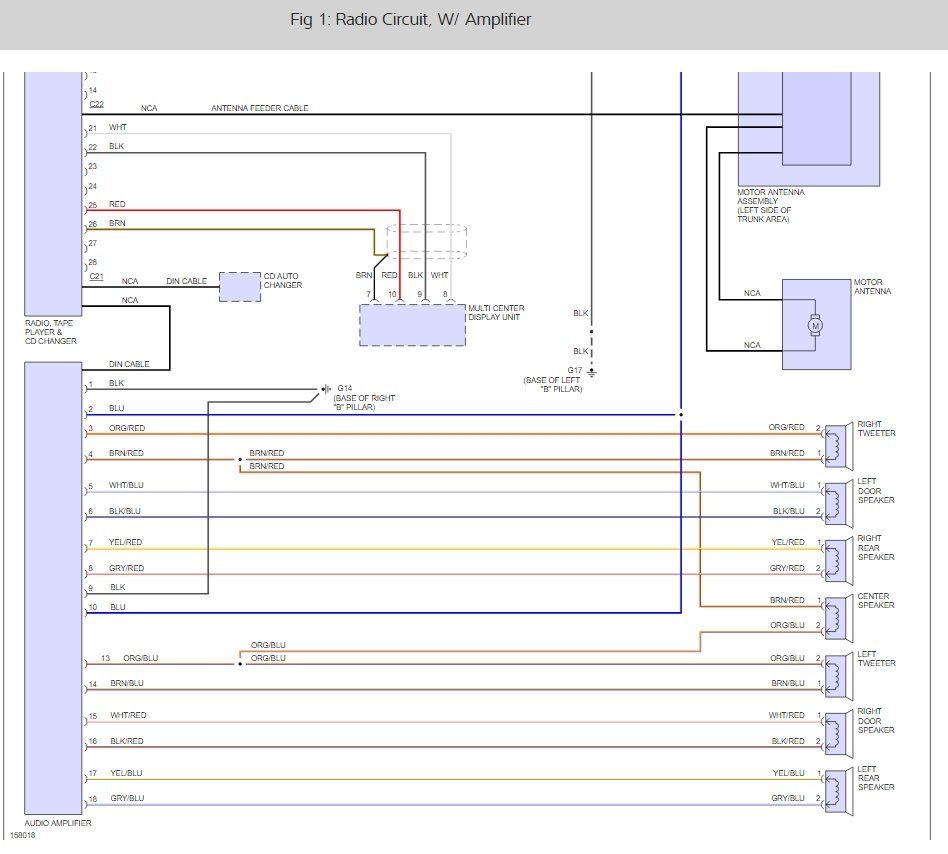
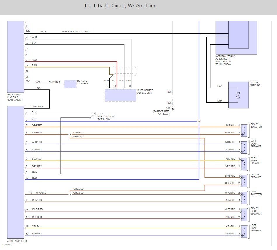
I have found the fuse boxes, but have no luck fixing the stereo or clock on. Engine comp shows a music symbol for ten amp, the one on dash shows music symbol twenty amp but it says upper. Where is it?








