Tuesday, August 18th, 2020 AT 11:54 AM
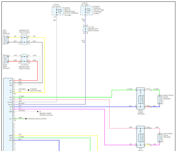
Which cables are for the steering wheel controls in my van? I installed an aftermarket radio and it came with a key1 and key2 for steering wheel I believe. The main harness also has a steering wheel wire in it.




