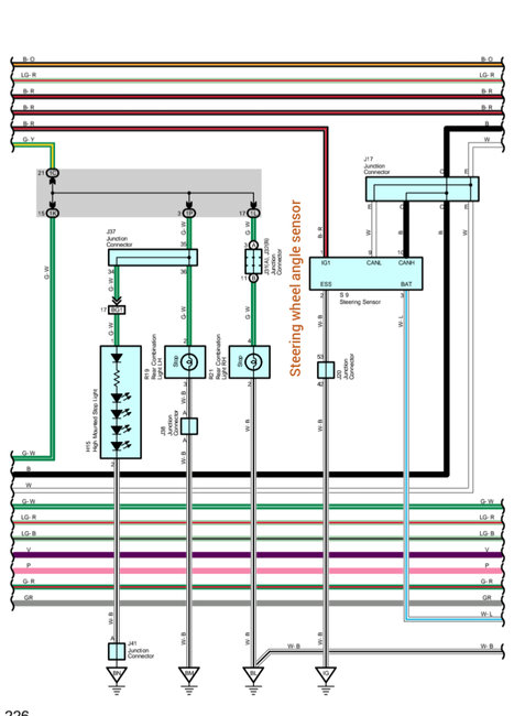
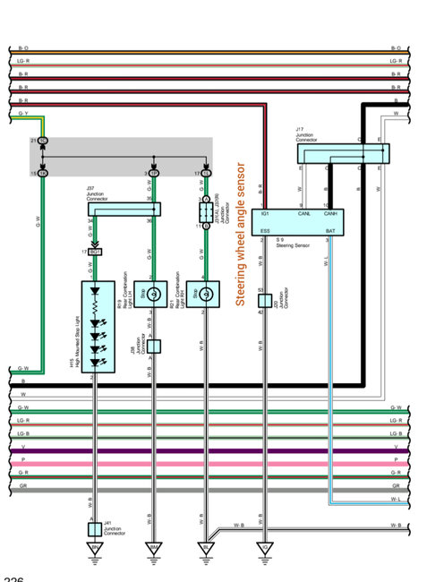
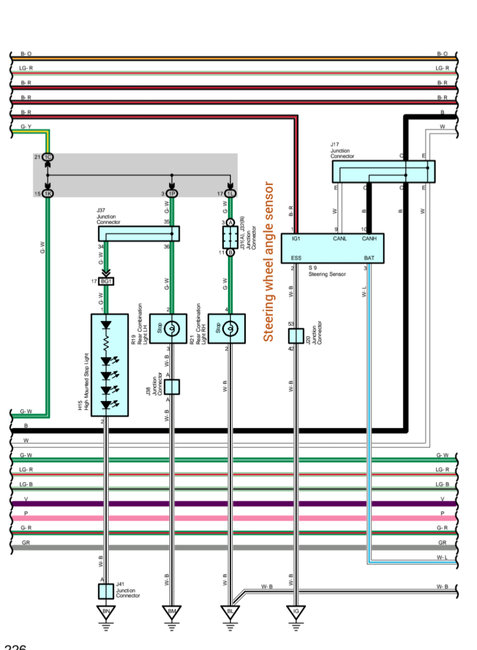
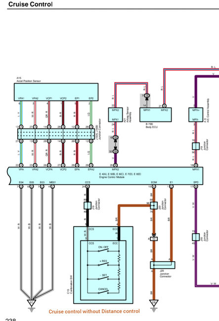
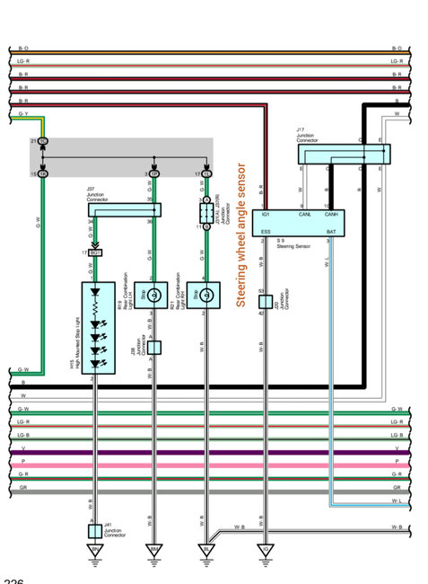
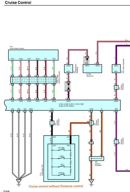
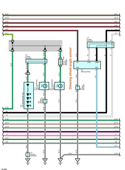
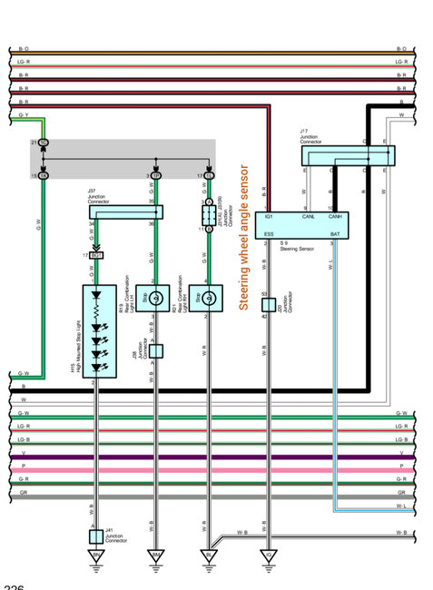
Do you have an schematic of the factory harness for the steering wheel controls with a detailed explanation of what each wire does?
And also the location of where to find it.
And also the location of where to find it.
Aug 26, 2020 at 12:58 AM








