Saturday, October 12th, 2019 AT 2:00 PM
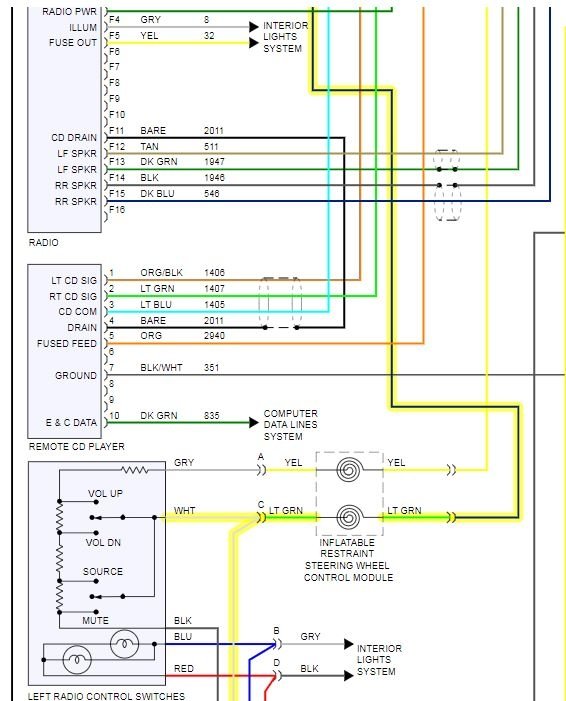
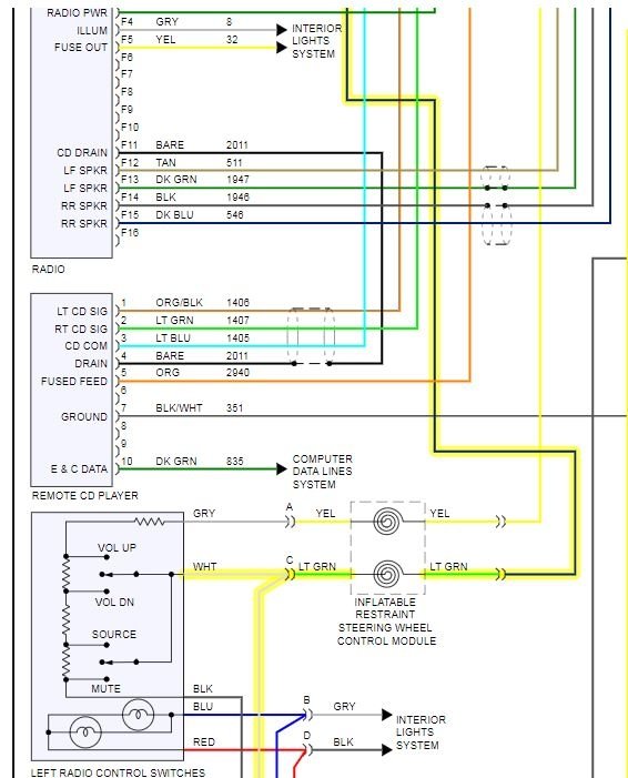
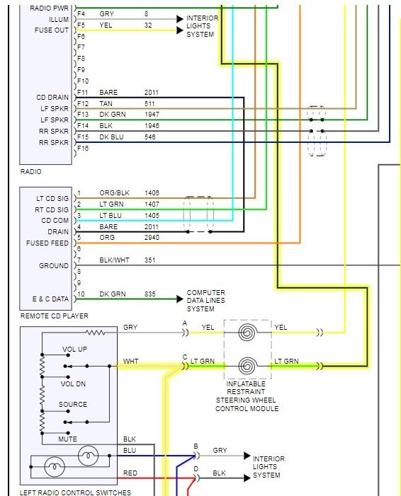
I researched and found out the vehicle radio wiring harness has the E6 pin to be the steering wheel controls. The wiring harnesses they sell don't have that pin. Can I take the Key 1 or Key 2 or SW1 or SW2 wire and butt connected to the wire in the E6 pin on the vehicle radio harness to make the steering wheel controls function?
