Monday, November 29th, 2021 AT 9:12 AM
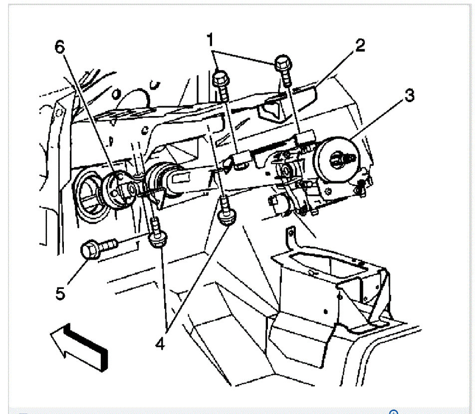
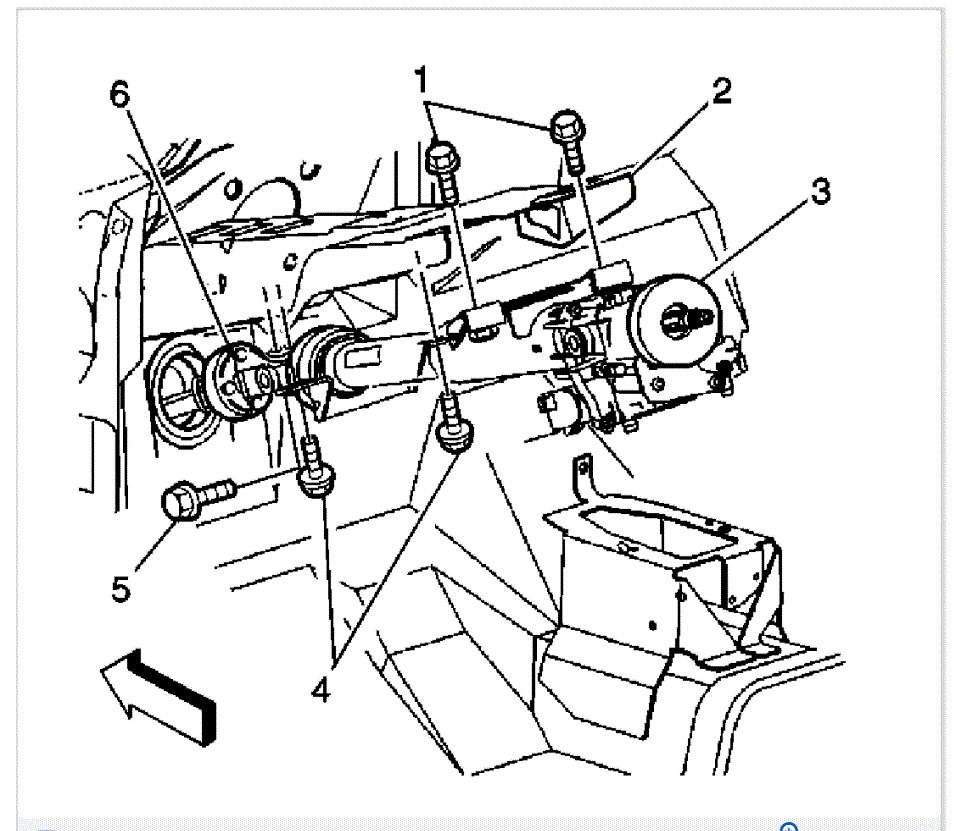
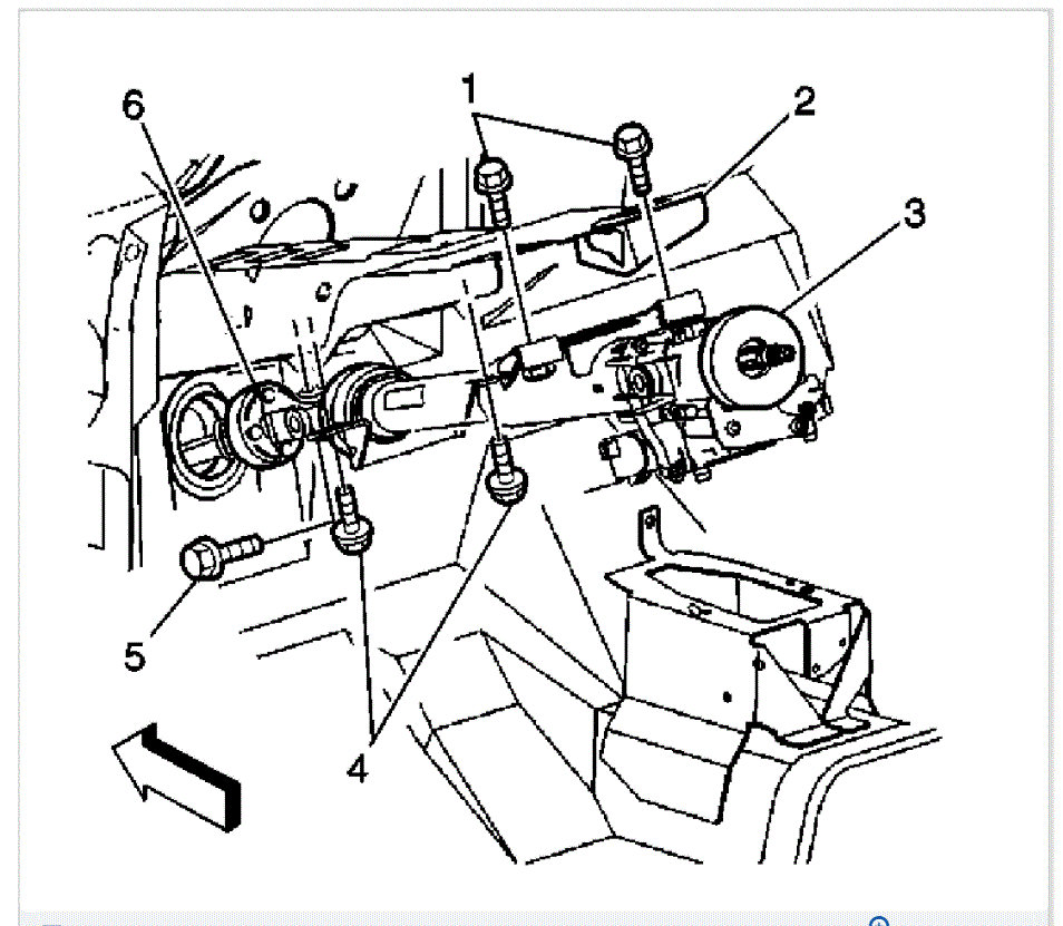
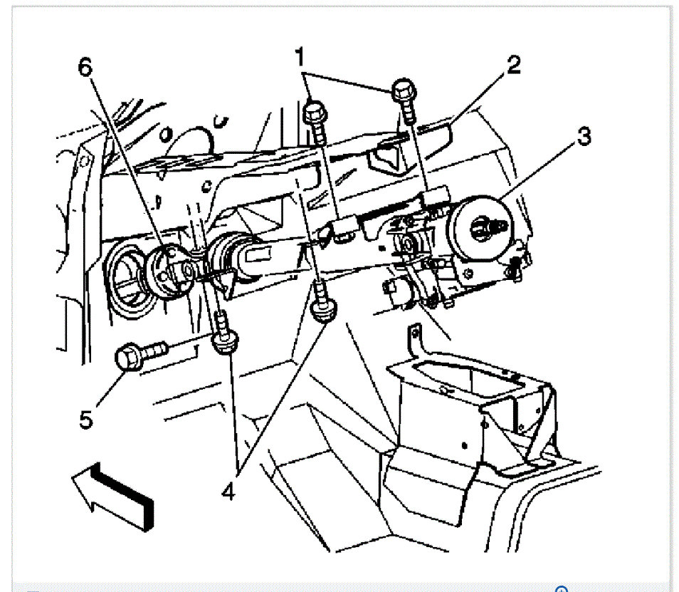
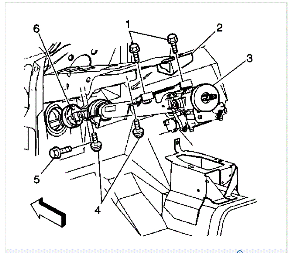
My steering wheel decided to fall when I was driving. It won't stay in place like it's loose or broken. I'm trying to take my column off, but I can't get the borrow part off due to my ignition pegs. I can't take my ignition cover off. That being said I can't get the broom of my column off. How do I get this fixed?




